No headlights

Tiny
DOCC74
  • MEMBER
  • 1989 CHEVROLET CORSICA
  • 2.8L
  • 6 CYL
  • 2WD
  • AUTOMATIC
  • 135,000 MILES
No power at brown and yellow wires with switch on. Is it simply a bad switch or can I try something else?
Tuesday, June 19th, 2018 AT 4:45 PM

5 Replies

Tiny
HARRY P
  • MECHANIC
  • 2,296 POSTS
Normally I would say to check your fuses, but I have reviewed your fuse box information on Prodemand and there simply is not a fuse for the headlights listed. I would say to go ahead and pull the switch out and make sure that you're getting power to the switch. If there is power going to the switch, then it is time to replace the switch. Simple as that. If there is no power getting there, then I would say to check every fuse (since there is not one labeled). Let us know what you find.

Check fuses how-to: https://www.2carpros.com/articles/how-to-check-a-car-fuse
Was this
answer
helpful?
Yes
No
Wednesday, June 20th, 2018 AT 3:59 AM
Tiny
DOCC74
  • MEMBER
  • 9 POSTS
Have power at fuse seven, have power to switch, none going out. Having trouble finding replacement going to have to junk yard crawl I think.
Was this
answer
helpful?
Yes
No
Wednesday, June 20th, 2018 AT 4:04 AM
Tiny
HARRY P
  • MECHANIC
  • 2,296 POSTS
You might also want to call the dealership and see what other vehicles use the same switch. I would say probably the Beretta does. Maybe the Cavalier and Lumina as well. This could make it much easier to find your part.
Was this
answer
helpful?
Yes
No
Wednesday, June 20th, 2018 AT 4:13 AM
Tiny
DOCC74
  • MEMBER
  • 9 POSTS
I will check it out thanks.
Was this
answer
helpful?
Yes
No
Wednesday, June 20th, 2018 AT 4:15 AM
Tiny
HARRY P
  • MECHANIC
  • 2,296 POSTS
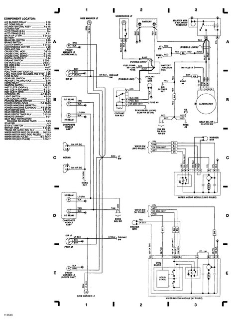
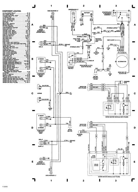
I dug up this wiring diagram. Thought it might help you out.
Was this
answer
helpful?
Yes
No
Friday, June 22nd, 2018 AT 7:49 PM

Please login or register to post a reply.