When I switch on the ac on the truck it only blows hot air.
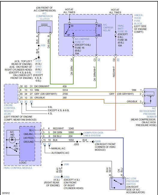
I have pulled the compressor relay and jumped pins 30 and 87, while jumped, engine running, call for ac in the cab I get cold air.
When checking pin 86 there is +12v. What is not happening is a ground signal at pin 85. I have checked the low-pressure switch and the two pins have continuity between the pins, leads me to believe refrigerate level is good. I have checked the wiring connector at the low-pressure switch for a ground and there is a good ground at this location on the black wire.
I have disconnected the battery and connected the positive and negative cables together for 3min then reconnected the battery. After I did this the ambient air temp being displayed on the info center was 12deg C. Even though it was 25 deg C outside. After a short while the reading corrected to the actual ambient temp and is still seemingly reading correctly.
I also pulled the HVAC battery fuse for 1 minute, reinstalled and then turned on the key, reading that this should initiate a HVAC control recalibration and I did not touch any controls for 60 seconds then turned of the key.
Still no ground signal at pin 85 of the compressor relay.
At this point I need to understand what else controls the ground signal to pin 85. I can then chase further sensors or broken wiring issues.
Wednesday, May 3rd, 2023 AT 8:48 PM










