Thursday, March 28th, 2019 AT 1:32 PM
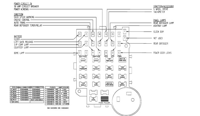
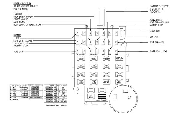
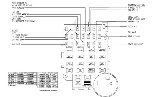
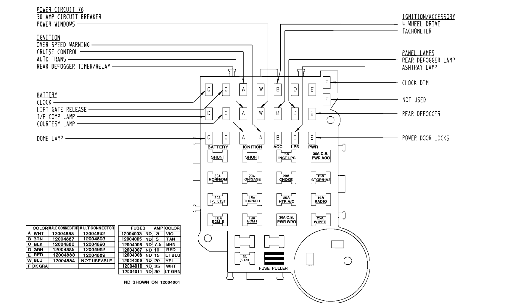
Drove my truck to the store left the lights on when I came back out the battery was dead. So I took the battery home and charged it. When I went back to install the battery I went to hook up the positive cable and it sparked and now truck turns over but will not start! Somebody got under the fuel tank when I crank it and said it must not be getting power to fuel pump, but I am not sure where I should start. I did check the fuses under the drivers side dash and all were corroded so I cleaned them up but nothing. Any ideas? Maybe one of the three relays located behind the power booster? Please help


