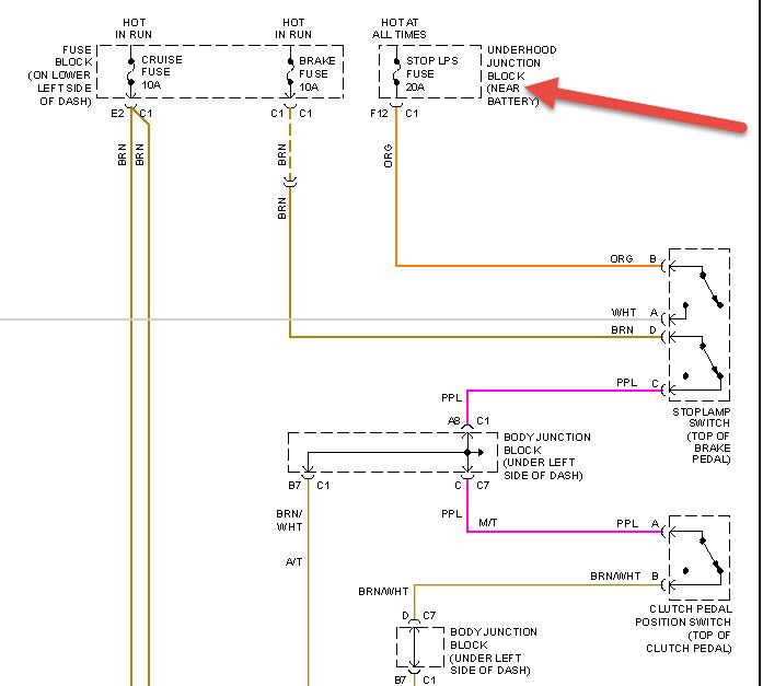
Everything else works fine. All of the lights on both the truck and trailer work as they should. I have replaced the brake light switch at the pedal but that did not solve the problem.
The brake light switch has six wires coming from it in these colors: Wt (grnd), Or (hot), Prp, Brn, Grn, Grn/Wt. None of the wires (except the orange wire) produce voltage when the brake pedal is applied. All of the wires (except the white ground wire) are hot when the ignition is turned on.
My questions are these: From where does the red wire on the brake controller get its power? How can I determine where the problem lies and how to fix it? Where can I find a high resolution wiring diagram?
Thanks.
Monday, March 3rd, 2014 AT 3:32 PM





