Saturday, December 31st, 2022 AT 6:37 AM
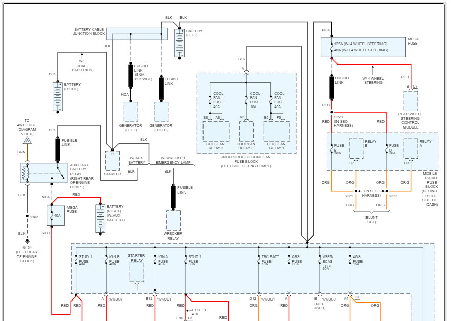
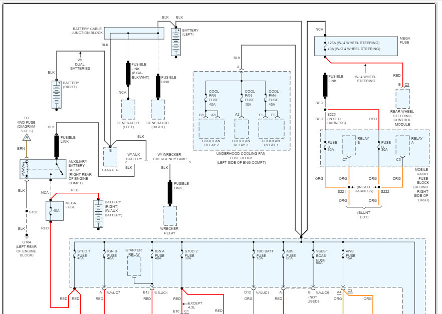
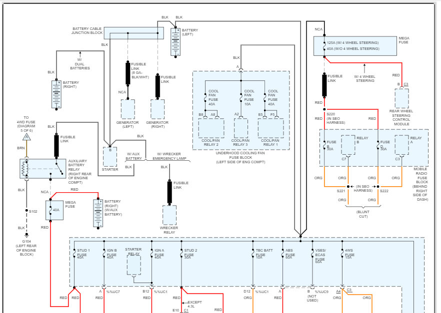
I was in the process of changing the door actuator mode on the driver's side and had removed the radio, HVAC controls and the box they were contained in to try to get a better look. I ran out of time and patience to finish the repair and put everything back together. When I reinstalled the radio, I turned the key one position to make sure it was hooked up properly and everything was fine. After I finished putting everything back together, I tried to start the truck, and nothing happened. No solenoid click. Nada Zero power anywhere. No horn, no lights anywhere etc. When I checked the voltage at the battery, it read zero. Unusual since the truck has been running fine and was running just before. I disconnected the terminals at the battery and the battery read just under 12 volts. I am assuming that there is a bad relay, bad fuse and/or a chafed wire causing a short. Is there something obvious that I am missing that went bad?



