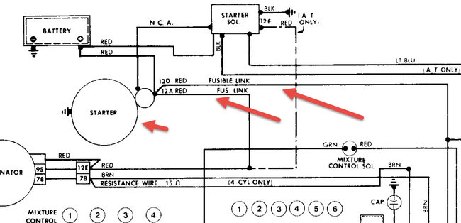
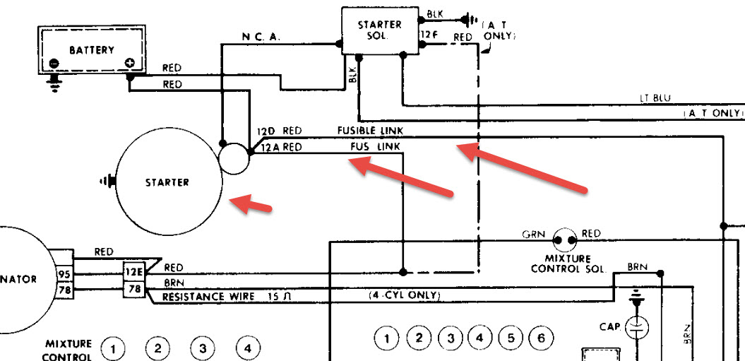
Saturday, January 30th, 2016 AT 8:11 AM
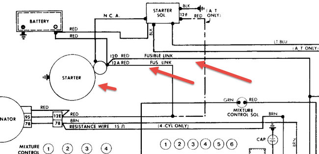
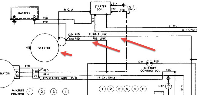
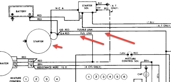
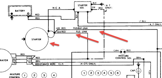
Made a u turn, everything went off, no headlights no radio nothing, checked fuses, battery good terminals tight, crossed starter silanoid will crank but no start like key off?



