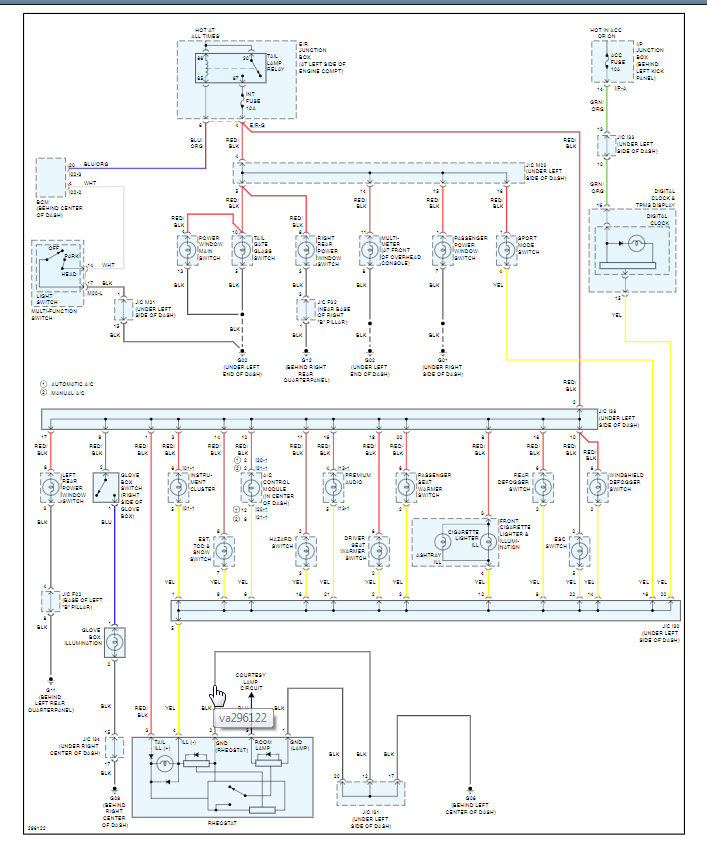
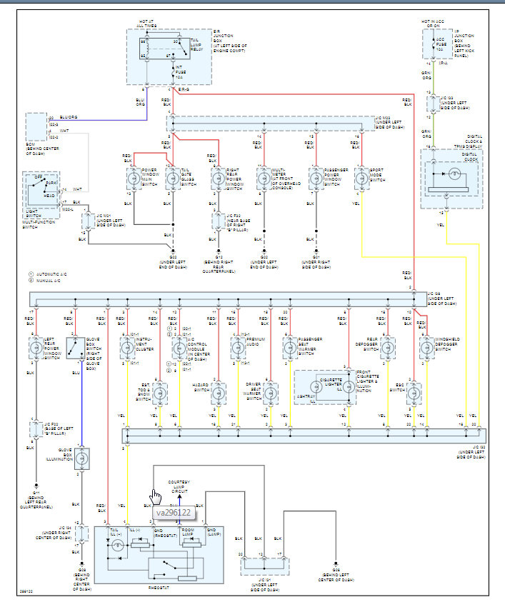
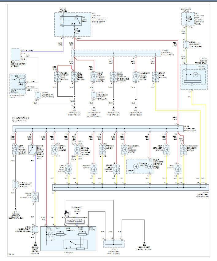
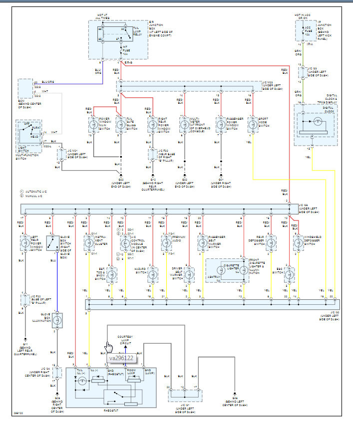
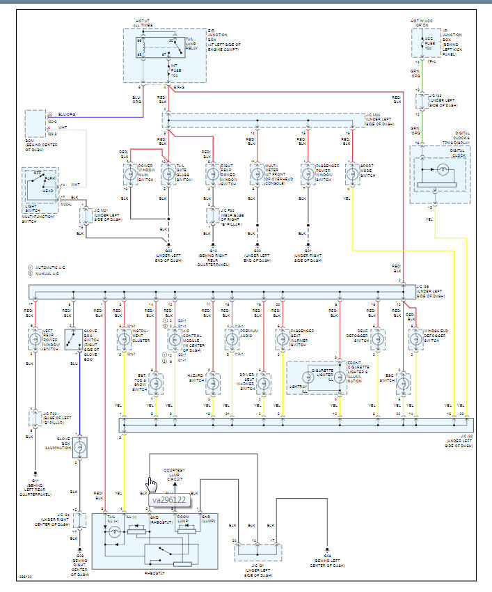
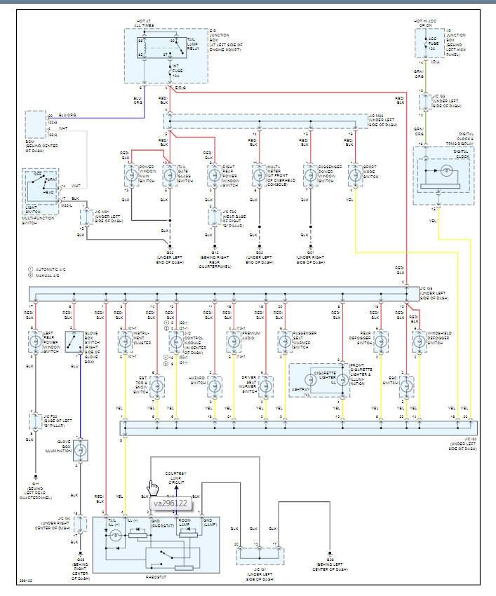
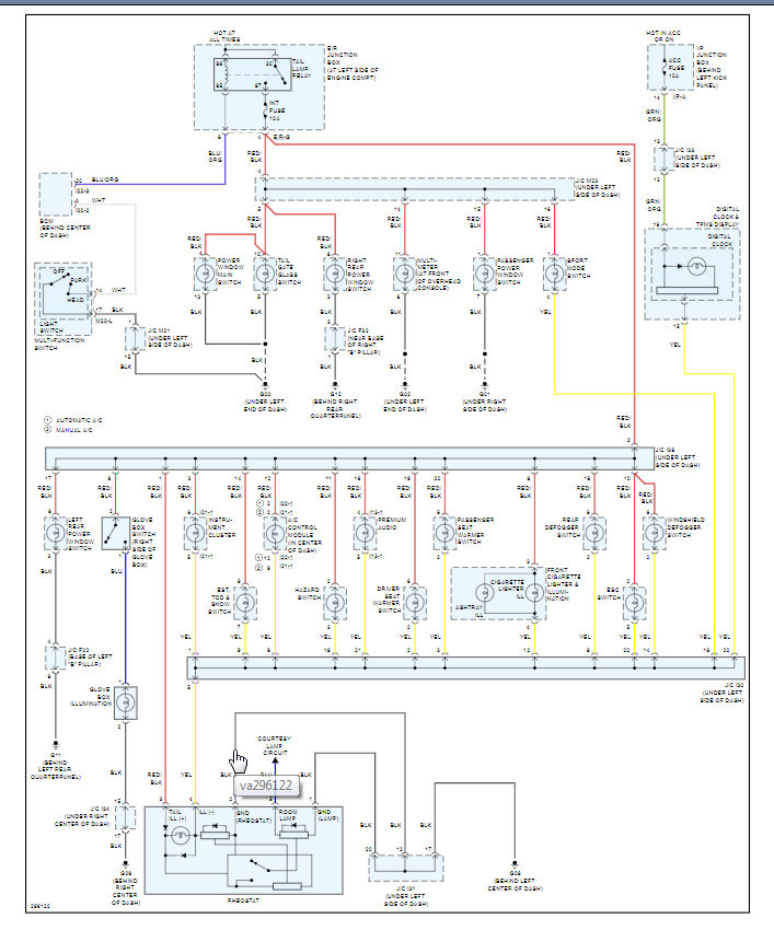
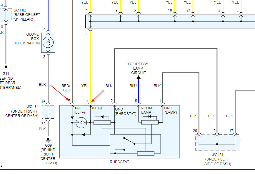
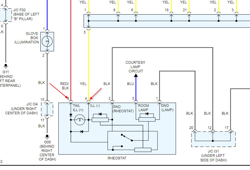
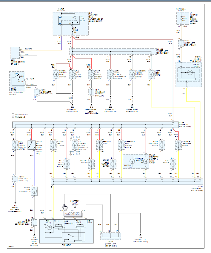
Back in the spring my ignition switch went out. So my dad replaced it for me. Unbeknownst to him my husband left the headlights on before he changed the part out. I thought it was fixed but when I went to drive the vehicle it was dark so I turned on my headlights and my dash lights went out. I just thought a reset would fix the issue with my 4wd low light on, ESC off light is on, airbag light is on basically all indicator lights on. When I went to back out of my driveway realized I was in 4low because turning is ridiculous. So now I always have the TCCS fuse pulled. I've tried the dimmer switch, full resets, checked fuses, and yesterday got a new battery because my old one stopped working. My dad is stumped. I'm thinking pull ignition switch and make sure everything is off that should be and it could be fixed when putting switch back in? Help please days are getting shorter and the snow is here.
Monday, October 26th, 2020 AT 9:48 AM



