Sunday, December 15th, 2019 AT 9:44 AM
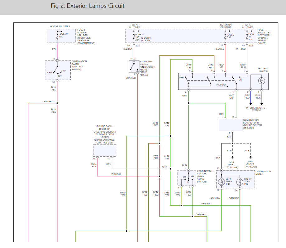
I changed all the fuses every single one, all the 7.5-10-15 an 20s. I also change the fuses 40 amps and 30 amp fuse both under the dash and in the hood. Still not working, but my headlights work and my brake lights. If anyone knows how to help me please. I'm at a loss.





