Tuesday, April 4th, 2023 AT 5:09 PM
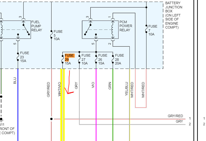
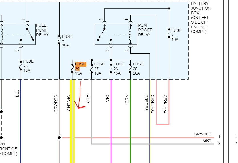
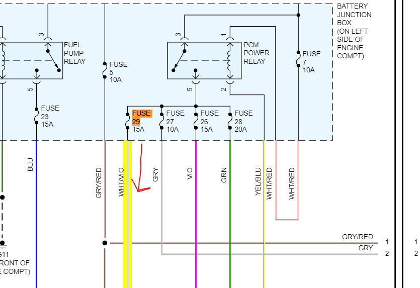
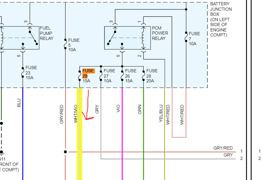
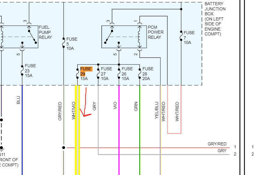
Shut off in parking lot. Turn the key would not start, turn over, click, nothing. Security and lights on cluster were blinking. Keys all work, fob works, tried resetting security system. Nothing. Towed to a buddy's, he scanned with a high-end scanner. Changed battery, changed starter, scanner was not showing instrument cluster, only thing not showing up. Was told might be security module in back of cluster causing this. Changed that out still doing the same thing. Have not scanned it yet, wondering if it might be a short or fuse. Wondering where to look? And where to find a wiring diagram for this vehicle?












