No cranking

Tiny
TOMMY AUTO
  • MEMBER
  • 1995 VOLVO 850
  • 2.3L
  • 5 CYL
  • TURBO
  • 2WD
  • AUTOMATIC
  • 16,589 MILES
Engine will not crank. Checked starter okay. Checked key switch okay.
Tuesday, March 3rd, 2020 AT 1:50 PM

2 Replies

Tiny
SCGRANTURISMO
  • MECHANIC
  • 4,897 POSTS
Hello,

What exactly is your vehicle doing when you turn the ignition switch? Nothing, sounds like a machine going off, just a click, or something else?

Thanks,
Alex
2CarPros
Was this
answer
helpful?
Yes
No
Tuesday, March 3rd, 2020 AT 4:32 PM
Tiny
KASEKENNY
  • MECHANIC
  • 18,907 POSTS
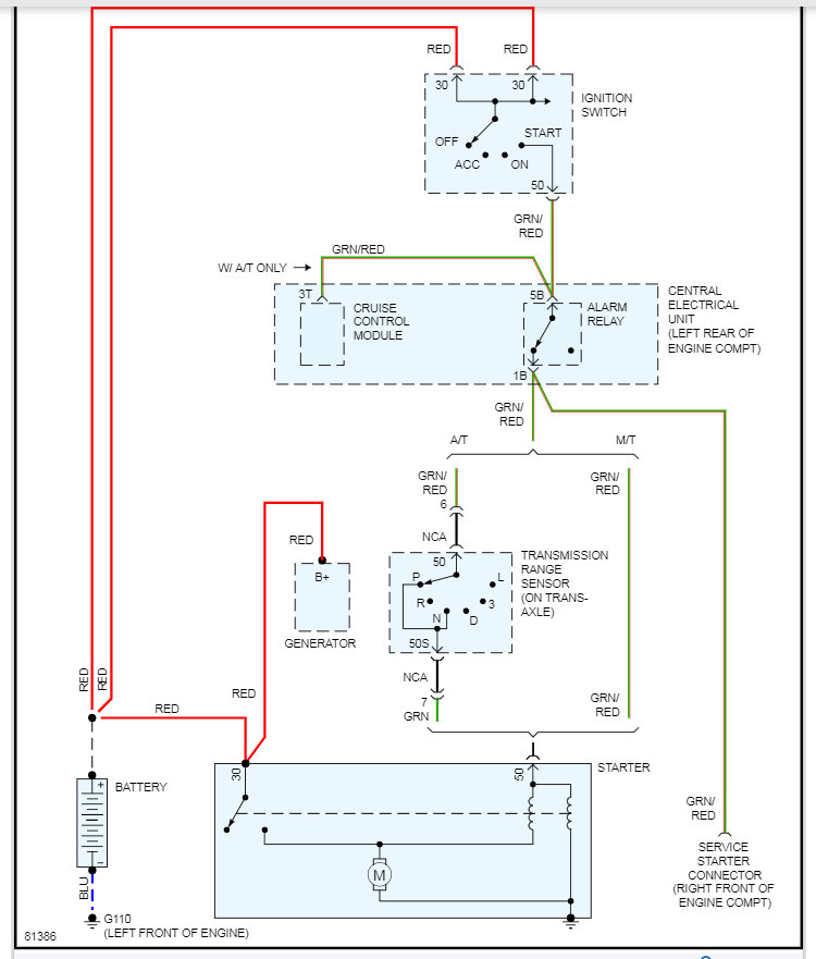
Couple things. Take a look at the wiring diagram. We need to check voltage at the starter on the two wires. You should have 12 volts on both wires when cranking the engine. If you don't have voltage on the red wire then we need to check wiring to the battery. If you don't have it on the green/red wire then we need to go before the range sensor and see if there is voltage coming in. If not, keep working backwards until you find voltage.

If you do have voltage going into the TRS and nothing at the starter, I suspect it is the issue.

Let me know if you have questions.
Was this
answer
helpful?
Yes
No
Tuesday, March 3rd, 2020 AT 4:39 PM

Please login or register to post a reply.