No crank, no start, or even a click?

Tiny
JAMIE599
  • MEMBER
  • 2014 CADILLAC ATS
  • 3.6L
  • V6
  • 4WD
  • AUTOMATIC
  • 35,555 MILES
No obd2 power. No security light at all, all lights come on as they should, it even has the date and time correct on the stereo after sitting with a dead battery, also put a new ECM on the car. Please help me I’m overwhelmed.
Tuesday, November 8th, 2022 AT 3:34 PM

9 Replies

Tiny
JACOBANDNICKOLAS
  • MECHANIC
  • 110,194 POSTS
Hi,

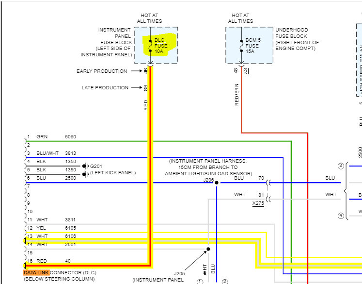
Let's start with the data link connector. I attached a pic of the connector below. I highlighted pin 16 and circled 4 and 5.

Check pin 16 for battery voltage at all times. Pins 4 and 5 are grounds. Confirm there is continuity to ground.

If there is no power, I need you to check the DLC fuse in the instrument panel fuse box. I attached two pics below. Pic 2 is for a late production and pic 3 is an early production vehicle. They moved the fuse. LOL When you check this fuse, not only is it important to confirm the fuse is good, but also you need to confirm there is power to and from the fuse.

Here is a link you may find helpful:

https://www.2carpros.com/articles/how-to-check-a-car-fuse

Do this and let me know the results.

Take care,

Joe

See pics below.
Was this
answer
helpful?
Yes
No
+1
Tuesday, November 8th, 2022 AT 9:03 PM
Tiny
JAMIE599
  • MEMBER
  • 5 POSTS
Okay, I will go try everything you sent tomorrow and let you know the results. Thanks so much for helping me it’s greatly appreciated!
Was this
answer
helpful?
Yes
No
Wednesday, November 9th, 2022 AT 12:12 PM
Tiny
JACOBANDNICKOLAS
  • MECHANIC
  • 110,194 POSTS
Hi,

No problem whatsoever. Let me know what you find, and we'll go from there.

Take care,

Joe
Was this
answer
helpful?
Yes
No
+1
Wednesday, November 9th, 2022 AT 4:59 PM
Tiny
JAMIE599
  • MEMBER
  • 5 POSTS
Okay, so I checked everything you said. Both grounds are good but no constant power or power at all to pin 16. Checked the DLC fuse and have power to both sides. Now what I’m stumped here! Thanks in advance. I’m here with the car rite now, so if you get this and think of anything let me know.
Was this
answer
helpful?
Yes
No
Thursday, November 10th, 2022 AT 10:07 AM
Tiny
JACOBANDNICKOLAS
  • MECHANIC
  • 110,194 POSTS
Hi,

The red wire that goes to the DLC may be damaged. What you need to do is trace it to see where power is lost. If the fuse has power, something is preventing it from getting to the pin.

By chance, have you checked the connectors at the DLC?

Let me know.

Joe
Was this
answer
helpful?
Yes
No
Thursday, November 10th, 2022 AT 7:25 PM
Tiny
JAMIE599
  • MEMBER
  • 5 POSTS
Yes, checked the connectors at the DLC. Power port works (cigarette lighter) in older vehicles. Notices horn doesn’t work as well. I tried following the red wire, it’s impossible without taking the whole dash out! DLC fuse has power, but I only see brass on one side of where the fuse plugs in. I’m lost completely. Any help is appreciated.
Was this
answer
helpful?
Yes
No
Thursday, November 10th, 2022 AT 9:03 PM
Tiny
JACOBANDNICKOLAS
  • MECHANIC
  • 110,194 POSTS
Hi,

It's interesting that you see brass on one side. The connector should have brass on both sides (actually copper).

Take a pic of what you are seeing and upload it for me to see. As far as the DLC, we need to find where that wire is losing power. Now that you described the connector differently than what I would have expected, I question if that is where the problem is.

Let me know.

Joe
Was this
answer
helpful?
Yes
No
Friday, November 11th, 2022 AT 9:18 PM
Tiny
JAMIE599
  • MEMBER
  • 5 POSTS
Diagram says it runs from the fuse straight into pin 16, but when I look at it, I don’t see how that’s possible.
Was this
answer
helpful?
Yes
No
Sunday, November 13th, 2022 AT 10:06 AM
Tiny
JACOBANDNICKOLAS
  • MECHANIC
  • 110,194 POSTS
What is presently in pin 16? Is it a red wire? Let me know why you feel it doesn't seem possible.

Let me know.

Joe
Was this
answer
helpful?
Yes
No
Sunday, November 13th, 2022 AT 4:15 PM

Please login or register to post a reply.