Monday, January 9th, 2023 AT 4:18 PM
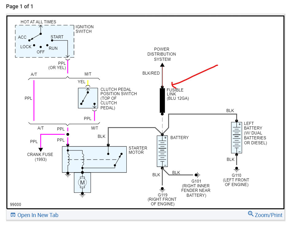
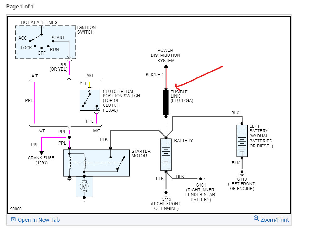
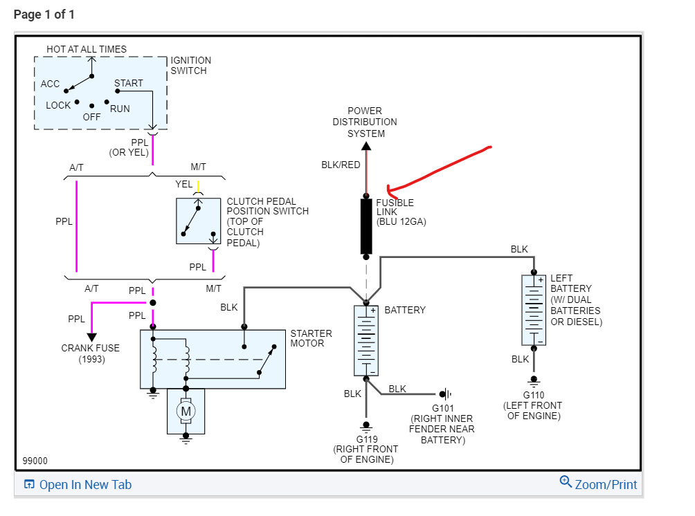
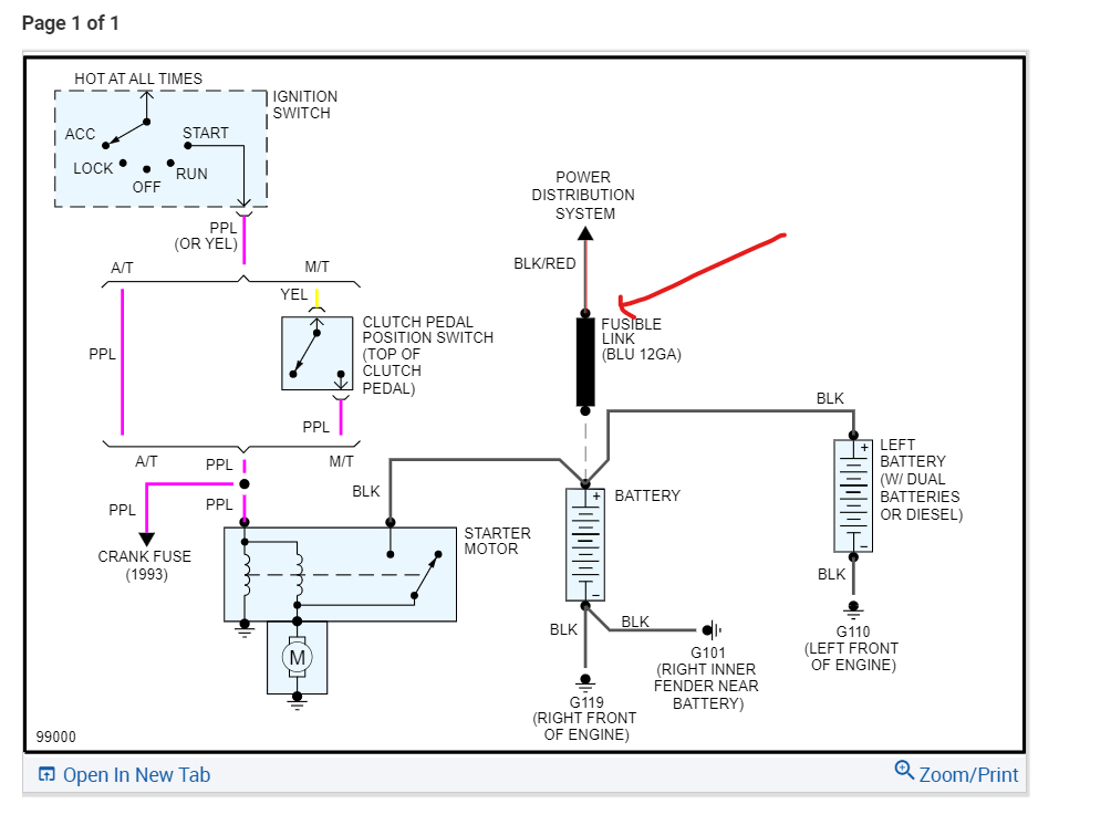
I have the truck listed above that cut out while driving. At first thought a fuse and checked all under dash and they are all good. Same with junction block under hood getting 12.77 V same as battery there. I was thinking ignition switch but it does not explain why electric door locks don't work either as they are not switchable. Any ideas on what to test would be appreciated.






