No crank no start

Tiny
JEFFB766
  • MEMBER
  • 2005 KIA SORENTO
  • V6
  • 2WD
  • AUTOMATIC
  • 130,000 MILES
Drove car stopped at store went in came out put key in lights come on like normal on dash turn the key and nothing no click. It has a new battery that can put relay bypass in starter relay and it cranks changed relay still nothing.
Friday, March 18th, 2022 AT 7:57 AM

9 Replies

Tiny
JACOBANDNICKOLAS
  • MECHANIC
  • 110,192 POSTS
Hi,

If you are able to jump the starter relay and it cranks, then we know the starter is good. So, that leaves wiring, the transmission range sensor, and the crank fuse.

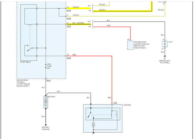
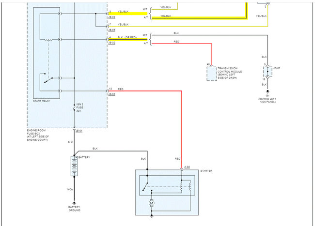
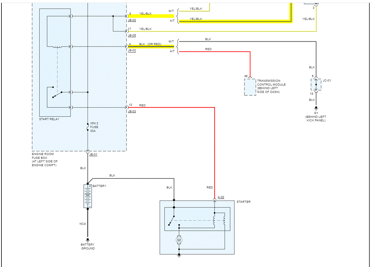
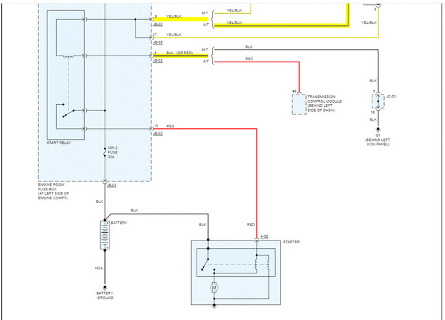
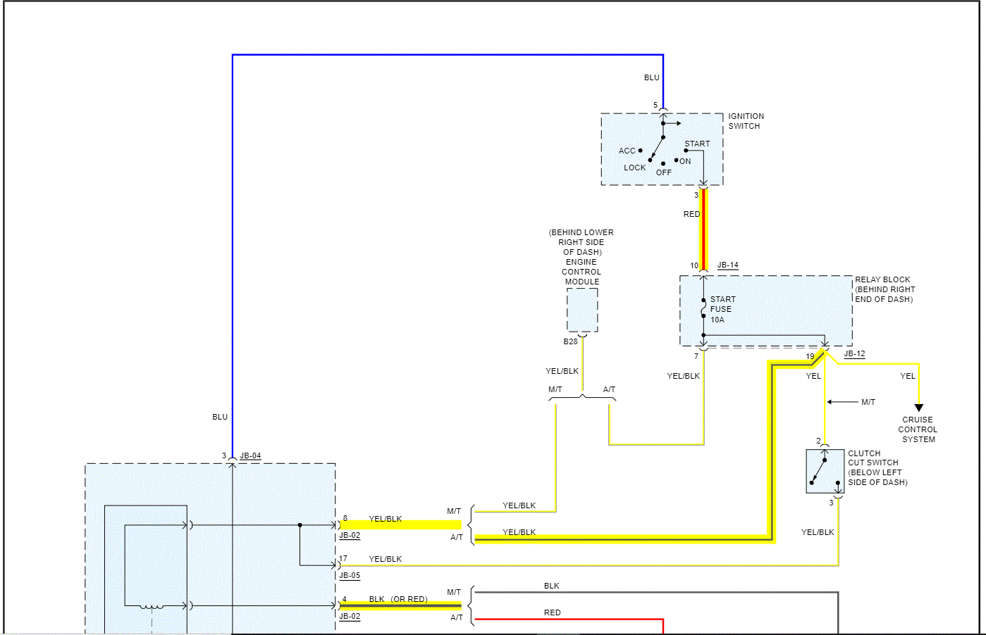
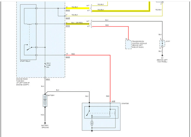
I attached the wiring schematic for your review below. Do me a favor. Shift the transmission into neutral and see if it starts. If it doesn't, then I need to know if the start fuse at the right end of the dash panel is good. In addition to the fuse being good, I need you to confirm there is power to it. Power to the fuse will only be present when the key is in the start position, so you may want to have a helper cycle the switch while you check.

Let me know what you find or if you have questions

Take care,

Joe

See pics below. Note: The schematic was cut in half to make it readable for you. I did overlap them so you can follow from one to the next. The last pic shows the fuse to check in the fuse panel (right side of dash).
Was this
answer
helpful?
Yes
No
Friday, March 18th, 2022 AT 8:27 PM
Tiny
JEFFB766
  • MEMBER
  • 7 POSTS
I should have gone into more Indepth. I have tried it in neutral same outcome. I also did not mention that I noticed my remote control on my key chain will not do anything either. I tried locking doors with remote and it doesn't do anything usually parking lights will blink nothing happens and it doesn't lock or unlock doors. I tried rest of buttons on key remote same result nothing. I figured since the remote isn't working either it may be the factory remote start/security box. Since I sent you the question, I have also located the factory remote start and security box it contains fuses in this also. I checked them and everything is good also. If the Ignition switch was bad thought, it should start with remote but remote isn't working and I did put in new battery in remote to make sure that wasn't the problem. I just checked for power to start fuse no there is no power either side of fuse that's with power on and trying to start also. I went through the rest of fuses and all have power but that one.
Was this
answer
helpful?
Yes
No
+2
Saturday, March 19th, 2022 AT 1:37 PM
Tiny
JEFFB766
  • MEMBER
  • 7 POSTS
I should have also said I put a new fuse in start fuse and still do not have power on either side of use put fuse in another spot and fuse shows power.
Was this
answer
helpful?
Yes
No
+1
Saturday, March 19th, 2022 AT 1:41 PM
Tiny
JEFFB766
  • MEMBER
  • 7 POSTS
I have also tested ignition switch and have 12v coming from switch when turned to crank position.
Was this
answer
helpful?
Yes
No
Saturday, March 19th, 2022 AT 3:10 PM
Tiny
JEFFB766
  • MEMBER
  • 7 POSTS
I guess I will take tape off wire harness and follow the red wire, if I'm getting power when I turn switch to start and it's not making it to start fuse there must be a short in between that's where I believe the remote start comes in. Not sure but that's my next guess. If I can see where the wire is connecting to remote start maybe I can jump it pass it to the fuse.
Was this
answer
helpful?
Yes
No
Saturday, March 19th, 2022 AT 3:20 PM
Tiny
JEFFB766
  • MEMBER
  • 7 POSTS
Final update: turns out the remote start must have gone bad. While running wires all wires going from switch went to remote traced back to where they connected back into factory harness. So, I just unplugged remote harness and connected factory plug back into switch and cranked car up. Thanks for the help.
Was this
answer
helpful?
Yes
No
Saturday, March 19th, 2022 AT 4:17 PM
Tiny
JACOBANDNICKOLAS
  • MECHANIC
  • 110,192 POSTS
Hi,

I didn't realize there was a remote start. It was likely an aftermarket. I have run into similar situations myself where simply reconnecting the OEM connectors and eliminating an aftermarket harness has repaired the issue.

Regardless, I'm glad you found the issue. At least we knew where the power was stopping.

Take care of yourself and please feel free to come back anytime in the future. You are always welcome here.

Joe
Was this
answer
helpful?
Yes
No
Saturday, March 19th, 2022 AT 7:41 PM
Tiny
JEFFB766
  • MEMBER
  • 7 POSTS
Hey Joe, just FYI it was a factory remote installed by Kia. We bought the car new, so I never added to it I had factory do all the work and the remote did say Kia.
Was this
answer
helpful?
Yes
No
Sunday, March 20th, 2022 AT 3:59 AM
Tiny
JACOBANDNICKOLAS
  • MECHANIC
  • 110,192 POSTS
Thanks for the update. When you mentioned unplugging the remote harness and reconnecting the factory connectors allowed it to run, I assumed it was aftermarket.

I have to thank you for this update. I have a feeling it will help many others in the future.

Take care and please feel free to come back in the future.

Joe
Was this
answer
helpful?
Yes
No
Sunday, March 20th, 2022 AT 5:55 PM

Please login or register to post a reply.