Sunday, October 2nd, 2016 AT 7:30 PM
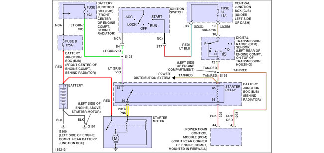
This is a DOHC. All lights come on dash, no theft lamp, starter is brand new. Power to starter, nothing from trigger wire-all fuses and relays are good. I have been on this for two days now and do not know what or where to test next. Can anyone please, please help on what to check next?



