Monday, February 7th, 2022 AT 11:01 AM
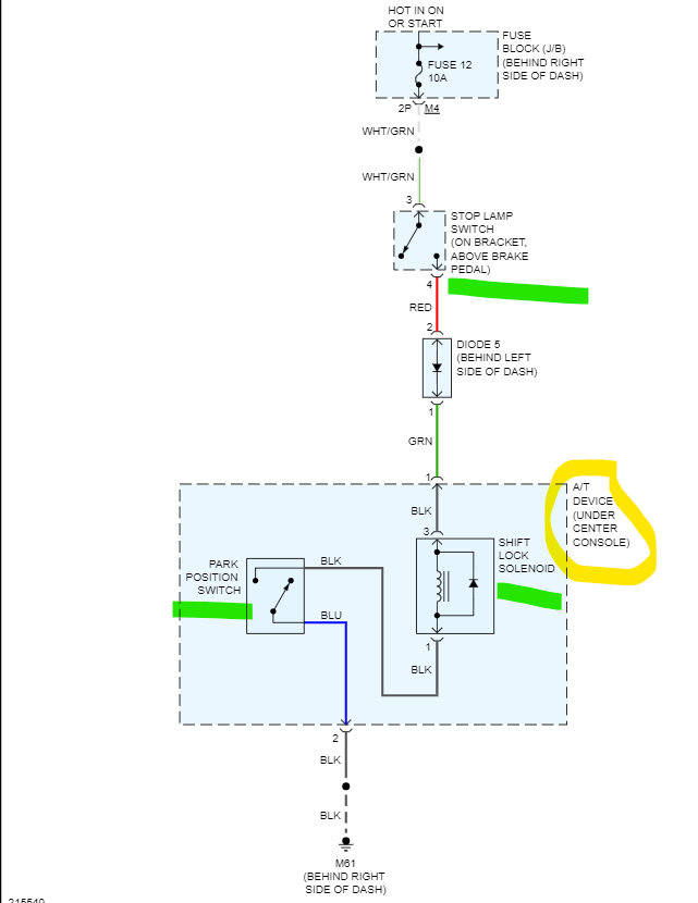
Need exact location of neutral (Transfer, Ranger Sensor) position (Positive, Safety) switch and what does it look like (too many names for this one part). It's the next step in my diagnosis of the problem. Already verified all relays in IPDM are working okay. Can start vehicle by bypassing starter relay. A secondary issue or related once started, in drive, vehicle is in limp mode.






