No crank no start?

Tiny
JESSE69
  • MEMBER
  • 1997 PONTIAC GRAND PRIX
  • 3.1L
  • V6
  • 2WD
  • AUTOMATIC
  • 6,000 MILES
Battery 11 volts standing.
Turn switch on dash lights up.
Turn key to start no click.
Tried jumping to no avail.
Saturday, July 29th, 2023 AT 1:25 PM

1 Reply

Tiny
JACOBANDNICKOLAS
  • MECHANIC
  • 110,194 POSTS
Hi,

The battery is a little weak, but you should hear something. Have you tried starting it in neutral to see if that makes a difference?

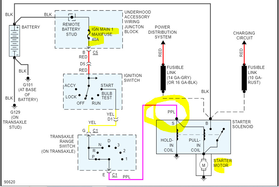
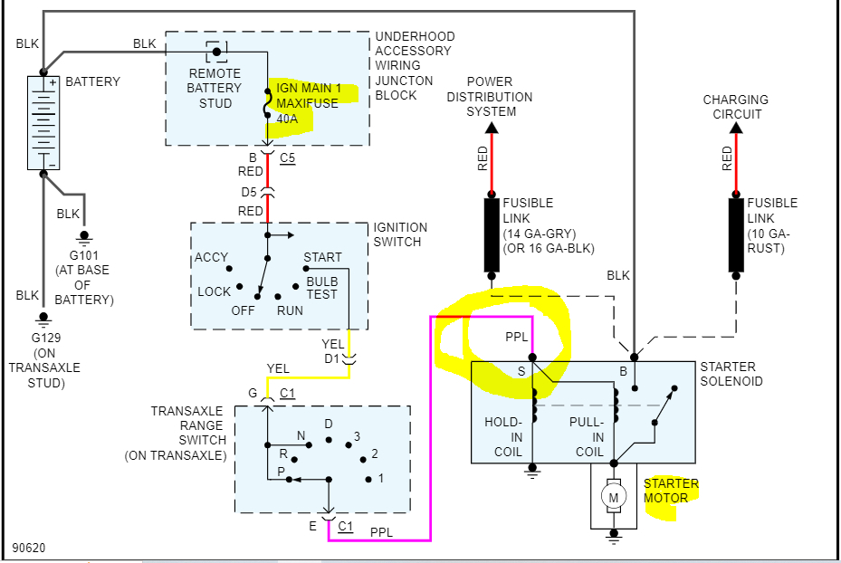
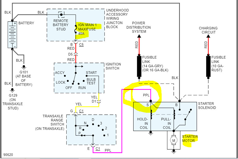
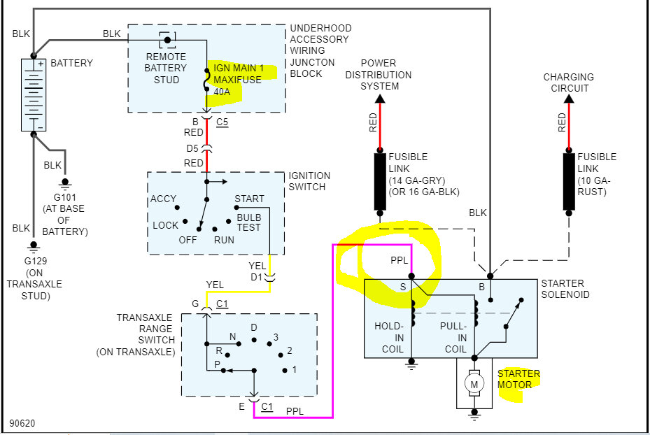
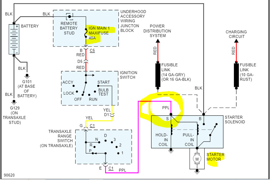
If you look below, I attached the wiring schematic for the starter circuit. Here is what I need you to do. First, check the "Ignition Main Fuse 1" in the under-hood junction box. In addition to checking the fuse, confirm there is power to and from it.

If the fuse is good, then we need to check for power at the starter motor. At the starter, there will be a heavy gauge black wire that has battery voltage at all times. There will also be a smaller gauge wire that is purple.

The purple wire will not have power unless the ignition key is in the start position. So, have a helper turn the key to the start position while you check for voltage at the purple wire.

If there is power at the purple wire, replace the starter motor. If there isn't, let me know and we will work backward to see where power is lost.

Also, here is a link you may find helpful:

https://www.2carpros.com/articles/starter-not-working-repair

Let me know what you find.

Take care,

Joe

See pic below.

Was this
answer
helpful?
Yes
No
Saturday, July 29th, 2023 AT 9:53 PM

Please login or register to post a reply.