No crank, no start

Tiny
MALIK GRUBB
  • MEMBER
  • 2007 BMW 328XI
  • 3.0L
  • 2WD
  • AUTOMATIC
  • 220,000 MILES
I just bought it, drove it home. The next morning drove it to the gas station filled it up. On the way there my oil pressure light came on. I got home turned it off and now it wont crank at, all wont even attempt to start, no acc.
Replaced battery and checked fuses and can't seem to figure out what's going on. But I noticed when I pressed the start/stop button to turn it on the wiper blades turn on and wont turn off until I hit the start/stop again.
Any ideas of what it could be?
Wednesday, June 17th, 2020 AT 9:31 PM

3 Replies

Tiny
JACOBANDNICKOLAS
  • MECHANIC
  • 110,194 POSTS
Hi,

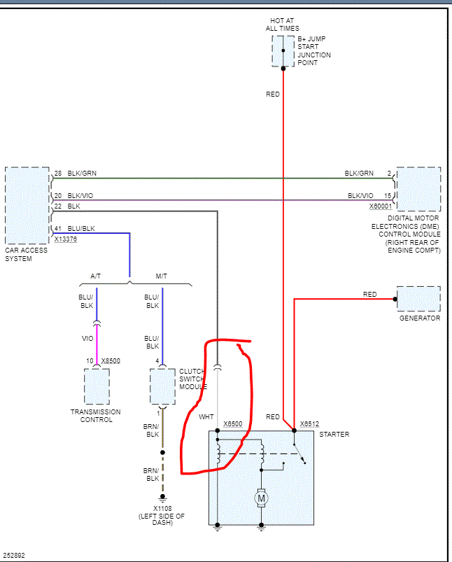
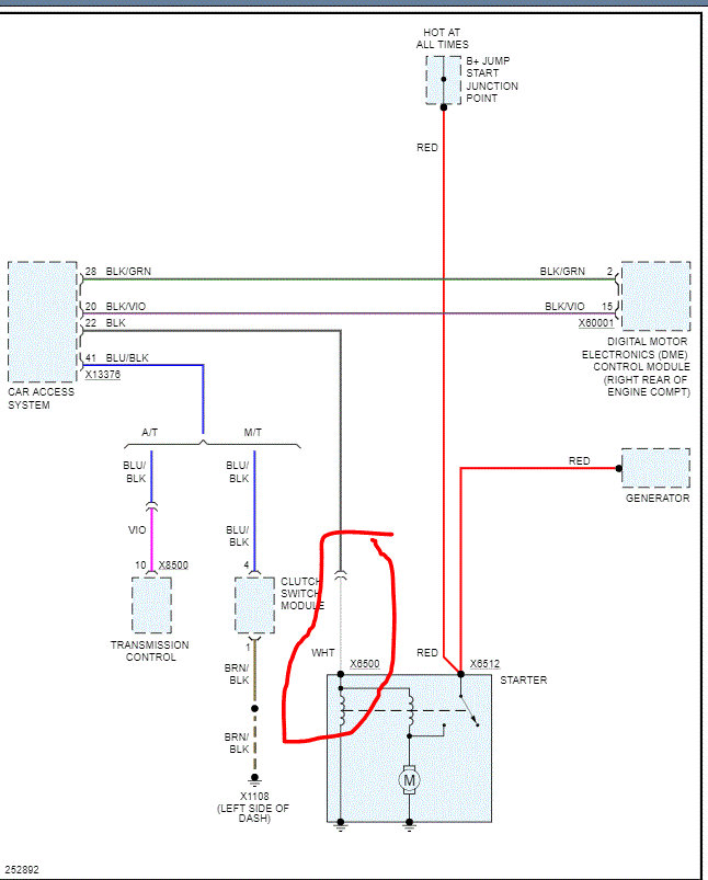
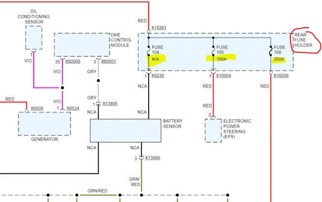
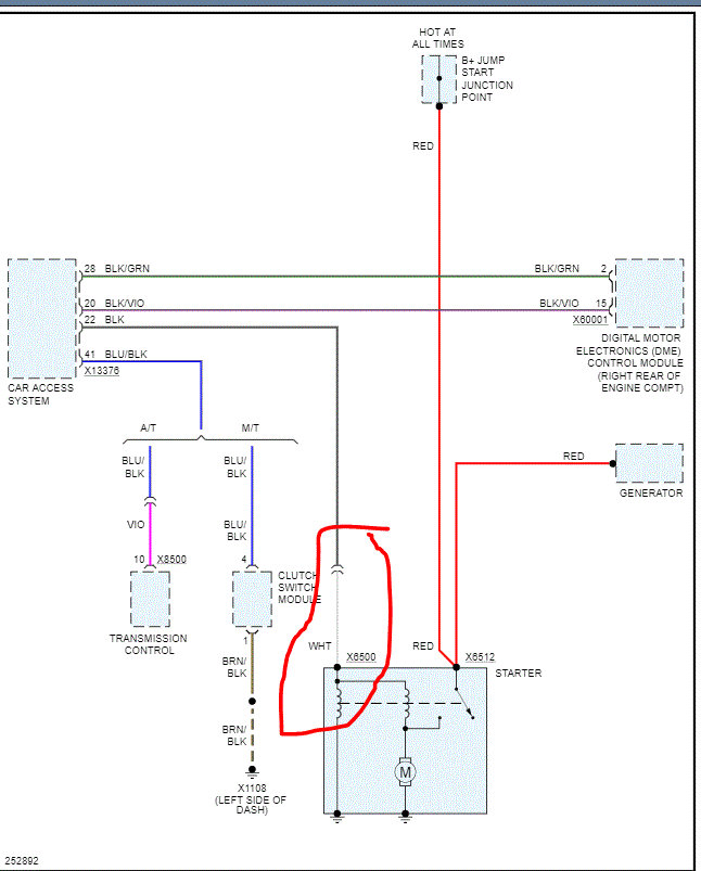
Can you tell me if the lights dim or anything indicates the starter motor is getting power? Is there a click or anything when you try to start the vehicle? I attached a pic below of the starting system. Also, here is a link that explains how to check of the starter is getting power, but on this vehicle, I believe the starter motor is under the intake.

https://www.2carpros.com/articles/starter-not-working-repair

I have to be honest, I'm concerned that the oil light came on. Was there any knocking or ticking from the engine? Was it low on oil?

Also, there is what is called an intelligent battery sensor which is part of the negative battery cable. If that fails, this could happen as well. Often times, corrosion from the battery will damage the cable so check for that as well.

Let me know what you find.

Joe

Was this
answer
helpful?
Yes
No
Wednesday, June 17th, 2020 AT 10:41 PM
Tiny
MALIK GRUBB
  • MEMBER
  • 2 POSTS
There's no sound all. The power seats work as well as the radio, but nothing on the dash lights up at all. The oil was low, I filled it back up and no knocking or ticking. I would have to check the battery terminal I am not sure on that.
Was this
answer
helpful?
Yes
No
Wednesday, June 17th, 2020 AT 10:45 PM
Tiny
JACOBANDNICKOLAS
  • MECHANIC
  • 110,194 POSTS
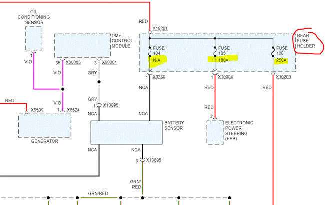
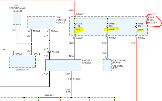
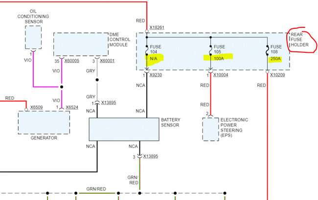
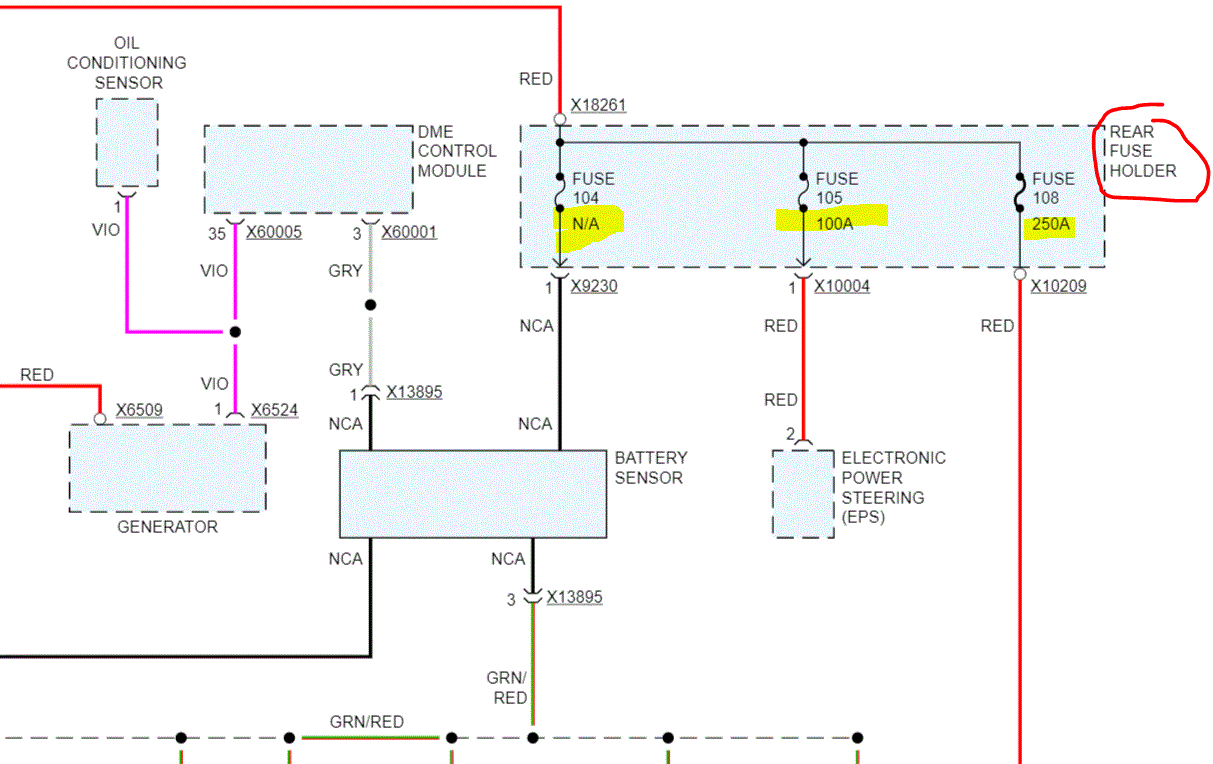
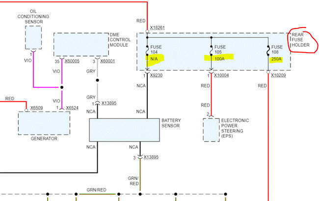
Let me know what you find on the cable. Also, I attached a pic below. Check the fuses I highlighted.

Let me know what you find.

Joe
Was this
answer
helpful?
Yes
No
Wednesday, June 17th, 2020 AT 11:10 PM

Please login or register to post a reply.