Thursday, January 24th, 2019 AT 10:58 AM
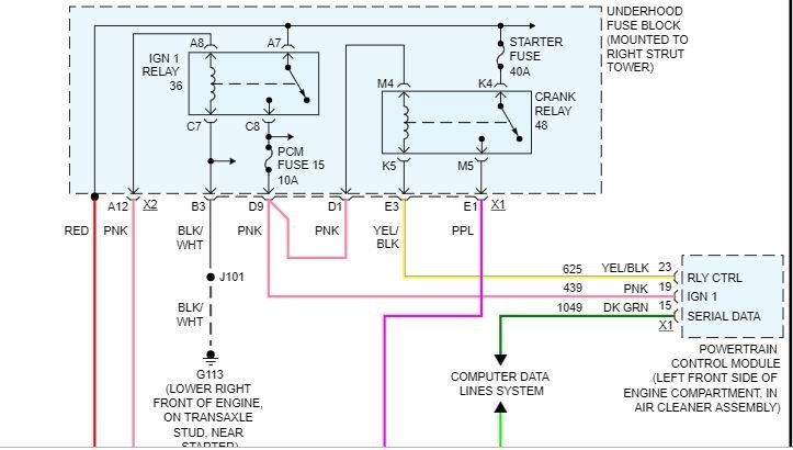
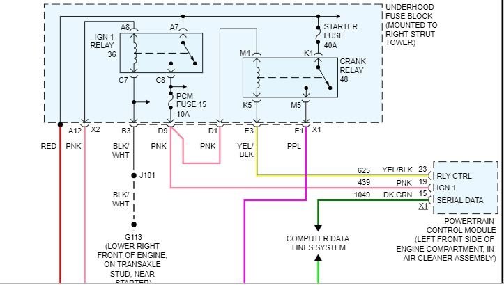
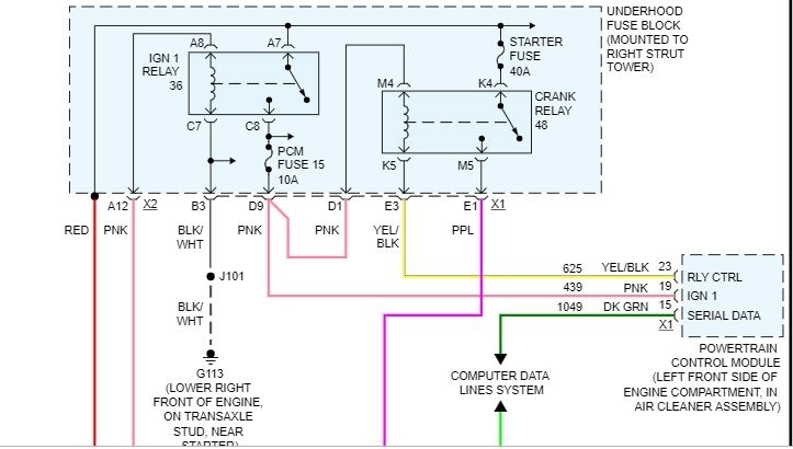
Hi there, after doing a engine swap on my Grand Prix I am faced with a no crank, no start issue. My original motor was a 2008, 3.8l series 2 and I swapped it with a 2007 3.8l series 2 out of a Buick. To be safe I swapped all sensors from old engine to new, I also used old ignition control module and coils, I put new plugs in as well all grounds are hooked up and cleaned before hooking up and I have power to the starter. When I went to start for first time, I turned key, lights turned on, when I went to start, nothing I could hear relay click once after letting off key, however I just noticed when I turn key to "on" position my information center turns on then shuts off.











