Saturday, July 8th, 2023 AT 6:01 AM
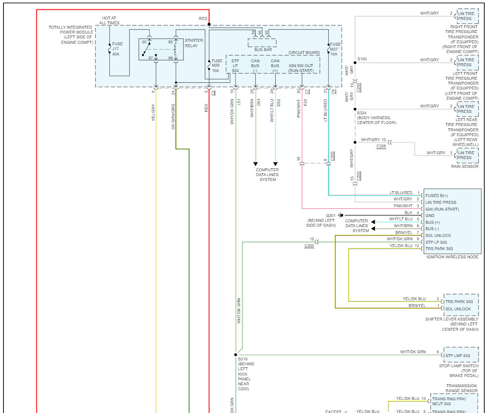
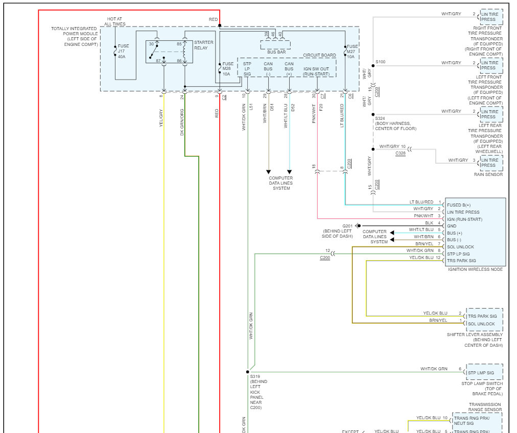
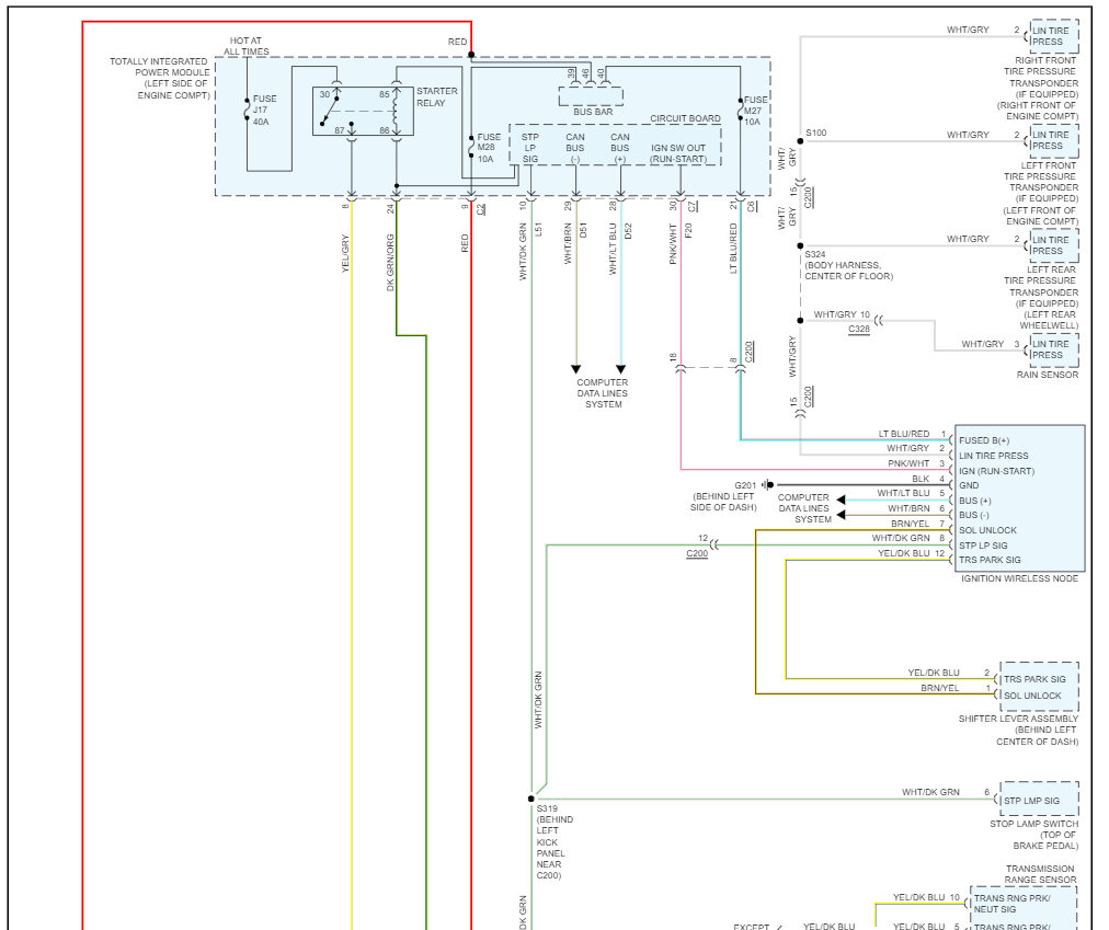
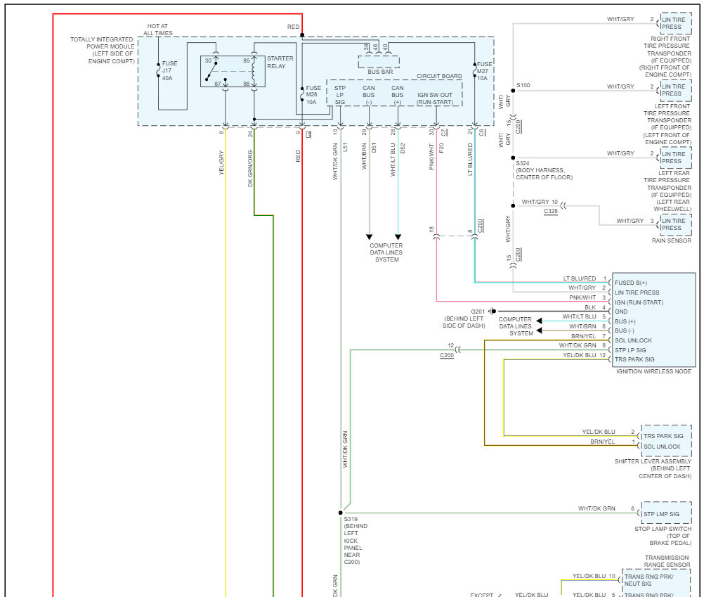
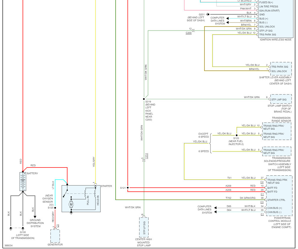
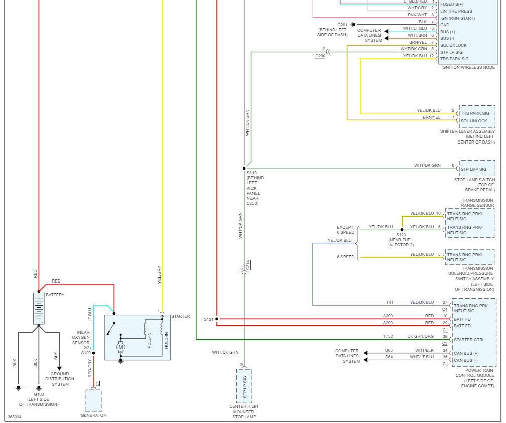
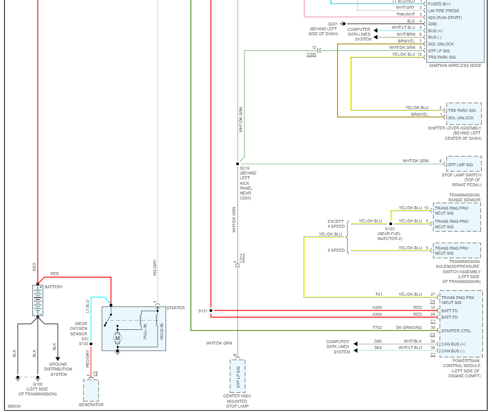
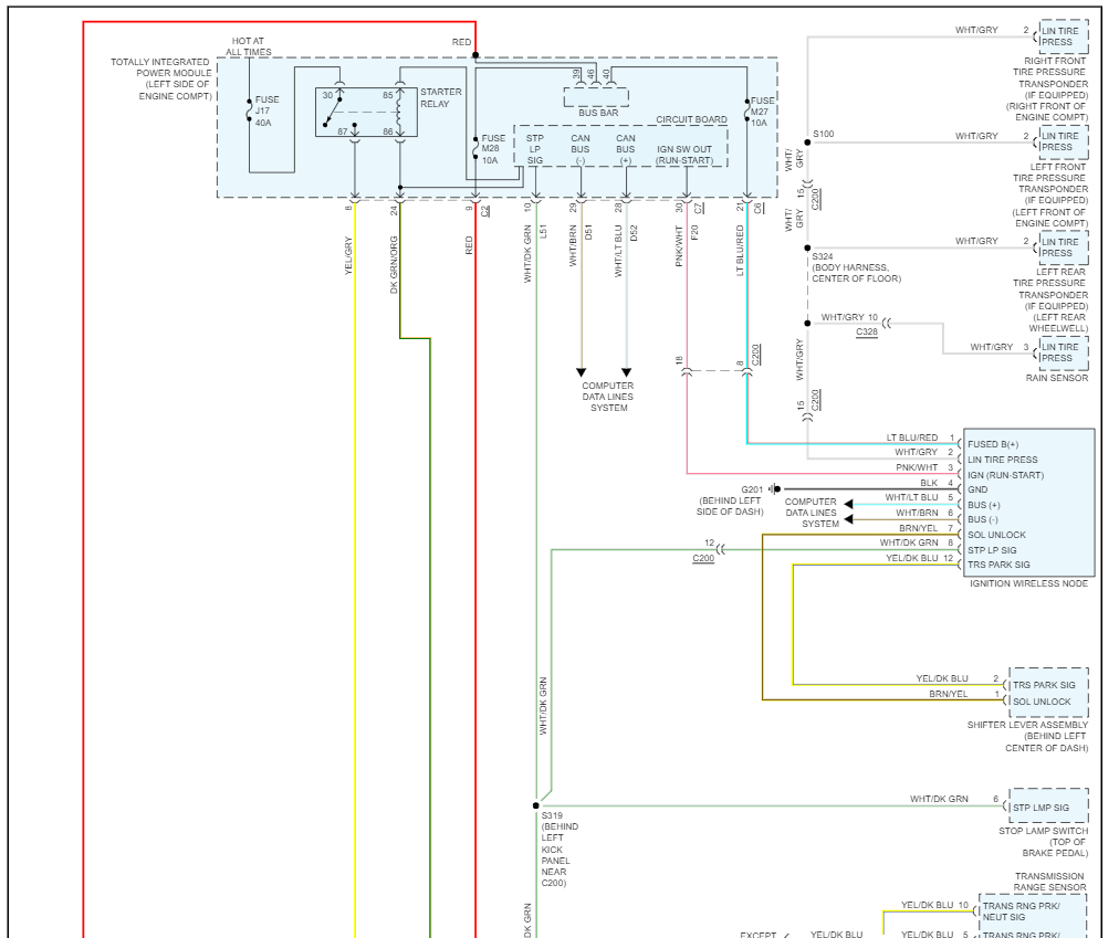
When I turn the key fob the instrument cluster comes on but won’t crank or anything. Just acts as if the battery is drained. Check battery and appears fine and terminals are clean. Still nothing. The next day starts just fine without delay. There was a recall on the win module that was replaced at the time, so I hope that has nothing to do with it. Thanks in advance for any help!











