Saturday, September 28th, 2024 AT 6:14 PM
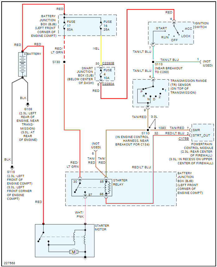
Been working on the vehicle listed above that my friend recently purchased. When she got it, someone had installed a button that ran a wire to the battery and the starter, so you had to turn the key to start, then hit the button to jump the starter and start the vehicle. When she adjusted the steering wheel, the wires touched somewhere and melted. It almost caught the vehicle on fire. The battery was fried along with the starter. I replaced the battery and starter and ignition switch thinking that was the reason it wasn't cranking. It didn't help. Only getting a clicking sound from a relay on the back of the interior fuse box. Then I noticed the digital shift indicator on the dash said the vehicle was in drive. So, I assume the computer thinks the vehicle is in drive and not allowing the starter to crank. I took the shifter assembly apart and checked the shift indicator there and it was fine. I'm able to get it to run if I jump the starter like it was but I'd really rather fix the real problem. Not sure what to do next. Do I take the instrument cluster out? Is there anything on it that could be the cause of the problem? Is it a computer issue? Any help greatly appreciated.








