Tuesday, June 20th, 2023 AT 10:08 AM
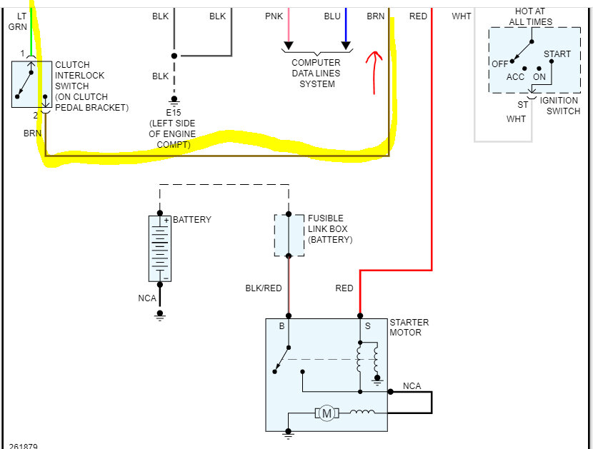
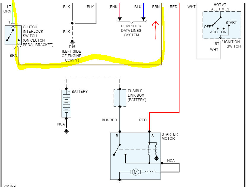
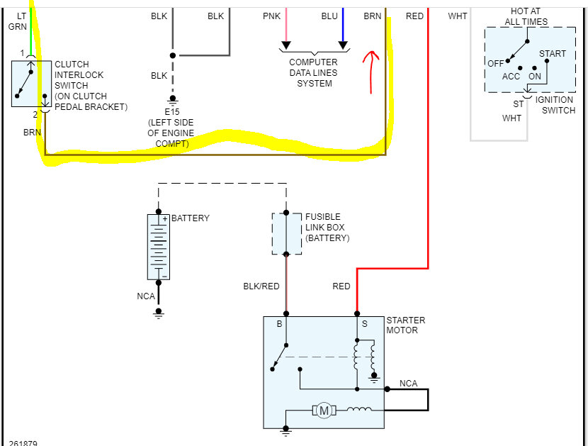
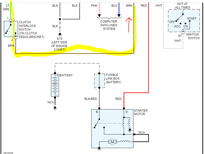
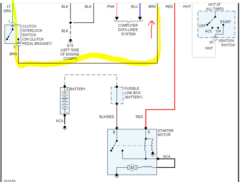
Pulled into the gas station yesterday, went in came back out and got no crank, no click, but power to everything. Battery is 3 months old; I've tested it and it's good. I traced power from the battery back to the fuse panel where the relay is, and no power comes from pin 30.




