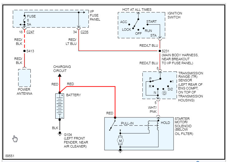
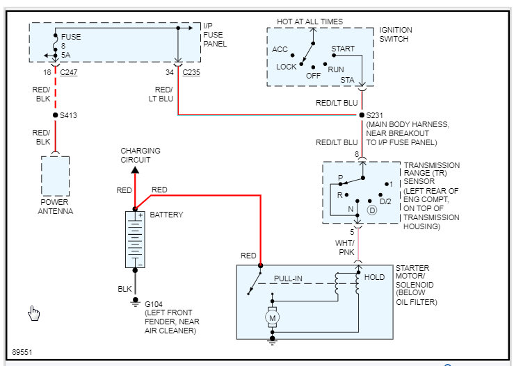
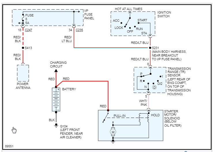
Friday, February 28th, 2020 AT 3:13 PM
Our car listed above is an LS model. There's no clicking, no sounds. Starter was replaced, battery is good, we checked fuses and starter relay. We also replaced the neutral safety switch. What else should we be looking at?



