No crank

Tiny
GODSINGER
  • MEMBER
  • 1996 NISSAN MAXIMA
  • 194 MILES
When I turn ignition switch to the “on” position, car will no crank and no solenoid click can be be heard. There is 12.78v at the battery with no drop after 30 minutes.
Sunday, June 21st, 2020 AT 9:24 PM

1 Reply

Tiny
KASEKENNY
  • MECHANIC
  • 18,907 POSTS
When you say you are turning it to the on position, I assume you are meaning the start position.

If this is the case, we need to go to the starter and check voltage at the starter on both wires. On the wire from the battery which is most likely a red wire, we should have 12 volts all the time.

The other wire is the trigger wire and it will only have 12 volts on it when you turn the key to the start position.

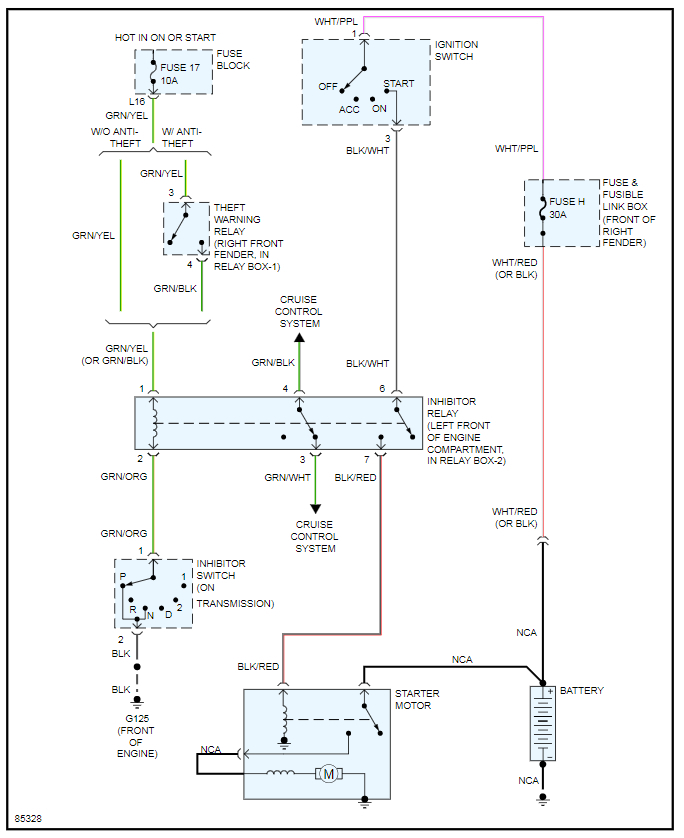
I attached the wiring diagram for your review. Let me know what you find with this and we can go from there.

Also, based on what you were saying I assume you have an auto transmission. If not, let me know. Thanks
Was this
answer
helpful?
Yes
No
Monday, June 22nd, 2020 AT 5:40 PM

Please login or register to post a reply.