Tuesday, March 12th, 2024 AT 7:48 PM
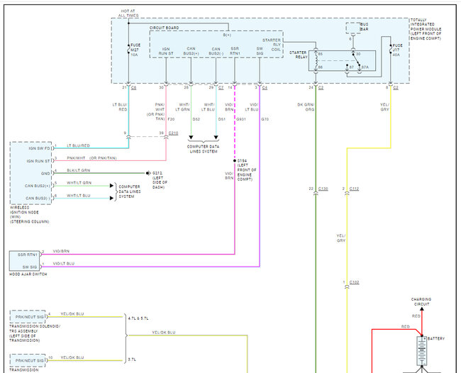
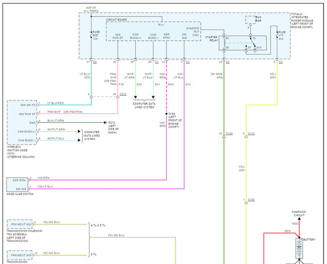
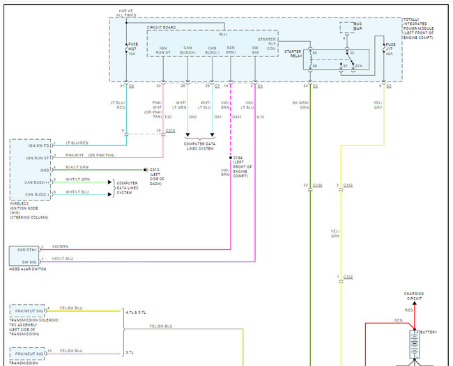
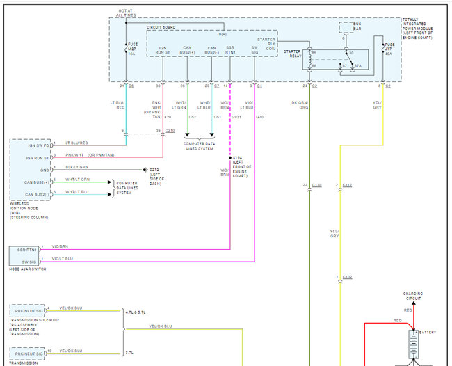
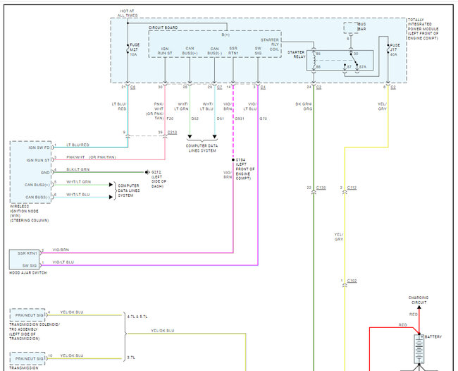
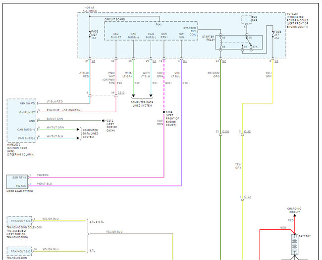
I am at the end of my engine swap I currently have the front end off and belts off and transmission cooler looped. This is in case I did something wrong and need to pull it right back out. Then engine came from a 2020 engine into a 2011 and I did research and followed what I needed to swap but I'm in a no start situation. It doesn't try to turn at all. The codes I got where P0562 and P0073 my pressure switch is in the mail and this shouldn't stop it from trying turn over and my cylinder deactivation( this was previously deleted and tuned off so that's not a problem) I will send attached picture of the current state of the car but shouldn't I be able to turn the engine over without the alternator hooked up? The battery was just replaced only thing to note is my grounds on the back of the head I relocated it to the bottom of computer bracket, used a wire brush to get rid of the paint the only thing wrong is I didn't put a nut on the bottom of it to ensure a solid ground but the other ground by the block is on, what else am I missing could the head ground cause it not to start because when I pulled the engine it wasn't even hooked up to the body just connected to each other because the other side that was to connect to frame was frayed I didn't think it mattered. Also, I have an Autel 906bt so I can scan codes and look at a lot if that helps. My voltage is reading 12 volts.







