HOME
ASK A QUESTION
REPAIR GUIDES
BECOME A MEMBER
LOG IN
Login with Facebook
OR
Remember me
NOT A MEMBER?
FORGOT PASSWORD?
CONTACT US
PRIVACY POLICY
TERMS AND CONDITIONS
☰
Home
GMC
Truck
Engine
Symptoms
Not Cranking Over
No crank
SUEANNERNST22
MEMBER
1995 GMC TRUCK
6 CYL
2WD
AUTOMATIC
213,221 MILES
Truck won't crank. When you turn the key over dash lights come on and battery is good. It just won't crank.
Monday, March 9th, 2020 AT 1:14 PM
1 Reply
ASEMASTER6371
MECHANIC
52,796 POSTS
Good afternoon,
What is the battery voltage? You need 12.4 to 12.6 volts.
https://www.2carpros.com/articles/car-battery-load-test
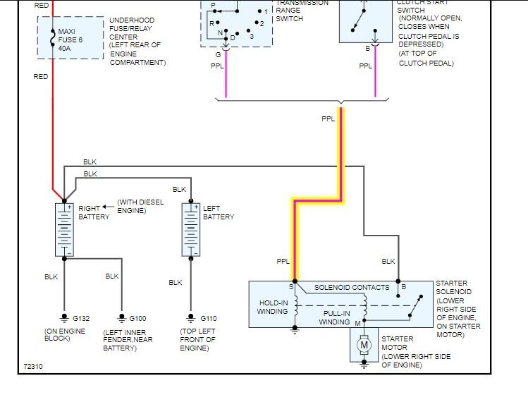
I attached a wiring diagram for you. Do you have a test light or voltmeter to do some testing?
https://www.2carpros.com/articles/starter-not-working-repair
Roy
Images (Click to make bigger)
Was this
answer
helpful?
Yes
No
Monday, March 9th, 2020 AT 2:12 PM
Please
login
or
register
to post a reply.
Related Engine Not Cranking Over Content
1996 Gmc Truck Engine Wont Turn Over
Electrical Problem 1996 Gmc Truck V8 Four Wheel Drive Automatic This Morning I Took The Truck And Ran Some Errands. After Being Out...
Asked by
catrains
·
1 ANSWER
1996
GMC TRUCK
VIDEO
Car Not Cranking? Try This | EASY
Instructional repair video
GUIDE
Starter Not Working
This guide is designed to help you identify whether the issue with your non-working starter motor is due to an electrical problem or a fault within the starter motor itself...
Engine Want Turn Over
My Engine Want Spin Over By My Starter. Sounds Like The Solenoid Clicking At First But I Repaired Brushes In Starter And Starter Spins Over...
Asked by
HAZED REDNECK
·
1 ANSWER
1997
GMC TRUCK
It Wont, It Turns Over
It Wont, It Turns Over
Asked by
Anonymous
·
1 ANSWER
1989
GMC TRUCK
1995 Gmc Truck Wont Start.
Have A 1995 Gmc 4x4 1/2 Ton Engine Is 350. Park It At Night And In The Morning Went To Start It And Back Fired A Little Bit And Seems To...
Asked by
dasolomon39
·
1 ANSWER
1995
GMC TRUCK
1995 Gmc Truck Low Idle
While Driving In Overdrive And On Cruise, I Do Notice A Slight Miss. When I Start To Slow Down To A Stop, The Idle Slows To About 300 -...
Asked by
dracotats
·
1 ANSWER
1995
GMC TRUCK
VIEW MORE
Ask a Car Question. It's Free!
Car Not Cranking? Try This | EASY
Battery Replacement Honda
How to Replace Battery