No clicks no crank nothing

Tiny
BROKEASHELL
  • MEMBER
  • 2009 DODGE RAM
  • 4.7L
  • V8
  • 2WD
  • AUTOMATIC
  • 120,667 MILES
Checked my fuses and relays and the battery. When you open the door and everything the light comes on. The weird part is that I accidentally hit the window switch and the door is getting power but the dash/ignition all that isn't doing anything. The little screen between my gauges lights up but just displays the mileage and says driver door open. Please someone help me i'm losing my mind from stress.
Wednesday, December 22nd, 2021 AT 11:55 PM

1 Reply

Tiny
JACOBANDNICKOLAS
  • MECHANIC
  • 110,194 POSTS
Hi,

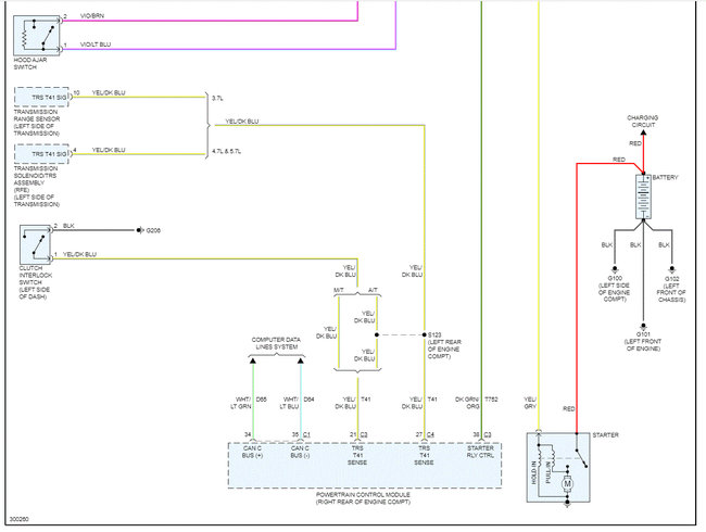
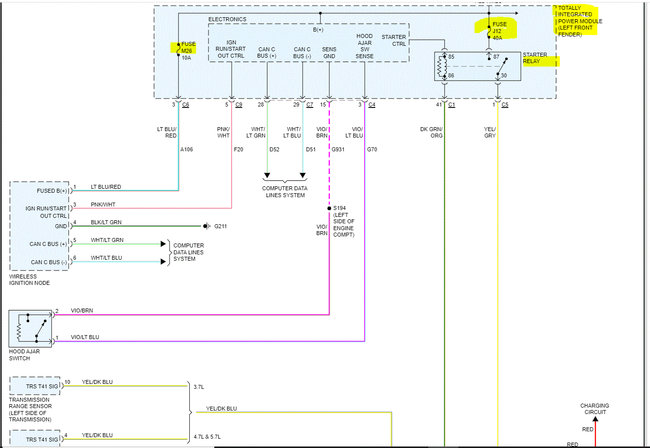
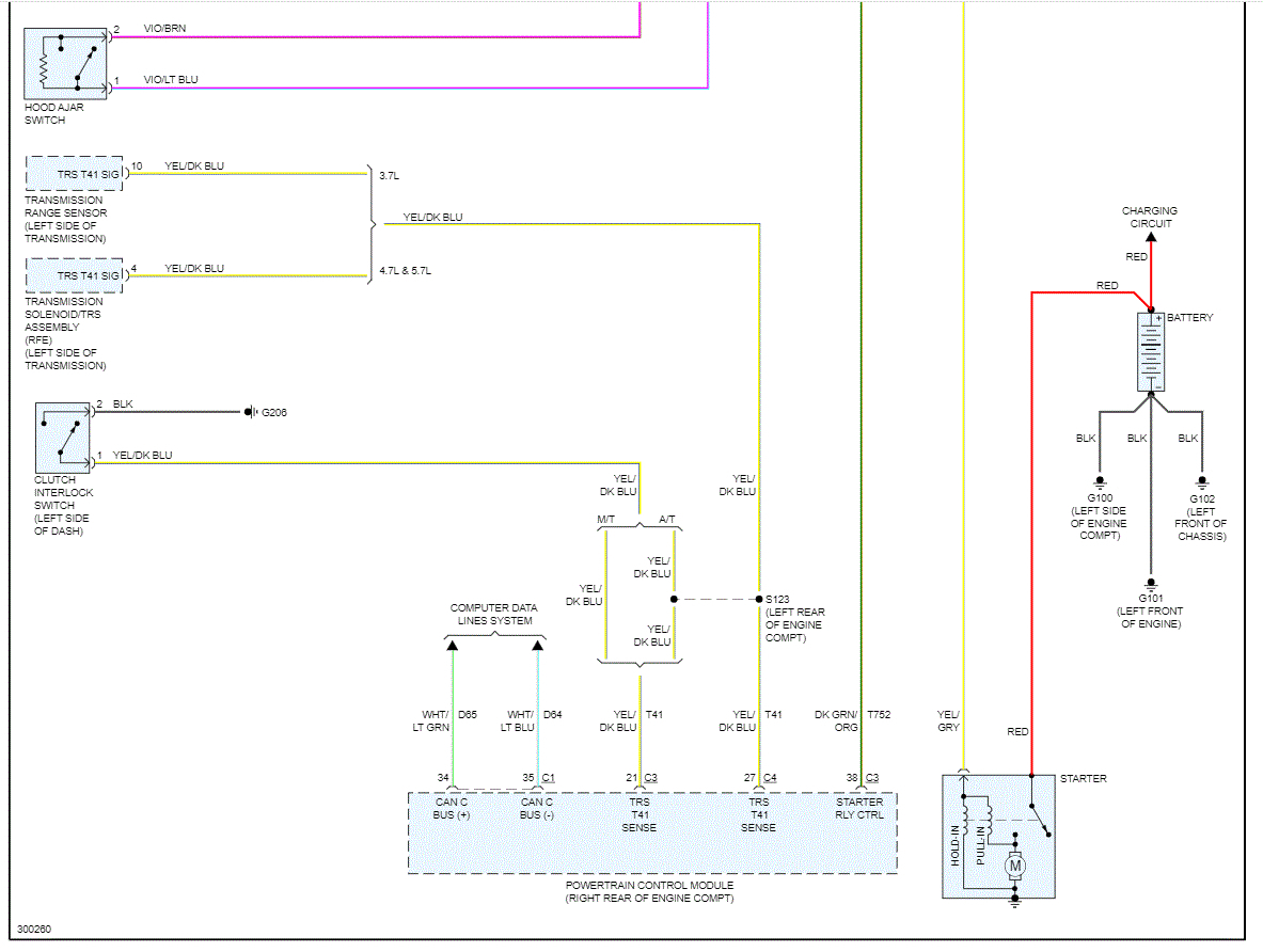
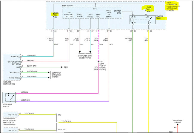
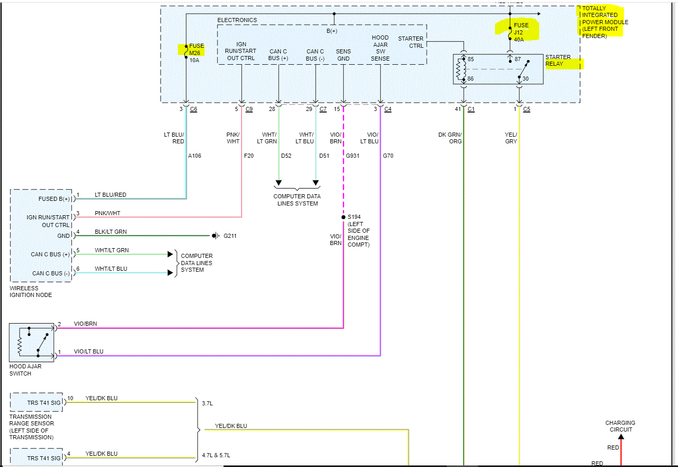
First, I attached the wiring schematic for the starting system below for you to see. I chose that circuit because I know it's one of the things that is not working.

If you look at pic 1, I highlighted two fuses. Pic 3 shows their locations in the power distribution box under the hood.

I need you to first check the fuses. If they are good, I need you to confirm there is power both to them and from them.

Here is a link you may find helpful:

https://www.2carpros.com/articles/how-to-check-a-car-fuse

I also could use a little more information. Other than the interior lights, mileage, and door power, is anything else working? For example, do the headlamps turn on? Do the brake lights work? Does the blower motor in the truck work?

This vehicle has what is called a totally integrated power module (TIPM). They have somewhat of a reputation for having issues. There are several wires jammed into several wiring harness connectors causing the pins to be really small. As a result, they are known to break, corrode, and just fail.

Let me know as much as you can.

Take care,

Joe

See pics below. Note: The schematic was cut in half to make it readable for you. I did overlap the two so you can follow from one to the next.
Was this
answer
helpful?
Yes
No
Thursday, December 23rd, 2021 AT 10:12 PM

Please login or register to post a reply.