Brake lights not working

Tiny
KAIRRA WALSH
  • MEMBER
  • 2003 DODGE CARAVAN
  • 2WD
  • AUTOMATIC
  • 219,000 MILES
No brake lights.
Wednesday, May 20th, 2020 AT 5:10 PM

1 Reply

Tiny
CARADIODOC
  • MECHANIC
  • 34,490 POSTS
That's not much to go on. What have you checked so far, and what were the results? Does the center high-mount brake light work?

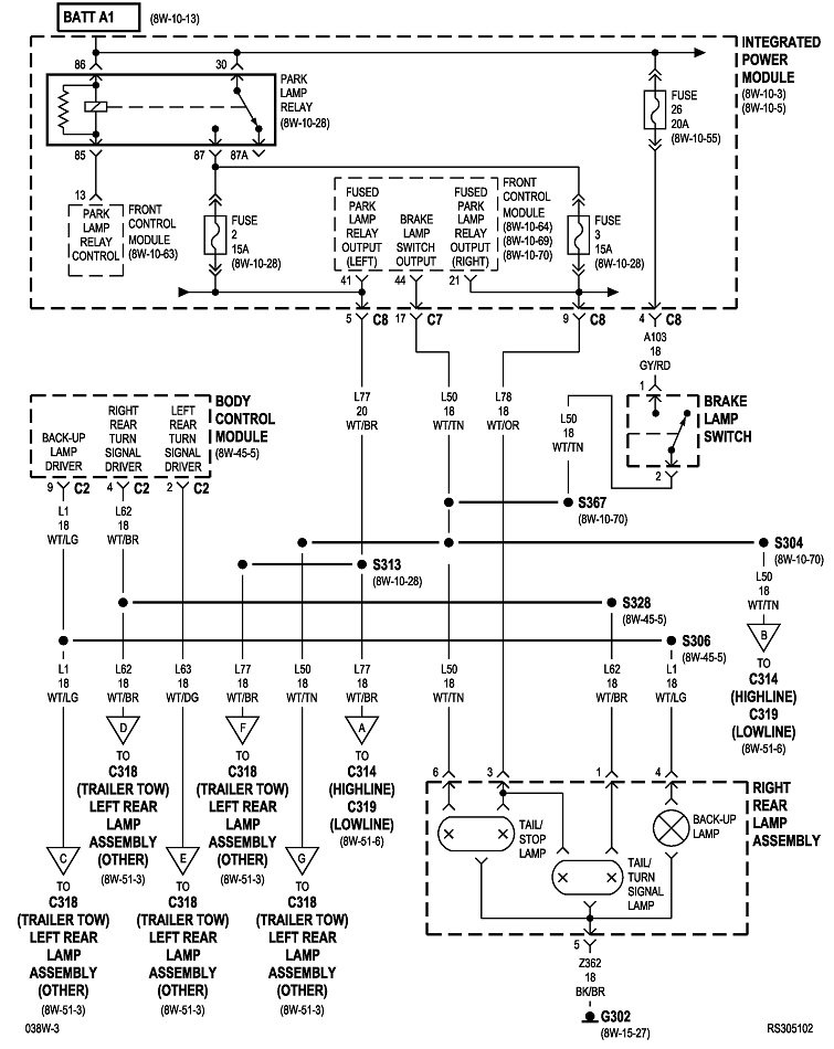
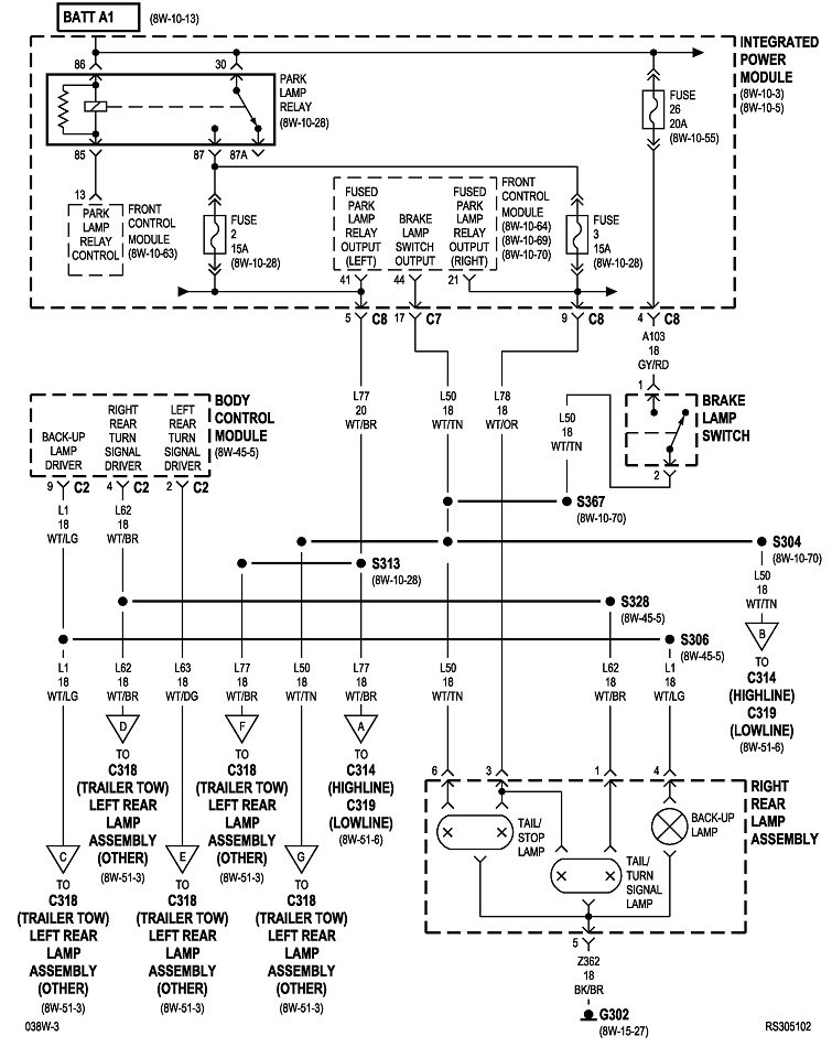
If none of the three brake lights work, the best suspects are the brake light switch and fuse 26 in the power distribution center under the hood.

If the fuse is okay, check for 12 volts on the gray / red wire at the brake light switch connector. If you have it there, check on the white / tan wire. You should find 12 volts there when you press the brake pedal. If you don't, the switch is defective.
Was this
answer
helpful?
Yes
No
Saturday, February 27th, 2021 AT 1:49 PM

Please login or register to post a reply.