No brake lights signals or hazards?

Tiny
JHTL69
  • MEMBER
  • 1994 DODGE DAKOTA
  • 3.9L
  • 6 CYL
  • 4WD
  • AUTOMATIC
  • 111,000 MILES
I’m at a loss no brake lights no hazards no signal lights on normal way. If I press the hazard button, I get brake lights and right-side signal but left will pop fuse. ABS and brake light on dash are on. I’ve changed all relays multifunction switch brake switch all the bulbs but still can’t figure it out I did have an empty fluid res, added fluid brake pedal diffidently goes really low but works, what could this possibly be? I’ve put about 15 hours into tracing wires without a single thing that seems obvious.
Monday, February 24th, 2025 AT 7:45 AM

16 Replies

Tiny
CARADIODOC
  • MECHANIC
  • 34,489 POSTS
The blown fuse is the place to start, but you have to figure out which one it is, and if it's under the hood or inside. Don't worry about the yellow ABS warning light. Two different circuits feed 12 volts to that computer. When either one is lost due to a blown fuse or some other cause, the other circuit powers the warning light to tell you that system is turned off.

To get you started, if there is a trailer connector, check that first. There were two common things to look for. One is if the wires got mangled and two or more are touching. One potential clue to that is with the headlights off, the radio display can dim to night mode when the brake pedal is pressed. A blown fuse is also common.

The second problem only relates to a trailer harness installed by U-Haul in the '90s. Those had three small red LEDs on the plug to show if a circuit was working when it was supposed to. Those plugs would develop an internal short and blow fuses. I think all of those failed and were replaced a long time ago.

I'll work on posting the proper diagrams, then we'll figure out where to go next.
Was this
answer
helpful?
Yes
No
Monday, February 24th, 2025 AT 9:39 AM
Tiny
JHTL69
  • MEMBER
  • 9 POSTS
I should have been clearer, all fuses are fine, all relays are fine. There is no trailer wiring, and all parts have been replaced with new. So new brake switch multistory switch new bulbs all four of them if does have ABS relays or fuses, so I’m pretty sure the light is only on because the brake light on dash is on, I’ve spent 17 hours doing all the things you suggested.
Was this
answer
helpful?
Yes
No
Monday, February 24th, 2025 AT 9:55 AM
Tiny
CARADIODOC
  • MECHANIC
  • 34,489 POSTS
In your second sentence you said it blew a fuse. Was that a one-time thing or is that occurring repeatedly?

The rear brake lights and turn signals are the same filament in each bulb, so if one of the brake lights works, it should also work for the signal function without blowing a fuse.

I'll be gone for a few hours, but in the meantime, see if the headlights and both taillights work properly. This can be a little tricky, so you might want to watch in the rear while a helper runs the controls. Specifically, what I'm looking for is to turn the brake lights on first by only pressing the brake pedal, nothing else. If they don't turn on, that's okay; we'll approach this from a different direction. If they do turn on, keep the brake pedal pressed, then turn on the running / taillights at the same time. You should see both rear lights get a little brighter. A common defect will cause the light on one side to get brighter, and the one on the other side to dim quite a bit. That observation can be a good clue.
Was this
answer
helpful?
Yes
No
Monday, February 24th, 2025 AT 10:17 AM
Tiny
JHTL69
  • MEMBER
  • 9 POSTS
I said it would blow a fuse when I had the hazard switch pushed in and left turn signal on. I have brake lights only when the hazard is pushed in and only right side signal when the hazard is pushed in if the hazard is in the neutral position meaning not active then I get nothing no matter if I press the brake or turn the headlights on I don’t care about hazard lights if I can get the brake lights and signal lights to work even if it’s pushed in to active hazard switch I just can’t let my 16 year old drive this with no brake lights or signal light.
Was this
answer
helpful?
Yes
No
Monday, February 24th, 2025 AT 10:34 AM
Tiny
CARADIODOC
  • MECHANIC
  • 34,489 POSTS
Don't be confusing the issue with the hazard switch. If the brake lights don't work with just the brake pedal, that's where we need to start. The hazard switch brings 12 volts in from a different circuit.

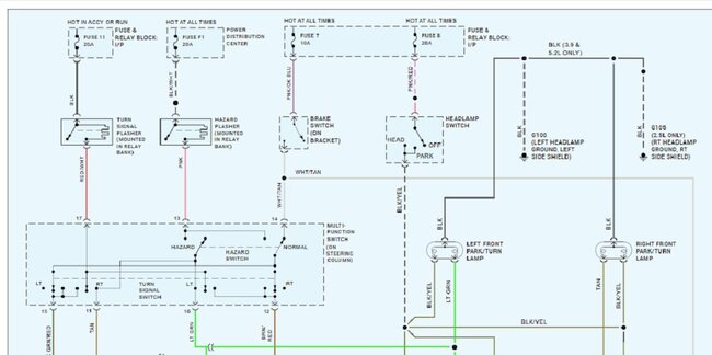
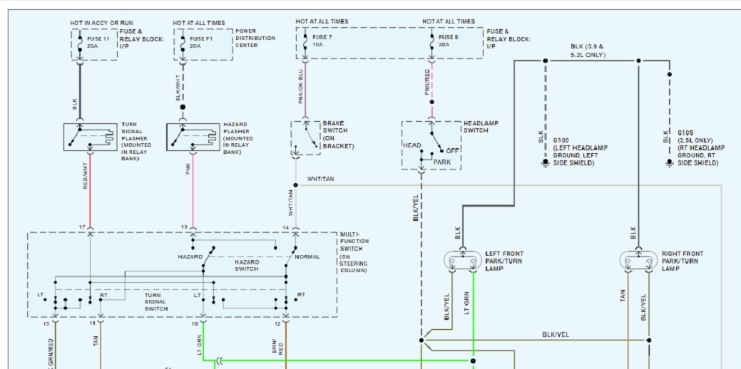
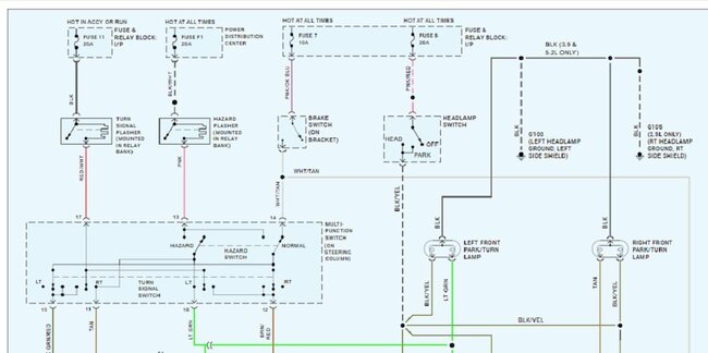
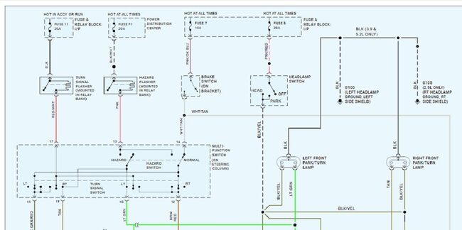
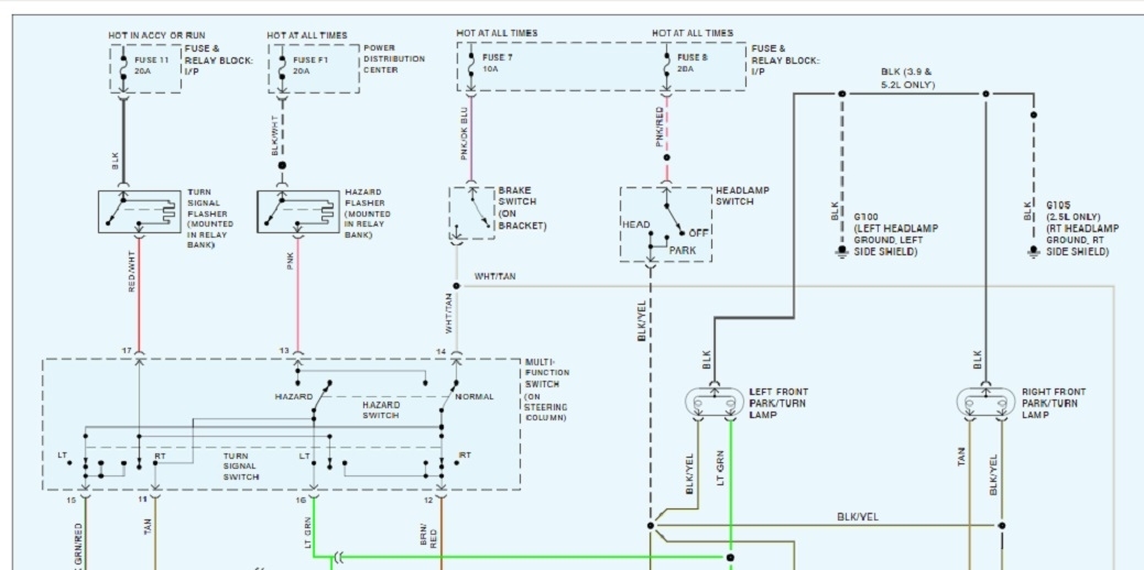
I had to go with aftermarket diagrams. Our source doesn't show the brake light switch on the original diagrams. This first one is the complete system. It can be hard to read, so the next three are the top, mid, and bottom, expanded as much as I could. The last diagram is just the top, expanded a little more.

For these tests, it is okay to use a digital voltmeter, but a simple, old-fashioned test light is a better choice for this type of problem. Go to the brake light switch and check for voltage on the white / tan wire, (brown arrow). There can be up to six wires on that switch. Voltage readings must be taken with that switch plugged in. You should find 0.0 volts at first, then 12 volts when the brake pedal is pressed. If you do, everything is okay up to that point. If there's no 12 volts showing up on that wire, check for 12 volts on the pink / dark blue wire, (pink arrow). That one must have 12 volts all the time. If it's missing, fuse 7, (red arrow), is the best suspect.

Let me know what you find up to this point.
Was this
answer
helpful?
Yes
No
Monday, February 24th, 2025 AT 2:34 PM
Tiny
JHTL69
  • MEMBER
  • 9 POSTS
I’ve tested that multiple times, before sending a a request to this forum the switch works as it should pink with blue stripe has constant 12v when pressing the peddle the white tan gets 12v sorry I’m trying to let you know that I’ve done everything except rip the entire harness out and check for damaged wires but from what I can see visually it’s fine. Now I found today that its losing a lot of brake fluid from damaged brake line, I was told that could affect the circuit for the brake lights can you confirm that?
Was this
answer
helpful?
Yes
No
Monday, February 24th, 2025 AT 2:45 PM
Tiny
CARADIODOC
  • MECHANIC
  • 34,489 POSTS
You gotta understand I don't know what steps you've taken or what you found, so for my understanding, I have to go in a systematic order, just like I did for many years with tvs and vcrs. If I was standing right next to you, I could find test points right in the middle of the circuit to start from. That is the fastest and most efficient way to find the defect, but the next best way is to start at the beginning of the circuit and go through it step by step. I could add a lot more clues, but that just gets to be way too confusing for you, and won't help us solve this.

If I had to guess by throwing a dart at a board, I'd aim for this being caused by a defective turn signal switch, but unless you have a replacement laying around, I'm not going to suggest you spend money on a new one as a test, at least not until testing proves it is the likely suspect.

Leaking brake fluid can turn on the red "Brake" warning light in two of its three ways, but it has nothing to do with the rear brake lights. The first way is simply due to low brake fluid in the reservoir. Not all vehicles have a low-fluid switch, but most models did by 1994. The second way is from the "pressure-differential switch". When the vehicle does not have anti-lock brakes, that switch sits on top, in the middle of the combination valve. That valve sits on the frame rail, right under the brake master cylinder. You can also find it by following the two steel lines from the master cylinder down to that valve. There's three valves in the combination valve. The pressure-differential valve is in the middle and sits centered in its bore, as long as both hydraulic circuits build equal pressures when you press the brake pedal. That can't happen when there's a leak in one of the systems.

When your vehicle does have anti-lock brakes, there is usually no combination valve. The pressure differential valve is built into the hydraulic controller. There were two different ABS versions available. I'm doing this from memory, so you'll need to correct me here when I'm wrong. As I recall, the four-wheel-ABS system had a hydraulic controller just under or near the master cylinder and it had the pressure differential valve built in. The rear-wheel-ABS system was more common, and is identified by the less-complicated "dump" valve mounted to the left frame rail, right under the driver's foot area. That system did use the combination valve.

The third way the red "Brake" warning light is turned on is with a switch on the parking brake pedal assembly. The ignition switch must be on, then, if you don't know which switch is turning the warning light on, it's a simple matter of unplugging them, one at a time. If it's due to the pressure differential valve, as is likely with your brake fluid leak, that valve is spring-loaded to recenter itself on Chrysler and GM products, when you release the brake pedal, however, it is real common for them to stick. Usually a good hard jab to the brake pedal will shock the valve to pop it back to its centered position. (That valve is not spring-loaded on Ford vehicles and can be extremely frustrating to recenter it after it has been tripped).

You can also get a clue by leaving the engine off, ignition switch on, then watch the warning light very closely as you start to push the parking brake pedal. If the warning light is NOT on due to the parking brake, it will get just a tiny bit brighter when you apply the parking brake. If the brightness doesn't change, most likely the warning light is on due to the parking brake light switch being damaged and is grounded against the toothed gear. It's just a copper-colored tin strip that can become deformed. They're replaced by removing two small mounting bolts. Other types of failures are very rare, so you'll have an easy time finding a good replacement at any salvage yard. A lot of Chrysler models and years used the same switch.

If we need to continue this conversation later, we should start a new question related to just that topic. That is because these get categorized by topic and by model to help others researching a similar problem. By including a second topic here, it won't show up on any list, and what you find for a solution will never be known by someone who might really need to learn it.

Getting back to your brake lights, to catch anyone else up, these first two drawings are for the Power Distribution Center, (PDC / under-hood fuse box). The next two are for the Junction Box, (inside fuse box). I added a red arrow pointing to fuse # 7 that powers the brake lights. Note fuse # 7 also runs the key-in buzzer, so if that buzzer works, you know the fuse is okay.

To continue on, the next step is to check for 12 volts on that white / tan wire at the multifunction switch connector. This switch design is a real lot easier to remove than the older style, but there's still some work involved. We can skip ahead in hopes the switch is okay, then back-track if necessary. The common problem with this switch is the right half of hazard switch where the white / tan wire comes in on terminal # 14 When that part develops an arced or pitted contact, current to the brake lights can't get through. A potential clue is if you hold the brake pedal down, the brake lights might flicker when "irritating" the hazard switch. That switch can also become deformed inside and short intermittently, blowing fuse # 7.

Also note 12 volts for the signals comes in on a different circuit from fuse # 11, then through the flasher, and to the signal switch on terminal # 17. Being on a different circuit, this is why the signals might work while the brake lights don't, or the other way around

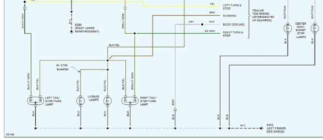
The easiest way to proceed is to go back to the tail light housings and check for 12 volts at the sockets. If you don't have a helper, use a stick from the driver's seat to the brake pedal to hold the pedal down a little. On the right side, look for 12 volts on the brown / light green wire. If it's there, that bulb should light up. If there's no 12 volts there, have a helper turn the signal switch to the left-turn position. That leaves the signal switch contact connected to the brake light switch, but it slides the contacts across each other. That can identify a defective switch contact.

Do the same for the left rear brake light. Look for 12 volts on the black / light green wire. If there's 0.0 volts, turn the signal switch to the right. If that makes the left brake light work, suspect the signal switch.

If you find 12 volts on either wire at the rear sockets, at any time, that proves the wiring is okay. If you never find 12 volts at the rear, it's then that we have to go back to the signal switch. Once removed, there's a couple of ways to approach it. If you can get a test light or voltmeter probe in there, back-probe the connector to check for voltage. Another way is to use a small jumper wire to connect the white / tan wire, (terminal 14), to one of the brake light wires, (brown / red terminal # 12 or green / red terminal # 15). That bypasses the signal switch, and one brake light will work if the rest of the circuitry is okay.

Notice too, to add confusion to this story, the two brake light wires change color at a connector. The dark green and the brown stay the same, but the colors of the tracers change from red to yellow on both wires. I mention that so you don't get excited when the wire you expect to find is different.

During any of these tests, if you should find one of them causes the fuse to blow, I have a trick to finding the short without constantly wasting a lot of fuses. I'll post the steps if that becomes necessary.
Was this
answer
helpful?
Yes
No
Monday, February 24th, 2025 AT 4:44 PM
Tiny
JHTL69
  • MEMBER
  • 9 POSTS
That is a lot of great information. I will give that a try in a few days if what happens and need more info, I will send a message here so if someone else has the problem they can see it. I did indeed buy two new multiselector switch or signal switches if easier for others to know what I mean and neither had any effect on the brake lights, but I’ll try the jumper trick and go from there.
Was this
answer
helpful?
Yes
No
Monday, February 24th, 2025 AT 5:02 PM
Tiny
CARADIODOC
  • MECHANIC
  • 34,489 POSTS
Wonderful. I'm here every day, usually around this time of day. Hopefully you'll have something good to report.
Was this
answer
helpful?
Yes
No
Monday, February 24th, 2025 AT 5:28 PM
Tiny
JHTL69
  • MEMBER
  • 9 POSTS
So bypassing made both brake lights come on not just one side so the green red turned on both lights and the brown red turned on both lights. I’m assuming that’s not supposed to happen. If you could give me some info that would be great.
Was this
answer
helpful?
Yes
No
Tuesday, February 25th, 2025 AT 12:00 PM
Tiny
JHTL69
  • MEMBER
  • 9 POSTS
After I removed bypass, I have never mind I had the hazard button in both of this wires pop the brake fuse number 7 in box. How do I find the short?
Was this
answer
helpful?
Yes
No
Tuesday, February 25th, 2025 AT 12:06 PM
Tiny
CARADIODOC
  • MECHANIC
  • 34,489 POSTS
Gotta stop here a minute for you to re-educate me. I remember you have one brake / signal light and one taillight on one rear corner, both in one bulb, is that right? Oh; wait a minute. I think I understand. You're saying if you jump the white / tan wire to either the green /red OR to the brown / red, both the left rear and the right rear brake lights turn on. Do I have that right?

If I have that right, operation is correct, and the signal switch is the suspect. You just proved the bulbs, the wiring to them, their ground circuits, brake light switch, and fuse are all okay. The only thing you bypassed was the non-working signal switch. I added a striped arrow to this diagram to point to the bad contact on the hazard switch part of the signal switch assembly. If you were to take the switch apart, locate that contact, and solder in a jumper wire, the brake lights would be back to working, however, if you turn the hazard light switch on, those will work too, but then pressing the brake pedal would make the front signals light up too as brake lights.

The reason both rear brake lights are turning on when you jump the white / tan to just one of the rear wires is the two wires are tied together inside the signal switch. That's why just one 12-volt feed from the brake light switch sends 12 volts to both rear lights. There's two ways to prove this. One is to put that jumper in with the switch unplugged. Now you'll be sending 12 volts through the jumper wire, to just the one rear wire, and only the left or only the right bulb will turn on.

The other way to prove this is to just move the signal lever to the left or right-turn position. When you turn it to the right, for example, the brown / red wire is disconnected from the brake light switch 12 volts and gets connected to the signal flasher's 12 volts. The left rear will stay on as the jumper wire has it tied to the brake light switch, and the right rear will flash if the ignition switch is on, or it will turn off if the ignition switch is off.

When I was at the dealership in the '90s, I loved to autopsy failed electrical parts during my lunch hour, to see why they failed, but I don't recall ever taking one of these apart. I don't know if that contact is something that can be fixed, but I can suggest this failure is not so common that you can't find a good one in a salvage yard. This will likely be too old to get from the dealer unless they have one on the shelf collecting dust for many years. Online places like Rock Auto will have them, but I'd feel pretty confident that a used from a salvage yard would be a good choice. Also, Rock Auto usually lists a part from a number of different suppliers, and each one will have that supplier's part number. If you look up the signal switch for other applications, such as a '95 Dakota, or a '94 Caravan, if they show the same part numbers, that tells you a used switch from one of those models will work too. That gives you a better chance of finding one in a salvage yard.

I'm on my way to help a friend diagnose a car, but I stopped to check if you had posted a reply. I want to remind you that I'm usually here later in the day, so please don't panic if I don't reply back right away.

Let me know what you find.
Was this
answer
helpful?
Yes
No
Tuesday, February 25th, 2025 AT 12:40 PM
Tiny
CARADIODOC
  • MECHANIC
  • 34,489 POSTS
Opps. We overlapped replies. I'm not sure what happened to blow the fuse but take care of the signal switch first. If there's still a fuse-popping problem, especially a problem that's intermittent, my trick involves replacing the blown fuse with a small light bulb. I'll describe that in more detail, but the bulb limits current to a safe level, and it gets full brightness when you do something to make the short occur. When the short is gone, the circuit goes right back to working properly, but the brake lights will be very dim. That's because most of the 12 volts get used up by the temporary fuse / bulb. Once the short is repaired and you put the fuse back in, the circuit will be working normally again.
Was this
answer
helpful?
Yes
No
Tuesday, February 25th, 2025 AT 12:46 PM
Tiny
JHTL69
  • MEMBER
  • 9 POSTS
Sorry, no the brake light when I bypassed. It popped the fuse immediately when I pressed the brake pedal now, I need to figure out where the short is when it comes to the brake lights, I don’t have any signals yet because I haven’t fixed the brake light issue.
Was this
answer
helpful?
Yes
No
Tuesday, February 25th, 2025 AT 12:55 PM
Tiny
JHTL69
  • MEMBER
  • 9 POSTS
Really quick question could all this be from a faulty body control module?
Was this
answer
helpful?
Yes
No
Thursday, February 27th, 2025 AT 8:34 AM
Tiny
CARADIODOC
  • MECHANIC
  • 34,489 POSTS
You don't have a Body Computer, but if you did, and something was shorted internally, it would blow the fuse right away. I'm assuming your fuse doesn't blow until you turn on a switch. If that is right, the short has to be somewhere after that switch.

Here's the way to approach this. Some of these drawings are unnecessary but might be helpful to others.

1. Remove the blown fuse.

2. Plug in a pair of universal crimp-stye terminals. Don't stick anything fatter than the blade of a fuse in there as that can spread the female terminal to where it makes a poor connection later.

3. Items needed begin with a 12-volt bulb. A common 194 "peanut" bulb works well and is easy to connect jumper wires to, but it will only pass a half amp of current. Most circuits draw more than that when they're working properly, so this bulb won't be effective at showing the difference between when there's a short and when there isn't. A 3157 works better. It will pass one amp, and is just as easy to hook jumper wires to. For higher-current circuits like fan motors, you can use a common 9004 head light bulb. The high-beam filament will pass six amps; the low beam will pass five amps, and if you use the two in series, will pass roughly three amps.

The jumper wires are shown in the upper left of that third drawing. You don't have to use those, but they make the job easier and faster. You can find a pack of 10 or 12 at Harbor Freight Tools for less than five dollars.

The terminals are shown in the upper right. You buy these by the box at any hardware store, or you can cut them off an older vehicle in a salvage yard. I made a test harness by soldering a Dodge Viper rear taillight harness to a blown fuse. In this drawing, I drew one terminal with the blue insulator removed. It takes some effort, but those can be pulled or twisted off, if necessary, so the jumper can be connected.

4. The terminals have been plugged in to the fuse's socket.

5. The jumper wires are connected to the terminals.

6. The other end of the jumper wires are connected to the light bulb.

With this setup, the bulb will be off when no current is flowing. When you turn the circuit on and there is a short, the bulb will be full brightness. It will limit current to a safe value, just the same as if you had connected it directly to the battery. At full brightness it is going to get very hot, so don't allow it to lay on carpeting or against plastic panels. I would hang my Viper harness over the rear-view mirror so I could see it from any corner of the vehicle.

If the short occurs when you turn on, ... Lets say the left turn signal, but not the right one, leave it in the left-turn position and begin the diagnosis. If the short only occurs when you press the brake pedal, use the stick to hold that pedal down a little. Now, with the bulb full brightness, go around and do things until you find what makes the short go away. When it does, the bulb will dim. How much it dims depends on how much current the circuit normally draws. In this case you're powering two brake light bulbs. Because there's more bulbs than the one in the fuse holder, those two will turn on very dim when the short is gone. You may need to shade out any light and look really close to see the dim glow of the brake light filaments. The test bulb will dim too, but not as much. It will be brighter than the two brake light bulbs, but it will definitely dim enough for you to notice.

The first thing I look for is a chewed-up trailer harness. Those were fairly common on minivans because the hitch is so close to the ground and people often wrapped the harness around them. Next most common was a harness rubbed through in a car's trunk from stuff sliding around. I also had an intermittent one on a Dodge full-size van where someone removed the rear lamp housings to connect trailer harness wires, and when they put the left one back together, they caught a wire under one of the mounting screws. Pressing very lightly on that housing made the short occur, as it did over bumpy roads. I had one with a mudflap screw run through a wire harness, a GM car with a factory-installed harness run under the metal frame of the rear seat, and over time that bracket rubbed through the wires. GM is also well-known to run harnesses under the carpet, under the driver's foot area. That's a good place to find wires rubbed through and corrosion from salt and water. The weirdest one I had was insulation hardened and cracked off the wire running through the mounting arm of a passenger-side sun visor. It moved slightly during braking, and blew the interior lights fuse.

If you see the test bulb, get bright and it flickers in brightness, the best suspect is a wire rubbed through and is laying on a bare spot on sheet metal. If the short occurs when doing a "brake stand" with the engine running, look for a harness that fell down onto hot exhaust parts, or is laying on the sharp edge of a metal bracket. When the test bulb is bright and solid, the better suspect is a shorted component, including a computer module. Things like that don't change with bumpy roads or slamming doors.

Speaking of doors, the harnesses between the hinges is another dandy place to find frayed wires that break or touch each other. The short often comes and goes by opening and closing a door. Use a rubber hammer around the vehicle to make intermittent shorts occur. Look for inline connectors that can be unplugged. If doing so makes the short go away, you know everything up to that plug is okay, and the short has to be after that plug.

See how far this gets you, then let me know what you find.
Was this
answer
helpful?
Yes
No
Thursday, February 27th, 2025 AT 12:05 PM

Please login or register to post a reply.