Brake light wiring diagrams please?

Tiny
REDLINE99
  • MEMBER
  • 1999 CHEVROLET 1500
  • 5.7L
  • V8
  • 4WD
  • AUTOMATIC
  • 633,051 MILES
Typically I can figure things out on my own but this has me completely stumped. So I replaced my turn signal switch on the column. While I was under the dash I noticed the wires that run to the brake switch had broken off right at the connector. So I pulled that about six inch wire harness out. Found a wire schematic online and wired it back using that schematic. These wires are labeled abcdef on both ends on each connector. Should those be hooked in with a-a b-b c-c and so on or does that not matter? Also when brakes are applied following the schematic and the a-a b-b both ways when brakes are applied turn on the back up lights. There is also a white wire that runs from the third brake light to the rear (no one seems to know why this wire is there so let me explain and make it very simple. It is there for a topper light splice and has only been added if the vehicle was ordered with a topper from day 1 the vehicle was originally purchased. Or added in later on for a topper) so with that being said the wires that run from the front dark green and yellow being stop/turn/hazard lights, brown is tail lamps/license plate lights, white is ground (do not mistake this white wire for the added topper white wire you will fry the fuse or wiring, best to label that wire and tape it off). My problem is this. I have power going to the rear for brake lights but it is going through the light green wire (back up light wire) all my other lights operate as they should. Turn signals work, hazards work, license lights work, back up lights work, cargo lights work, head lights work hi and low beam. Everything works besides the brake lights. I had the brake switch tested. Tested fine. Checked the six inch wiring for continuity as I read the white wire on this harness gets broke up by the column closer to the turn signal switch. Had replaced the fuses(all of them not just specifics. All the fuses are new and test fine. Changed the under hood brake relay (old relay tested fine) I'm wondering if the new turn signal switch is wired wrong on the connections going to the junction block. Because the back up lights come on when I hit the brakes and there's a relay mounted on the column with a slide that is operated by the shifter lever and when it's in reverse the relay clicks and locks it in place. When the brakes are applied this relay clicks and reverse lights come on instead of brake lights. So I've got power just in the wrong place. Any schematics on the turn signal switch with cruise control or on the brake switch harness. I feel this may be the problem. I did swap out my old turn signal switch again as with that switch I did have brake lights. However nothing happened with that switch. Guess after being thrown in the trash not so nicely it destroyed it the rest of the way (in other words it most definitely broke something when I threw it in the garbage) so that was no help. I may compare the two switches and trace the wires on my old one and see if the new one matches. If not found the problem. But I'm highly doubtful that that's going to be the problem. But I will check just to eliminate that part from being the issue.
And please don't say it's the brake light switch or it's the brake relay or check fuses or check bulbs or check circuit boards. Those have all been tested and replaced just for the heck of it because hey it does have over a half a million miles on it. Any insight on this would be helpful. I should also mention my cruise control has not worked since the wires were pulled out of the brake switch connection. (Brakes applied equals cruise shut off) so I'm going to assume my problem is how that six inch wire is hooked up. There was two wires that did not pull out that was orange hot wire all the time on connection b-b and a white wire on connection a-a. (Reason I feel the wiring should be a-a b-b c-c d-d e-e f-f.) On my trailer lights I have a red and a blue wire. Read on a different post that that tells us if it's a uy1 or uy7 harness. Believe it's the uy7.
Wednesday, March 13th, 2019 AT 8:26 AM

7 Replies

Tiny
KEN L
  • MASTER CERTIFIED MECHANIC
  • 55,077 POSTS
Hello,

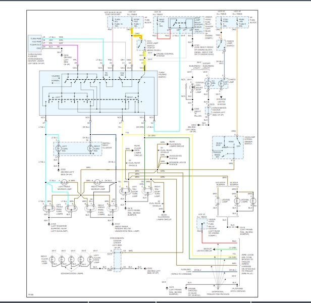
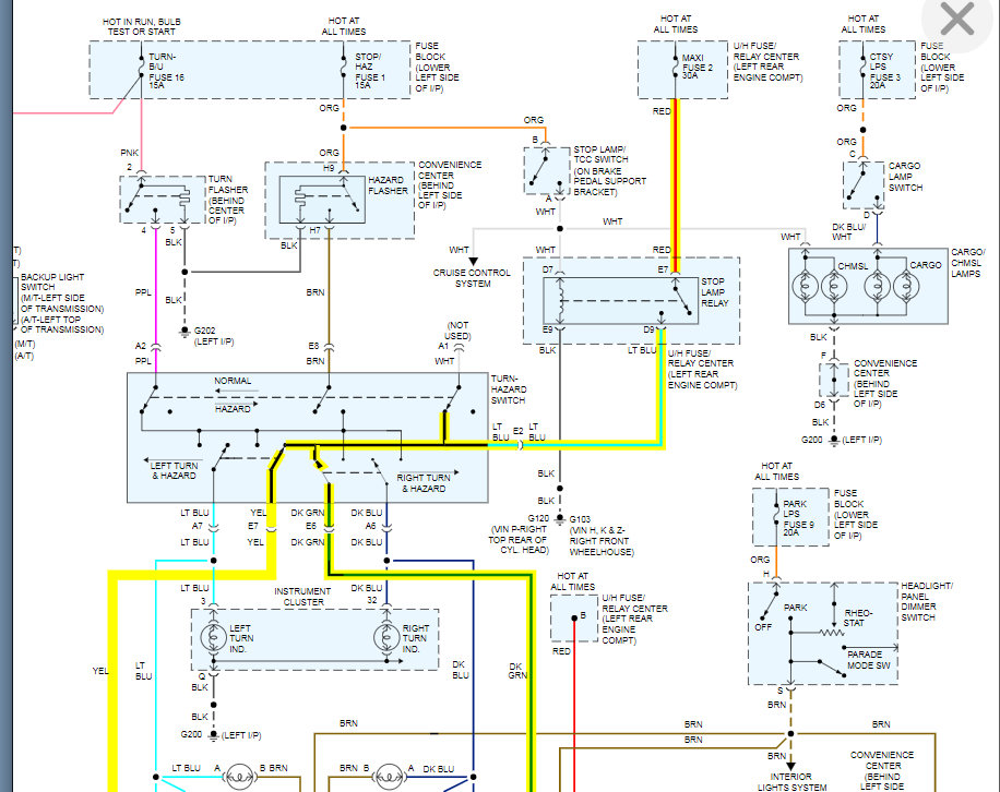
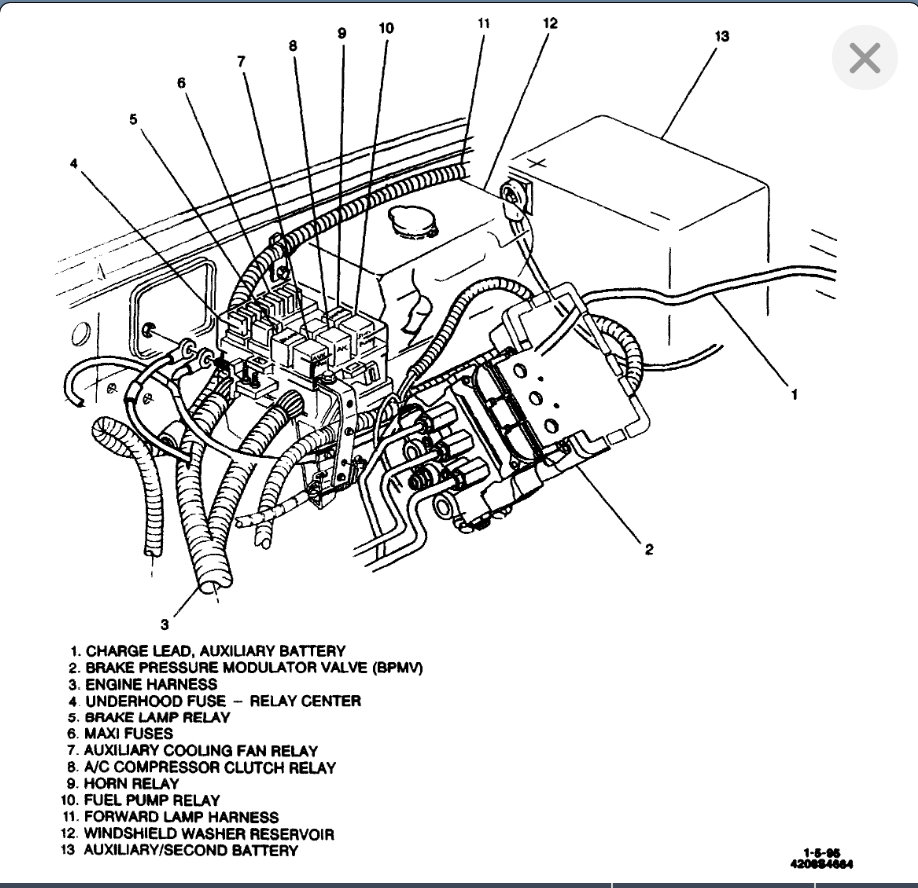
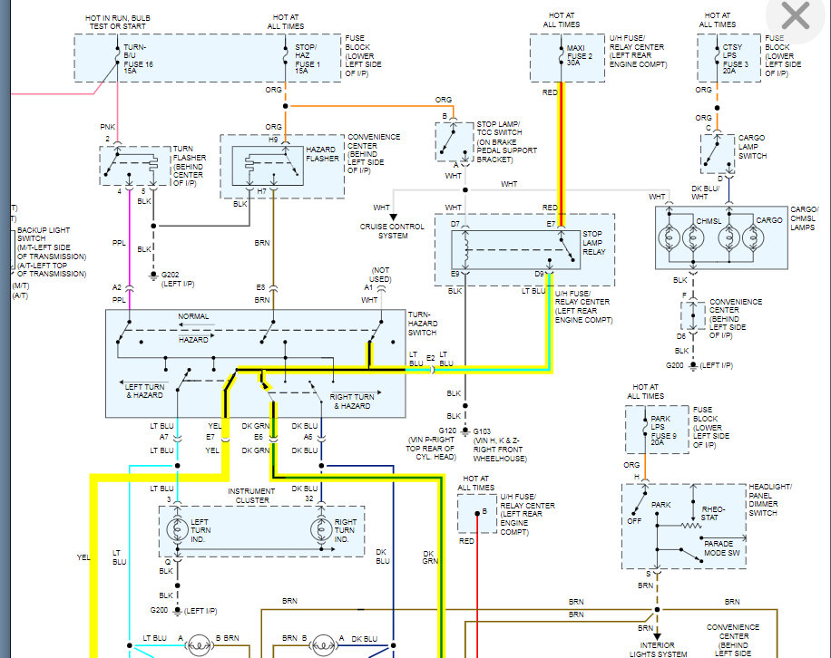
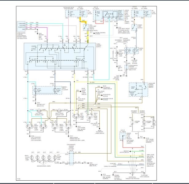
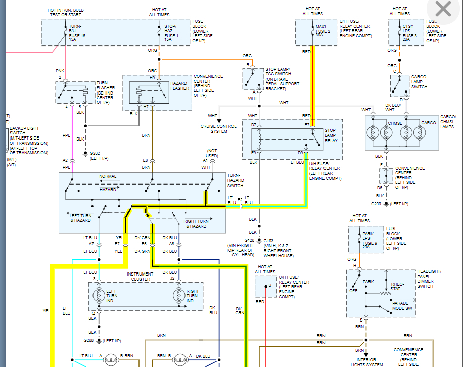
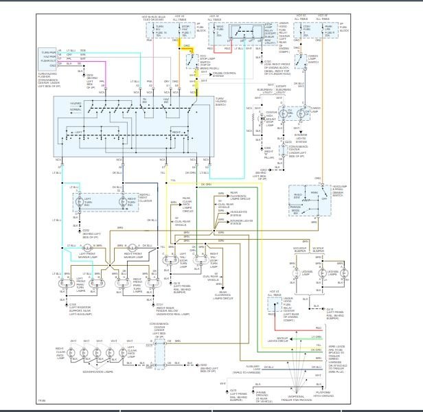
It does sounds like the turn signal switch is shorted/broken. but to be sure here is a guide to help you check the wiring and the brake light wiring diagrams so you can see how the system works:

https://www.2carpros.com/articles/how-to-check-wiring

Check out the diagrams (below). Please let us know what you find. We are interested to see what it is.
Was this
answer
helpful?
Yes
No
Thursday, March 14th, 2019 AT 2:59 PM
Tiny
KEN L
  • MASTER CERTIFIED MECHANIC
  • 55,077 POSTS
Hello,

It does sounds like the turn signal switch is shorted/broken. but to be sure here is a guide to help you check the wiring and the brake light wiring diagrams so you can see how the system works:

https://www.2carpros.com/articles/how-to-check-wiring

Check out the diagrams (below). Please let us know what you find. We are interested to see what it is.
Was this
answer
helpful?
Yes
No
Thursday, March 14th, 2019 AT 2:59 PM
Tiny
PAUL ALLRED
  • MEMBER
  • 12 POSTS
  • 1996 CHEVROLET 1500
  • 5.7L
  • V8
  • 4WD
  • 260,000 MILES
Replaced brake light switch at pedal, turn signal switch, both rear light circuits that hold bulbs and relay under hood. After replacing the rear tail light panels lights worked. Hooked up trailer to truck brakes worked. Now all of a sudden they don't work again. Can dimmer switch or ignition switch cause this to happen? Any tips would help. I inspected wiring harness and didn't see any shorts.
Was this
answer
helpful?
Yes
No
Friday, January 15th, 2021 AT 12:28 PM (Merged)
Tiny
ASEMASTER6371
  • MECHANIC
  • 52,796 POSTS
Good morning,

Check the power at the switch both input and output. If you have power, verify power to the turn signal switch terminal listed. Check out the diagrams (Below). Please let us know if you need anything else to get the problem fixed.
Roy
Was this
answer
helpful?
Yes
No
Friday, January 15th, 2021 AT 12:28 PM (Merged)
Tiny
ASEMASTER6371
  • MECHANIC
  • 52,796 POSTS
I attached the procedure for replacing the switch for you below along with a picture.

https://www.2carpros.com/articles/brake-lights-not-working

Roy

Remove or Disconnect

1. Negative battery cable.
2. Disable SIR.
3. Retainer from brake pedal pin. Use snap ring pliers.
4. Switch by unsnapping from pushrod.
5. Electrical connector from switch.

Install or Connect

1. Electrical connector into switch.
2. Switch by snapping it onto pushrod.
3. Retainer onto brake pedal pin. Use 11mm (7/16 inch) socket to push new clip on pin.
4. Negative battery cable.
5. Enable SIR.
Was this
answer
helpful?
Yes
No
Friday, January 15th, 2021 AT 12:28 PM (Merged)
Tiny
MITCHH13
  • MEMBER
  • 1 POST
  • 1995 CHEVROLET 1500
  • 5.7L
  • V8
  • 2WD
  • AUTOMATIC
  • 150,000 MILES
The rear brake lights on my listed above (1/2) don't work. The cargo brake light works, but the actual brake lights do not. Both sides. The blinkers work fine. Any suggestions?
Was this
answer
helpful?
Yes
No
Friday, January 15th, 2021 AT 12:28 PM (Merged)
Tiny
KASEKENNY
  • MECHANIC
  • 18,907 POSTS
Hi Mitch,

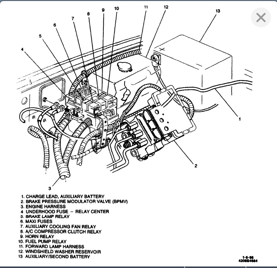
If the turn signals work then I suspect you have something further up the circuit that effects both sides. It appears the turn signals and stop lamps use the same bulb so we know wiring and bulbs are good. The CHMSL has it's own power and ground so that is completely separate. Have you check the stop lamp relay or the fuse in the underhood fuse panel (left rear of the engine compartment)?

If these are ok, I would suggest measuring voltage when the brakes are applied and then start moving forward until you find where you lost the voltage. I doubt this is your issue because they are separate wires coming out of the switch so it is unlikely to have the same issue on two separate wires.

Let me know what you find and we can go from there. Thanks
Was this
answer
helpful?
Yes
No
Friday, January 15th, 2021 AT 12:28 PM (Merged)

Please login or register to post a reply.