Where is the blower motor relay located?

Tiny
JOE FOLEY
  • MEMBER
  • 2008 NISSAN ROGUE
  • 2.1L
  • 4 CYL
  • 4WD
  • AUTOMATIC
  • 145,000 MILES
No air heat for ac, Blower motor and resistor are good. I bought the relay but I don’t know where to find the blower motor relay it’s not listed anywhere.
Saturday, February 27th, 2021 AT 7:25 AM

1 Reply

Tiny
JACOBANDNICKOLAS
  • MECHANIC
  • 110,192 POSTS
Hi,

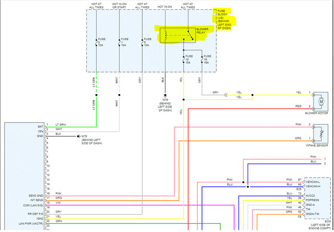
As far as the blower motor relay, it is located in the fuse block under the dash, on the left of the vehicle.

If you look at the attached two pics, they show the entire wiring schematic for the HVAC system. I had to cut one pic in two to make it readable. I did overlap the two pictures so you can follow them easily.

Also, here is a link that shows how to test a relay. I hope it helps.

https://www.2carpros.com/articles/how-to-check-an-electrical-relay-and-wiring-control-circuit

I hope this helps. Let me know if you have other questions.Check out the diagrams (Below). Please let us know what happens.

Was this
answer
helpful?
Yes
No
Saturday, February 27th, 2021 AT 8:32 PM

Please login or register to post a reply.

Related Blower Fan Relay Location Content