Sunday, July 8th, 2007 AT 10:52 PM
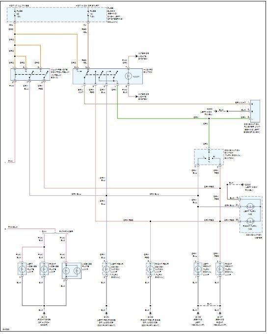
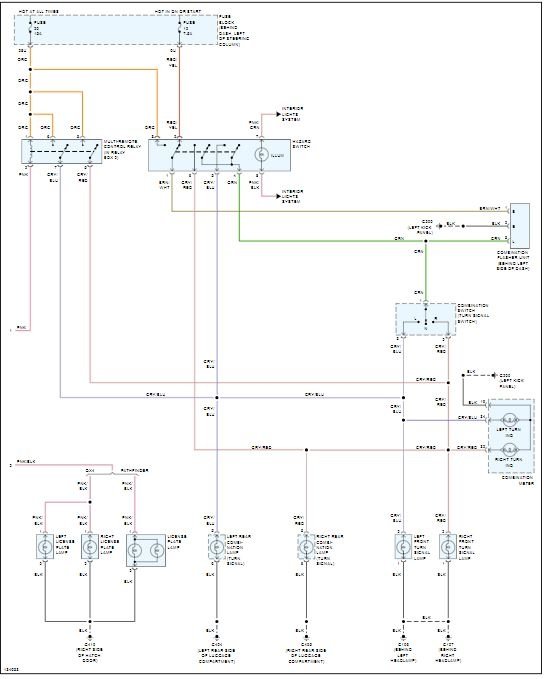
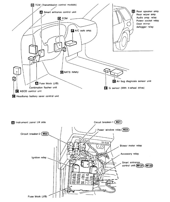
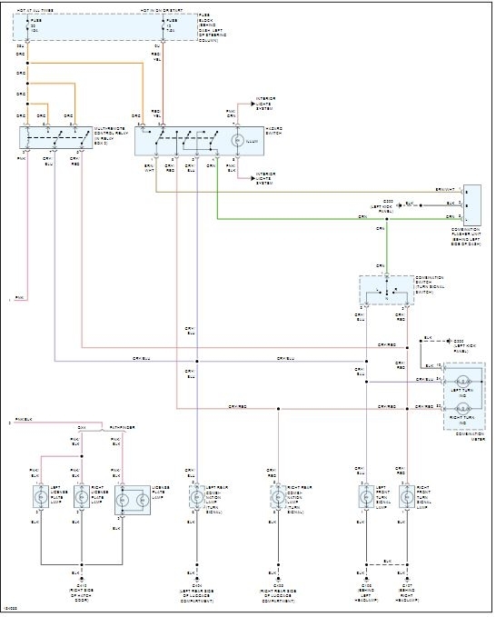
I have consulted several online manuals and no one seems to agree on where the relay is located. I have no turn signals or hazard flashers. I have checked the related fuses and they are fine, so I am guessing it is the flasher.




