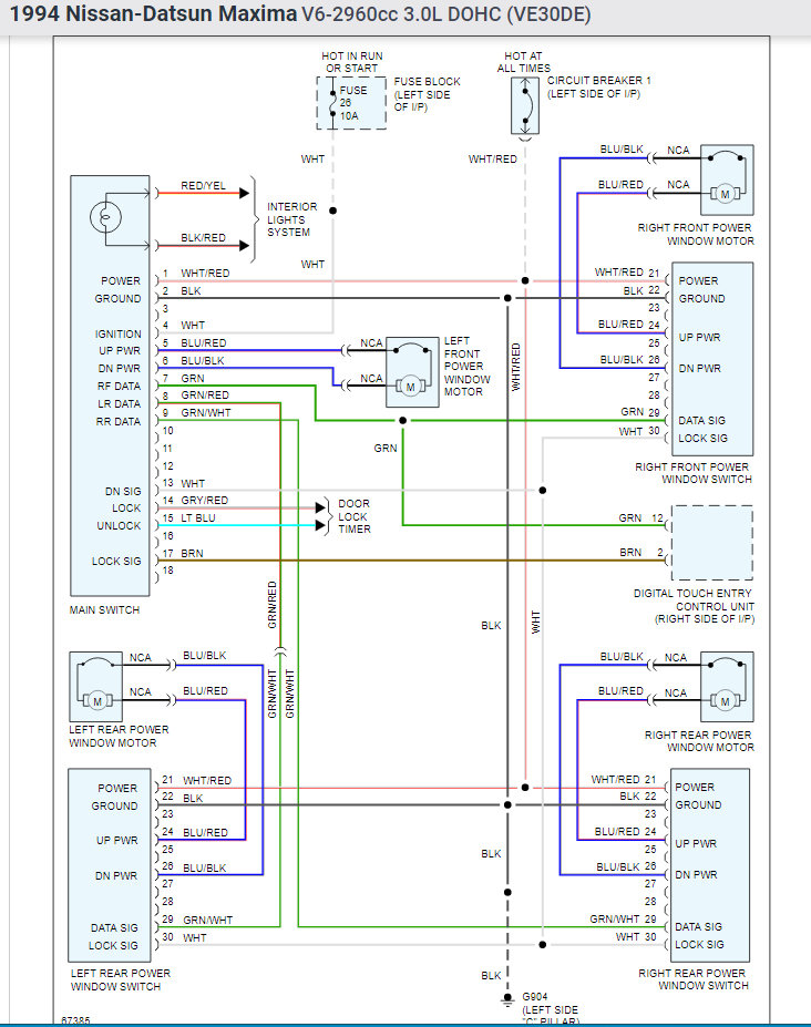
Wednesday, June 2nd, 2010 AT 2:30 PM
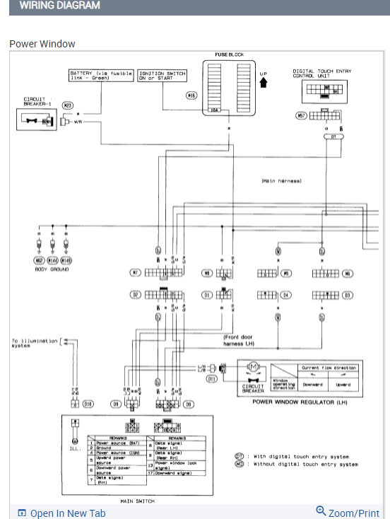
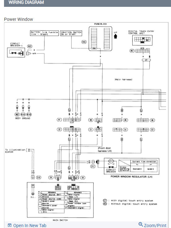
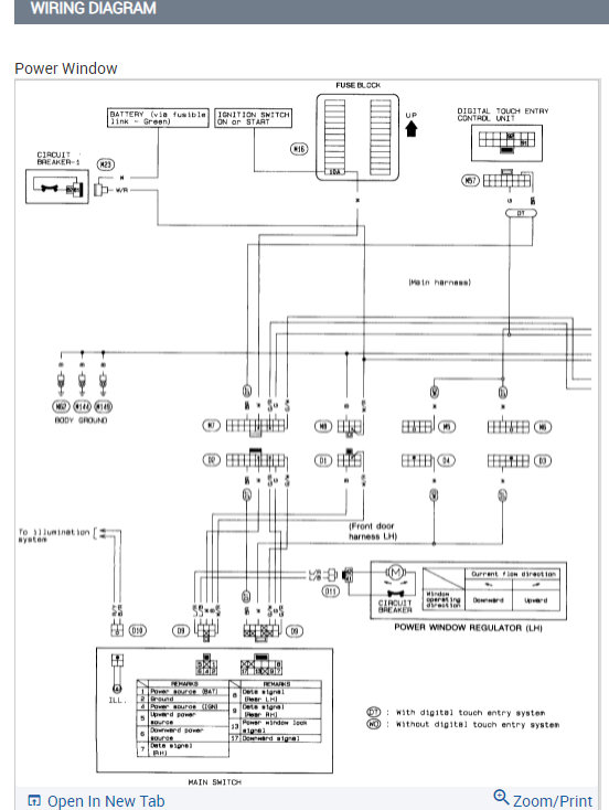
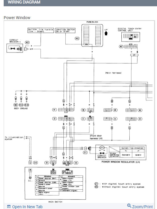
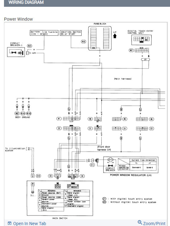
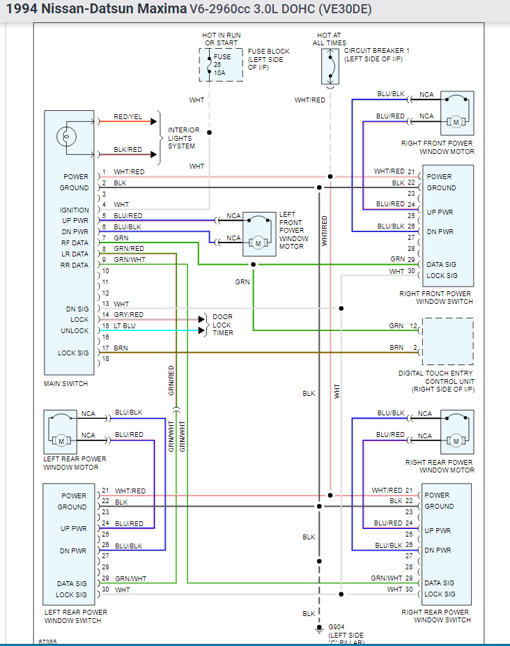
I have a 94 nissan maxima, the driver side switches don't work. The passenger side windows and the two back windows also don't work. My door locks work though, I checked my fuses and they look good, no burn or worn, I am not that mechanically inclined so what could the problem possible be? My motor my regulator manual doesn't help.



