Monday, October 18th, 2010 AT 7:03 PM
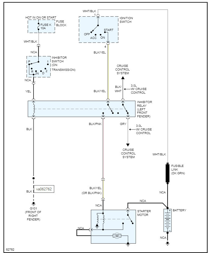
I have a 1995 Nissan hardbody. I have recently put a brand new battery and starter on it. When you get to normal operating temp or drive around for awhile and cut the truck off it will not start back up. The engine barley turns over giving the impression of a dead battery. If you let the truck cool off it will start back up just fine. I am lost I don't know what to do. There is no issues at a cold start or no drive ability issues. Just the engine not wanting to turn over after driving.
