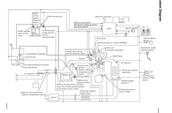
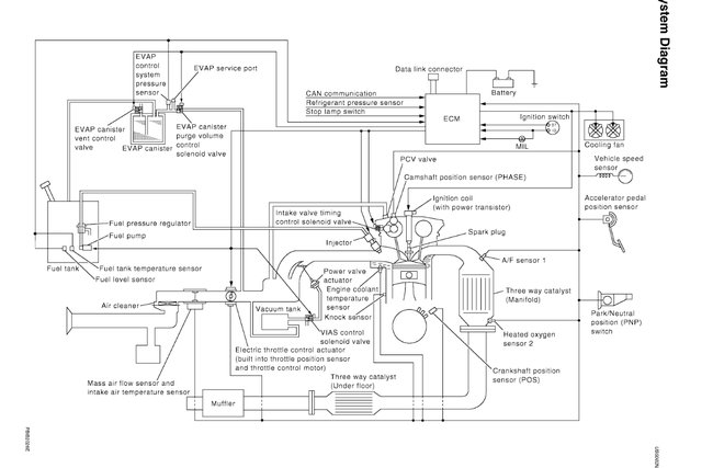
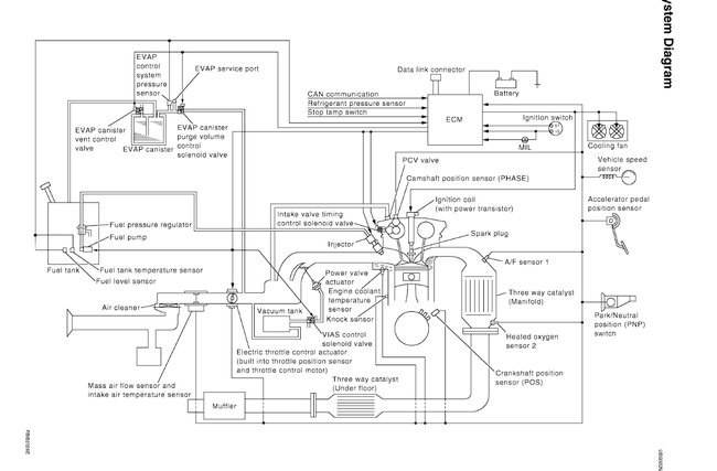
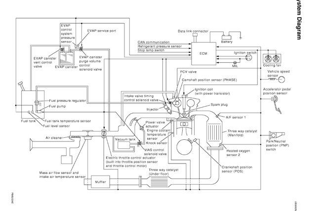
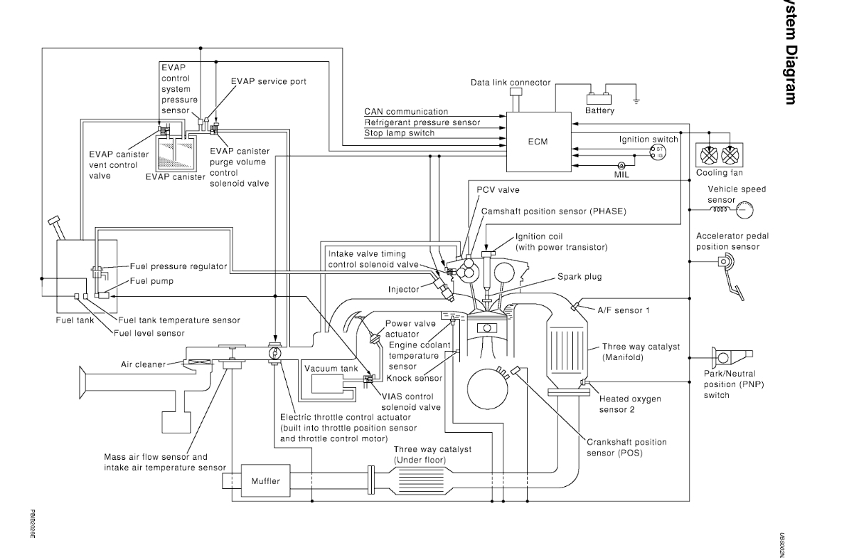
PCV valve location

Tiny
MARITZA
  • MEMBER
  • 2004 NISSAN ALTIMA
  • 4 CYL
  • 2WD
  • AUTOMATIC
  • 80,000 MILES
Where is the pcv valve?
Saturday, March 6th, 2010 AT 6:18 PM

9 Replies

Tiny
LEGITIMATE007
  • MECHANIC
  • 5,121 POSTS
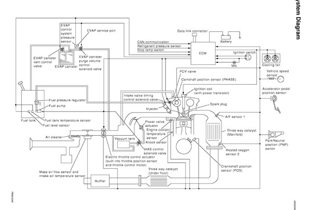
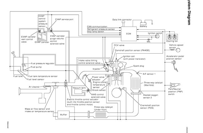
Look at the back of the intake manifold, there will be a hose coming out of the valve cover, the pcv valve will be connected to the hose at the valve cover or at the other end of it. Here is a diagram. Check out the diagrams (Below). Please let us know if you need anything else to get the problem fixed.
Was this
answer
helpful?
Yes
No
+2
Thursday, March 18th, 2010 AT 8:20 PM
Tiny
SIDJO39
  • MEMBER
  • 2 POSTS
  • 2001 NISSAN ALTIMA
  • 4 CYL
  • 2WD
  • MANUAL
  • 155,500 MILES
Where is the pcv valve on a '01 nissan altima located?
Was this
answer
helpful?
Yes
No
Monday, May 11th, 2020 AT 12:05 PM (Merged)
Tiny
RASMATAZ
  • MECHANIC
  • 75,992 POSTS
The PCV valve is situated at the drive belt side of the engine underneath the intake manifold
Was this
answer
helpful?
Yes
No
Monday, May 11th, 2020 AT 12:05 PM (Merged)
Tiny
SIDJO39
  • MEMBER
  • 2 POSTS
Is it between the two () brackets?
Was this
answer
helpful?
Yes
No
-1
Monday, May 11th, 2020 AT 12:05 PM (Merged)
Tiny
RIVERMIKERAT
  • MECHANIC
  • 6,110 POSTS
No The PCV valve is located on the other side of the engine. The image I have attached should help you locate it.
Was this
answer
helpful?
Yes
No
+2
Monday, May 11th, 2020 AT 12:05 PM (Merged)
Tiny
CARLELLIO
  • MEMBER
  • 1 POST
  • 1998 NISSAN ALTIMA
  • 4 CYL
  • FWD
  • AUTOMATIC
  • 120,000 MILES
Where is the pcv located?
Was this
answer
helpful?
Yes
No
Monday, May 11th, 2020 AT 12:06 PM (Merged)
Tiny
BLACKOP555
  • MECHANIC
  • 10,386 POSTS
The most common location is in a rubber grommet in the valve cover. It can be installed in the middle of the hose connections, as well as installed directly in the intake manifold.
Was this
answer
helpful?
Yes
No
-2
Monday, May 11th, 2020 AT 12:06 PM (Merged)
Tiny
ISOM1998
  • MEMBER
  • 1 POST
  • 1993 NISSAN ALTIMA
  • 141,000 MILES
Do I have to have the oil filter out to find it?
Was this
answer
helpful?
Yes
No
Monday, May 11th, 2020 AT 12:06 PM (Merged)
Tiny
DRCRANKNWRENCH
  • MECHANIC
  • 3,380 POSTS
The PCV valve is located either on or around the intake manifold or on the valve cover. You can trace a large vacuum hose thtat runs from the lower engine crankcase to the PCV valve and then to the intake manifold.
Was this
answer
helpful?
Yes
No
+1
Monday, May 11th, 2020 AT 12:06 PM (Merged)

Please login or register to post a reply.