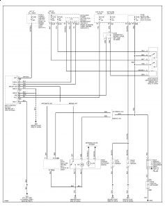
Okay, I did some homework. THis is a somewhat basic set up. First, power is supplied through fuse #12. It's a 10 amp fuse (under dash). From there, the power goes to the switch on the dash and then to a rear window defogger which is behind the left side of the dash. Something tells me that is what you are hearing. From there, it goes to a rear window defogger condencer near the base of the left C pillar and then finally to the defroster in the glass. A red wire powers the defroster at the glass, and then it goes straight to ground after exiting the defogger (black wire).
I need you to check two fuses, both #12 and fuse #8 which is also a 10 amp. The power comes from #12 through the switch and then through #8 which distributes power to the mirror defogers and rear window.
Since you hear the clicking, if any fuse is bad, my guess would be #8, but check both. Also, I uploaded the picture below. You won't be able to read it because of its size. I was hoping you could enlarge it to read it.
Let me know about the fuese. If they are good, we will need to start tracking down the wiring to see where power is lost.

let me know what you find.
Joe
Saturday, November 14th, 2009 AT 11:55 AM