Monday, August 28th, 2023 AT 10:16 PM
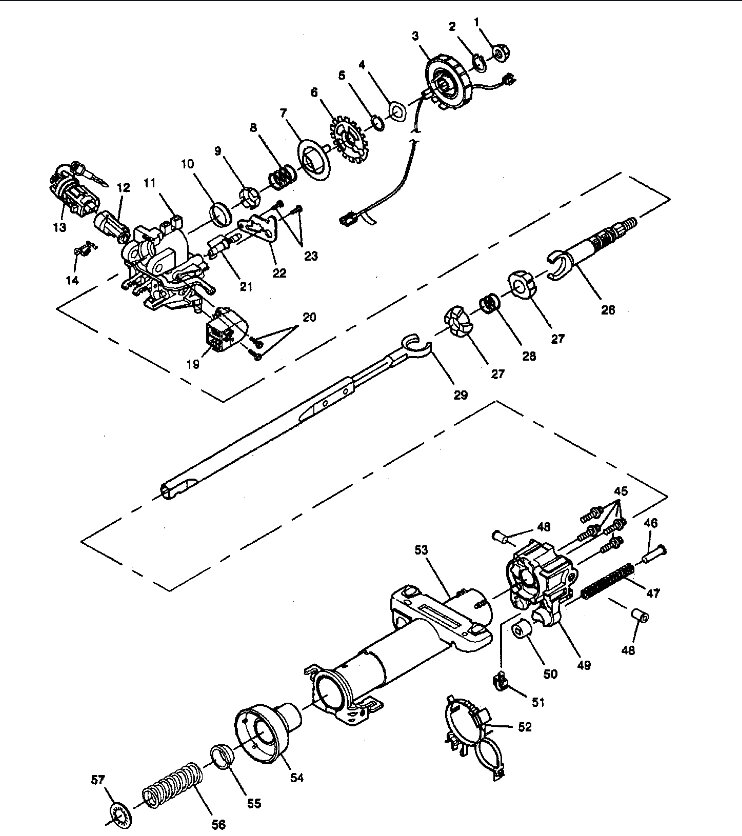
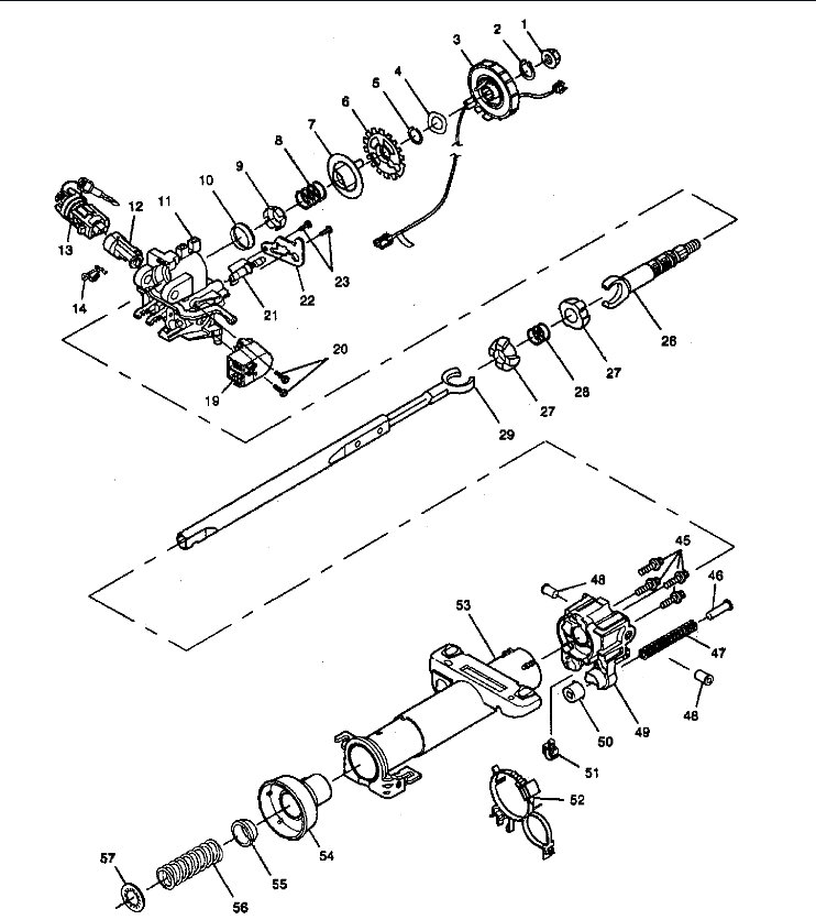
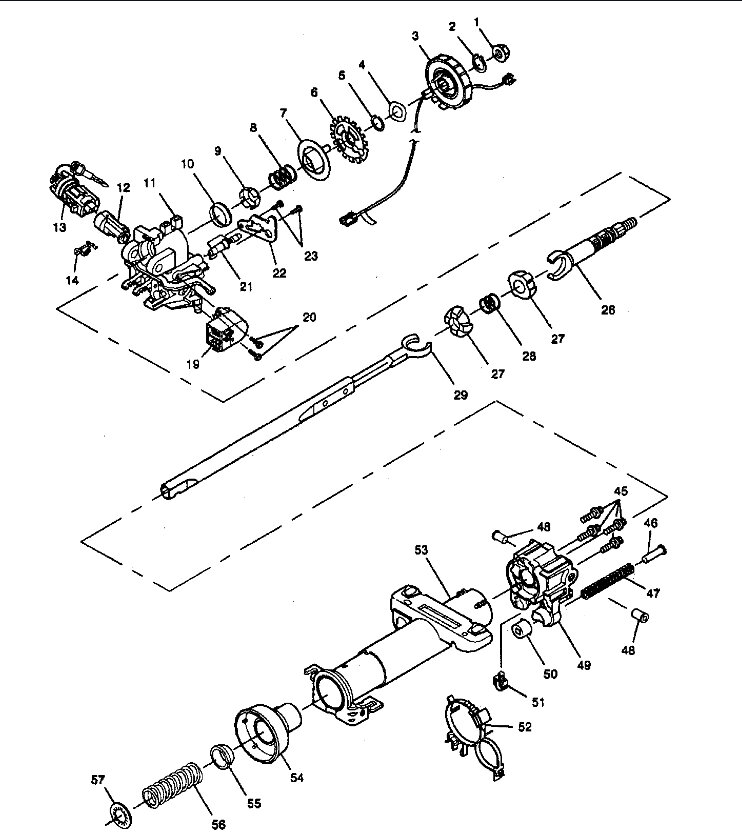
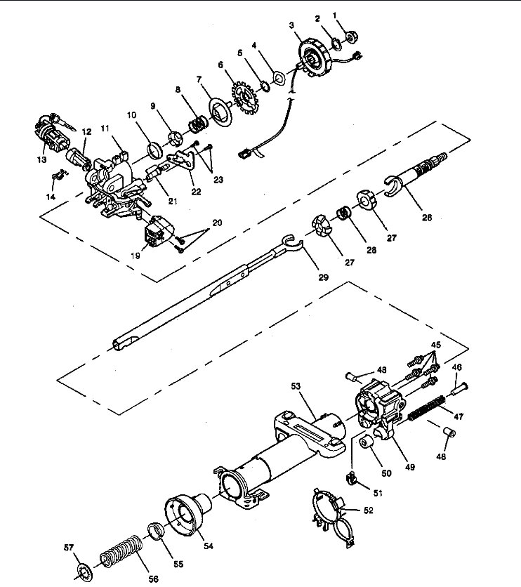
I need to change out the steering column of my car listed above, what would be the good age range that's interchangeable for that part?







