Sunday, November 1st, 2020 AT 2:20 PM
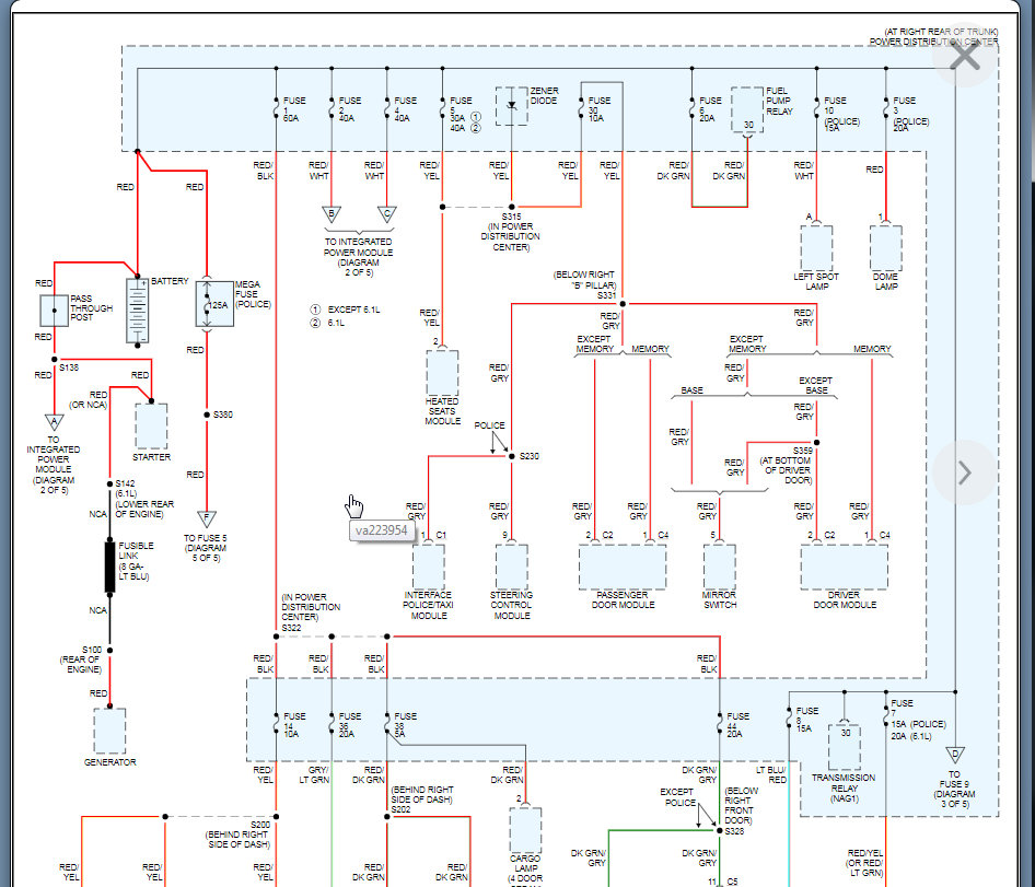
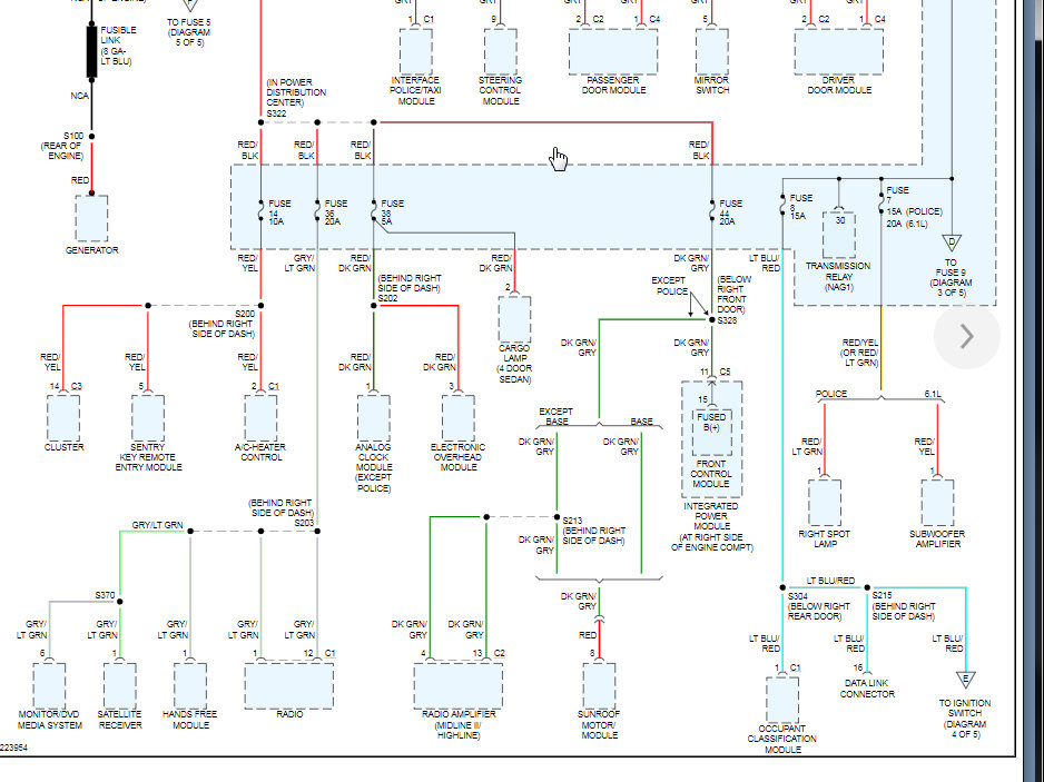
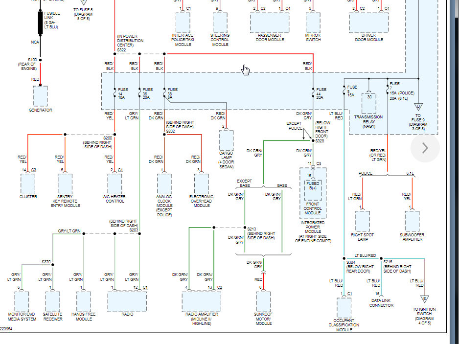
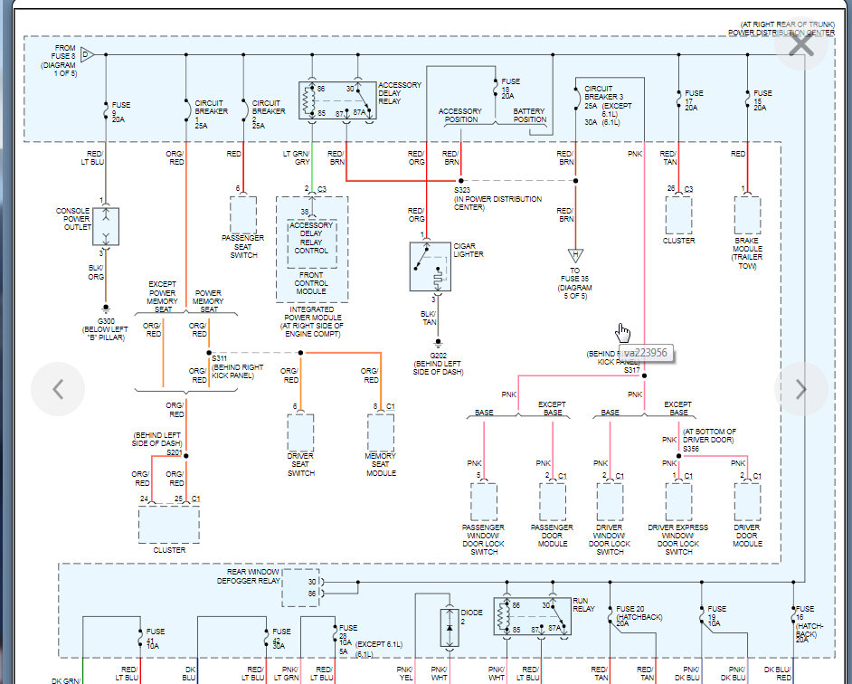
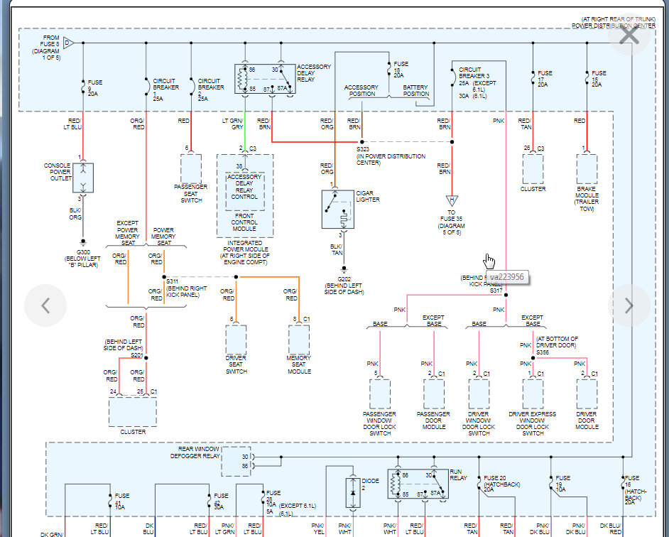
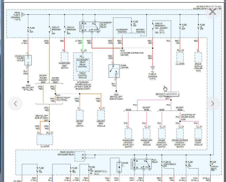
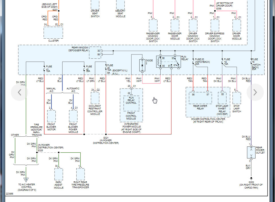
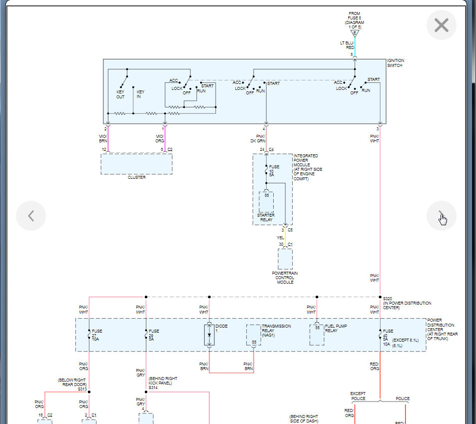
I am working on a friends vehicle and need to know where to connect wires from a distribution center located in the trunk to the correct wires in the wiring harness. Apparently someone replaced the center and left 4 wires disconnected. I have determined what the wires go to, just not what wire to connect them to in the harness as there are no wires left to connect anything too. Please help!







