Friday, June 24th, 2022 AT 6:33 PM
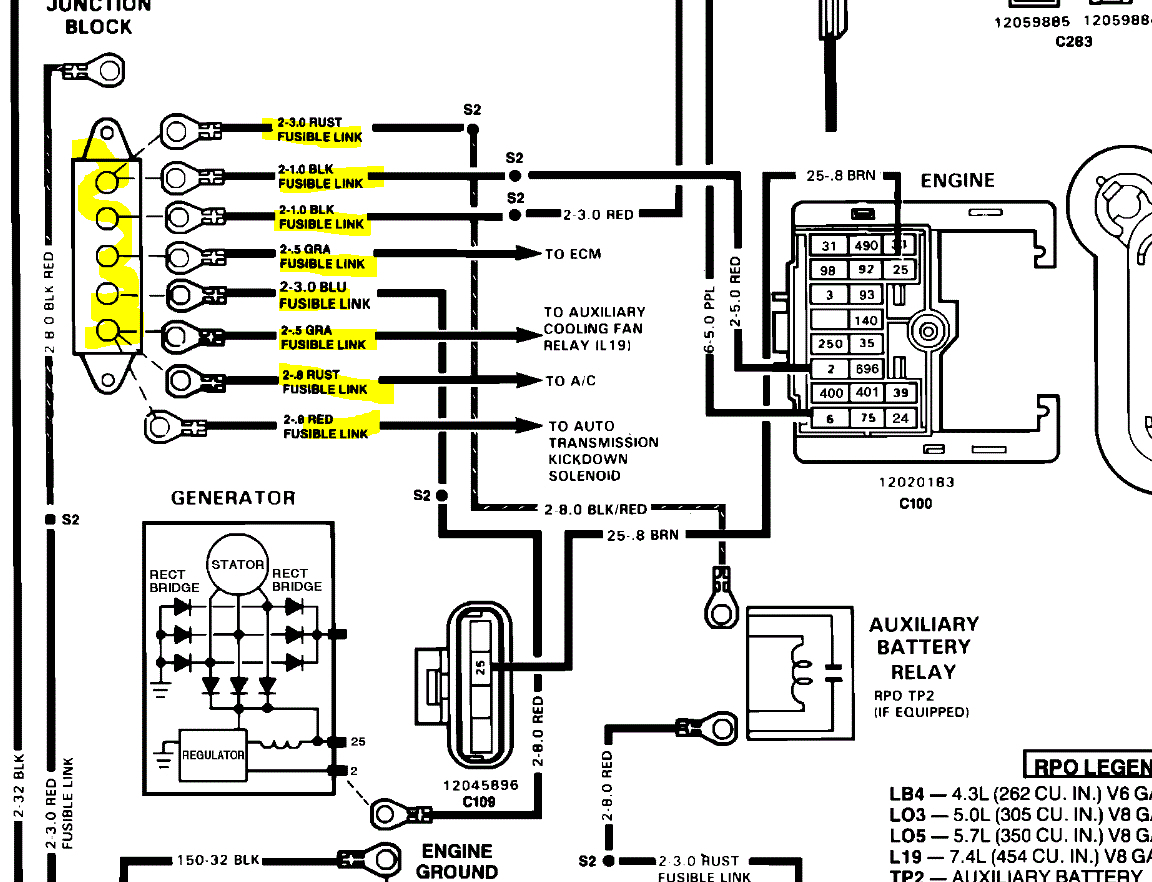
I have the truck listed above, 1500 two-wheel drive 350 engine. I got it and then put an engine in it, and it will not start. I tried everything tested everything but I can't get spark or fuel I'm getting fuel. It's just not going through the injectors tried replacing the computer. Then I was kind of wondering if it was a neutral safety switch but I don't know where it is, haven't been able to find much information on this truck. Any help is appreciated.



