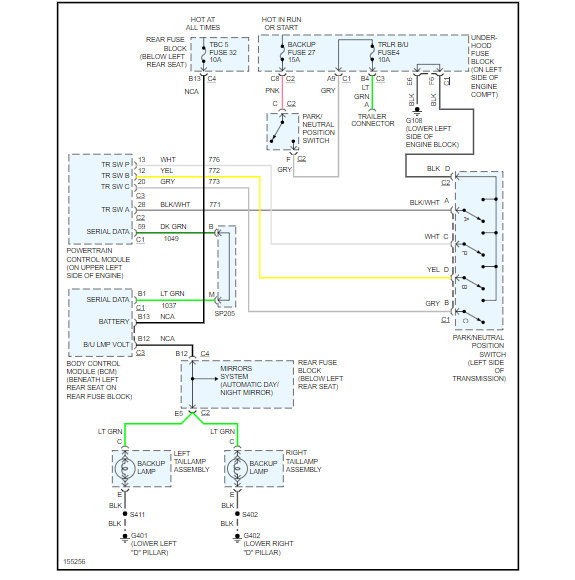
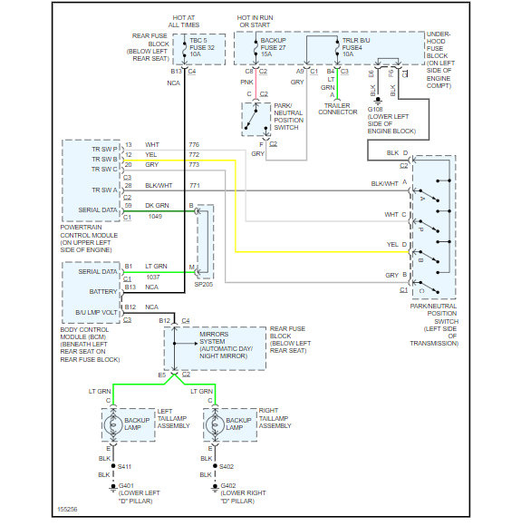
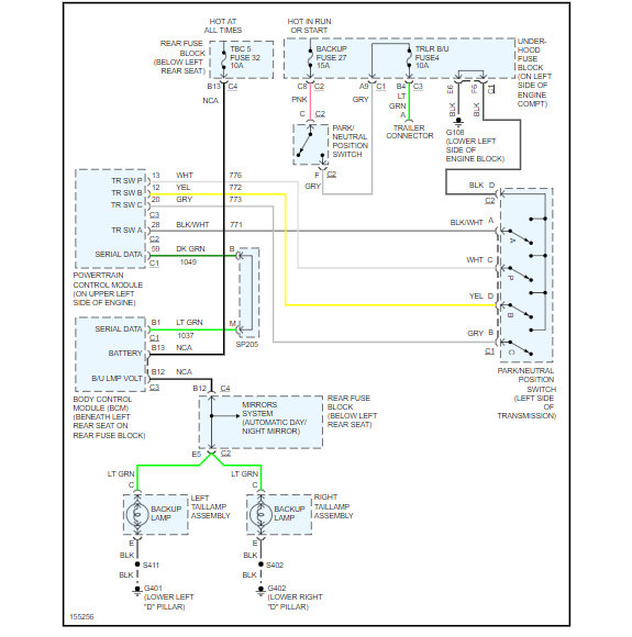
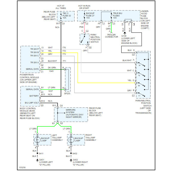
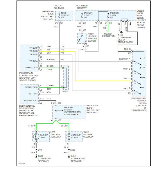
Saturday, February 23rd, 2019 AT 7:02 AM
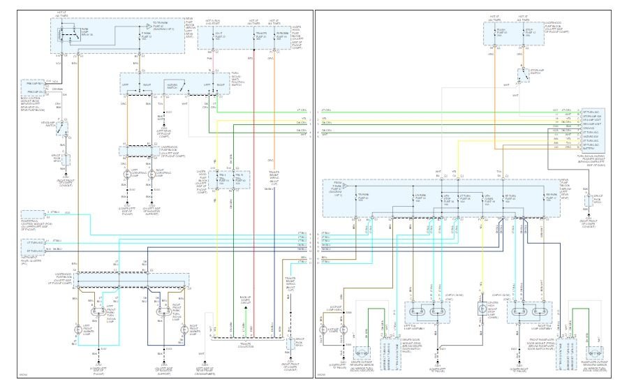
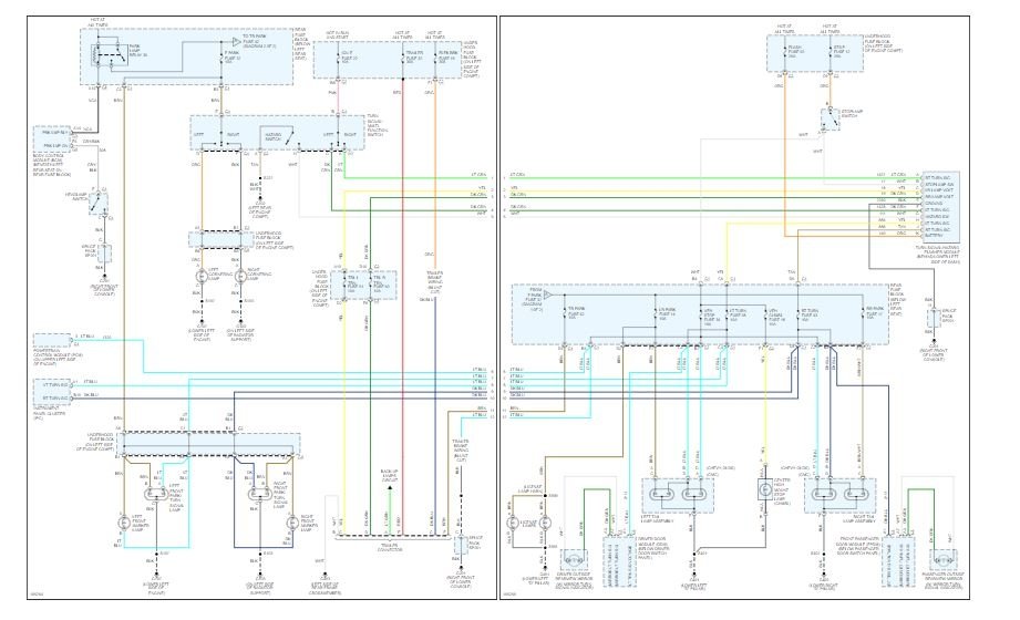
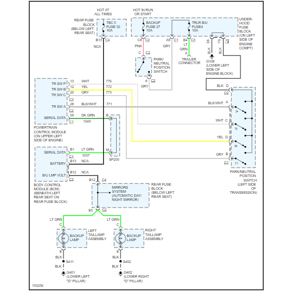
My reverse lights stopped working and auto store said sounds like neutral safety switch. Could you please give me location with picture?







