Saturday, May 20th, 2023 AT 10:43 AM
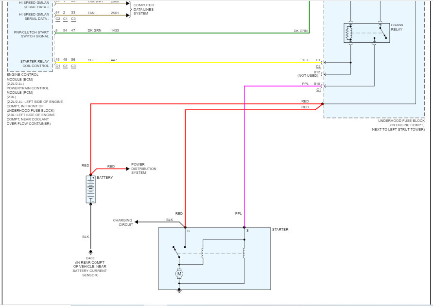
Okay, so I was doing some work on my vehicle which needed the events so annoyed changed out it's not all of them the purge valve I did and also the fuel tank pressure sensor. But I was just going through because I just got the car not too long ago and cleaning yeah, the terminals up where all the connections are making sure everything's okay because it just seemed like it was running occurred for something maybe possibly ground wise. Delete I got around to the front driver's side of the car and under the hood on the driver's side there is a bolt. Well, I thought it was a boat that I regular boat like holding something to the chassis, but it was not. It is not it is a neutral safety position switch sensor I excellently hold on the connection a little bit too much and I Ended up now with a neutral safety what seems like symptoms problem it could be the throttle pedal position sensor as well they cause it does do that thing every once in a while but and I read also that it could be a bad ground. I was getting some readings on my wires up there that were points like 5 and they were not connected. Well, I had the negative cable off of the battery and then I read that you know it could be bad grounds to the batteries box there anyway is like I can't the life of me get it to start to crank now at all. I did have a crank. I did have it working, all I did was just that pink tail thing on the neutral safety position switch and now I get no anything from the nothing at all from the starter. I don't know if it's something to do between not communicating and I don't know how to test that. I don't know what the colors that are supposed to be on that new future safety positions switch plug in which one are the hots, I guess. So, I would think what I'm asking here is what colors are the original hot were what wires need to be weird you know what I don't know what I'm asking now I'm not confused again I do that a lot though but it seems like this guy's got a lot of bad ground problems not a lot and maybe necessarily just one but it's still the switch things still of the issue the neutral safety switch guy but I read that you could bypass it by putting it in neutral like Yao did that y'all told me that so I was going to try that.



