Monday, July 14th, 2025 AT 2:56 PM
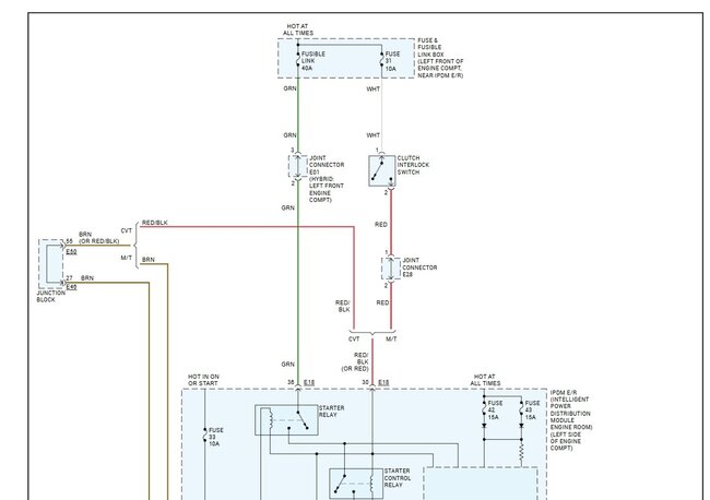
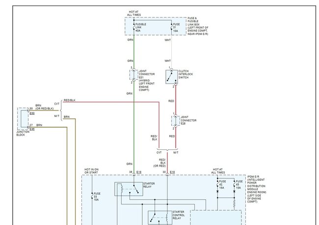
I tested to see if my starter was getting the correct voltage and the main power line is getting it's constant 12volts but the trigger is getting - 12. What could be causing this?






