Need wiring for rear/cargo fuel panel?

Tiny
SPEEDRACER3
  • MEMBER
  • 2012 MERCEDES BENZ R350
  • 3.0L
  • 6 CYL
  • 4WD
  • AUTOMATIC
  • 200,000 MILES
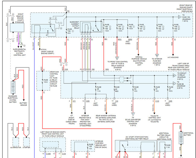
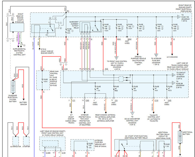
Is there any info on the rear/cargo fuse panel that explains the wiring for the P1-P6 connectors, pinout, and wire size? I need to know where a broken wire goes - only info is color, size and I know it's from P6. But I also need to trace other wires from connector P5, P4 and so on.

As well, need to wiring diagram for Adblue fill level sensor to test whether the sensor is actually the problem or if there is a wiring issue that I can trace back to the fuse panel that went swimming.
Thursday, August 7th, 2025 AT 12:10 PM

1 Reply

Tiny
KEN L
  • MASTER CERTIFIED MECHANIC
  • 55,281 POSTS
So that is the rear SAM control unit. Here are the wiring diagrams which show the pin numbers and connectors. Check out the images (below). Let us know how it goes.
Was this
answer
helpful?
Yes
No
Friday, August 8th, 2025 AT 11:29 AM

Please login or register to post a reply.