Need wiring diagram for crankshaft position sensor?

Tiny
THEGOLFER
  • MEMBER
  • 2009 NISSAN SENTRA
  • 2.0L
  • 4 CYL
  • 2WD
  • AUTOMATIC
  • 195,000 MILES
I pulled the 3 wires out of my crankshaft position sensor when trying to unclip connector. It looks like there are 2 light brown wires and one darker brown wire. I ordered a new connector and it came with a red, black, and brown wire. I don't know which wire goes where, because the three wires were pulled out of the old connector. I am confused. I can check the 3 wires on the car with a meter with key on to find out which one is 12v, which one is 5v and which one is ground, but I don't know the position on the new connector, they are red, black and brown. Please help.
Sunday, January 5th, 2025 AT 12:16 AM

17 Replies

Tiny
CARADIODOC
  • MECHANIC
  • 34,489 POSTS
I was very disappointed to find such a lack of information for this model. There are no original manufacturer diagrams. This first diagram is an aftermarket version, but being much too small to see, I posted just an enlarged section with the cam and crank sensors. They also didn't provide any connector views. I found this second drawing in the sensor testing information. At least it shows the positions of the three terminals.

Let me know if you need full diagrams. They will be too small to read, but you can copy and paste them into a typing program like MS Word where they can be expanded. The problem is they tend to lose detail and become too blurry. If that happens, I can cut them into pieces and expand them for you, but it will take some time.
Was this
answer
helpful?
Yes
No
+6
Sunday, January 5th, 2025 AT 12:54 AM
Tiny
THEGOLFER
  • MEMBER
  • 11 POSTS
I have seen many diagrams online for many different cars, is the diagram you sent me for my specific car and year or a general diagram?
Was this
answer
helpful?
Yes
No
+2
Sunday, January 5th, 2025 AT 2:52 AM
Tiny
THEGOLFER
  • MEMBER
  • 11 POSTS
I need a diagram for my specific car and year.
Was this
answer
helpful?
Yes
No
+1
Sunday, January 5th, 2025 AT 2:52 AM
Tiny
THEGOLFER
  • MEMBER
  • 11 POSTS
I need a diagram for the sensor, which position is 12v which position is 5v and which position is ground.
Was this
answer
helpful?
Yes
No
Sunday, January 5th, 2025 AT 2:56 AM
Tiny
THEGOLFER
  • MEMBER
  • 11 POSTS
The new connector I bought has a black wire in the middle position and a diagram I saw online showed the ground wire in the outside position. So, I'm confused.
Was this
answer
helpful?
Yes
No
+1
Sunday, January 5th, 2025 AT 11:43 AM
Tiny
KEN L
  • MASTER CERTIFIED MECHANIC
  • 55,488 POSTS
I don't think there is a 12-volt power source, only 5-volts, ground and signal. This is the wiring diagram for your car. Check out the images (below). Please let us know what happens.
Was this
answer
helpful?
Yes
No
+1
Sunday, January 5th, 2025 AT 12:35 PM
Tiny
THEGOLFER
  • MEMBER
  • 11 POSTS
My connector and sensor have 3 wires not 2, on the diagram you sent me what does avcc pos mean, then gnd pos. And then pos, thats where the 3 wires lead to on your diagrm for vcrankshaft position 1, 2, and 3. Is position 1power?, Position 2 ground?And position 3 signal?
Was this
answer
helpful?
Yes
No
+1
Sunday, January 5th, 2025 AT 6:20 PM
Tiny
THEGOLFER
  • MEMBER
  • 11 POSTS
I tested the 3 wires with a multimeter and I found ground wire and the 2 other wires both showed 5v which one goes to position 1 and which one goes to position 3?
Was this
answer
helpful?
Yes
No
-1
Sunday, January 5th, 2025 AT 6:25 PM
Tiny
CARADIODOC
  • MECHANIC
  • 34,489 POSTS
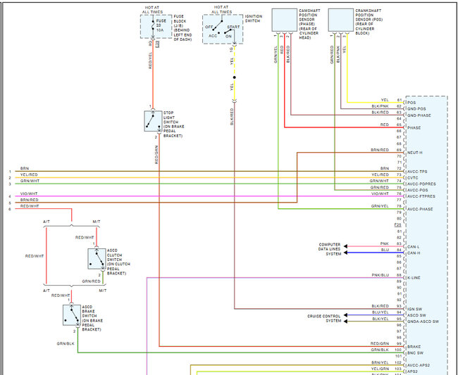
There's two versions; one for vehicles sold in California and one for everywhere else. I posted the one for everywhere else, but the differences are not likely to involve the crankshaft position sensor. Ken found the same diagram. What I posted was a cropped and expanded version for just the two sensors so it's easier to read. As I mentioned, I was surprised and disappointed to find no manufacturer diagrams on the service manual site we use. Their aftermarket version is all they have for your model.

The way to pursue this is to look at the three wires for the crank sensor. They show them as yellow, black / pink, and green / red. That means black with a pink "tracer" or stripe, and a green wire with a red stripe. Next, it shows they go into terminal locations 3, 2, and 1 in the connector. I found the second drawing in the testing section that shows the orientation of those terminal numbers. Nissan uses a lot of non-standard terminology, but if I'm reading this the same as from other manufacturers, that connector is viewed as from the terminals toward you, (the wires away from you), and the locking tab is on top, then the numbering is as shown, 3, 2, 1, from left to right.

The wire in your new connector in cavity number three gets spliced to the vehicle's yellow wire. The wire in cavity number 2, (in the middle), is spliced to the vehicle's black / pink wire. The last wire in the new plug, cavity number one, goes to the vehicle's green / red wire.

There's no need to know the function of each wire or the sensor supply voltage. That's a good thing because even with over 40 years experience with electrical repairs, the terminology used here doesn't make sense. Supply voltages used to power sensors can be 12.0 volts, 10.0 volts, or 8.0 volts, but by far the most common is 5.0 volts. At first I thought that power source was the yellow wire as it's listed as "pos" which I would take for "positive". The problem is if you follow the green / red wire down to the computer, it's listed as "AVCC-pos". Don't know what that stands for. Same with the black / pink wire. It's listed as "gnd-pos". Is that a ground wire or a feed wire? Or, ... Do they mean it switches between those two states?

The next problem requires an understanding of what to expect for voltages you're trying to measure. On the diagrams for most car brands and models, you will not find a sensor ground wire actually going to ground. Rather, they go to ground through the computer. That way the computer can monitor that circuit. If you try to measure the voltage on that wire, it's common to find 0.2 volts. That little "voltage drop" is the result of current flowing through the monitoring circuitry inside the computer. That circuit is also commonly used for multiple sensors, so that 0.2 volts can appear there even when the sensor you're working on is unplugged. Things get more complicated when just one wire is broken or pulled out of a connector and the rest are still plugged in. That's when you need experts like us to help sort through the voltages and clues.

There are at least three or four different types of sensor circuits, and we often don't know which design is used, but we can make some generalizations. When a crankshaft position sensor has three wires, one is the power supply, one is ground, and the signal wire sends out a voltage that switches from 0.0 to 5.0 volts. If you were to graph that on an oscilloscope, the actual voltages might be 0.4 volts and 4.2 volts, for example. The point is we call it "low" or "high". The exact voltages aren't important. The computer is designed to look for the exact time it switches to "high" or when it switches to "low".

Where the confusion comes in is what you will see on that wire when the connector is unplugged from the sensor. Logic dictates you will have 0.0 volts because whatever comes out of the sensor can't get to that wire. In some cases you'd be right. Where the clinker comes in is very often, that signal wire is tied to a "pull-up" resistor inside the computer, and that is connected to the internal 5.0-volt power supply. That resistor is so high in value that it has no effect on the circuit, ... Until the wire is broken or disconnected, then it puts a constant 5.0 volts on that signal wire to force a defect to be detected. That is a 5.0 volt reading you might get that looks like it's the power supply for that sensor, but it's actually the signal wire.

Similarly, the circuit can be designed with a "pull-down" resistor. That puts 0.0 volts on the signal wire when it's unplugged, making it incorrectly look like a ground wire.

What this boils down to is you're likely to find two wires have 5.0 volts, or two wires read close to 0.0 volts. You have to go by the vehicle's wire colors, and the locations in the new connector.

Here's another diagram that shows this circuit.
Was this
answer
helpful?
Yes
No
+1
Sunday, January 5th, 2025 AT 8:14 PM
Tiny
CARADIODOC
  • MECHANIC
  • 34,489 POSTS
I just saw your last two replies. We're overlapping because I type too slowly. Hopefully my last comments will clear up what you found for voltages. In reading through a very long diagnostic test, I did find the yellow wire is indeed the 5.0-volt feed to the sensor. That's terminal 3 in the connector.

The ground wire is terminal 2 in the connector, the black / pink wire. They specify it must not be shorted to the 5.0-volt supply and it must not be grounded, or shorted to ground. That means it is a monitored circuit that I just described.

Terminal 1 is the signal wire, green / red. The only tests are for continuity between the sensor's and computer's connectors, and it can't be shorted to voltage or ground.

For your viewing pleasure, here's the drawing that shows the signal waveforms for the two sensors. You'll note there's no voltages shown because they aren't critical to this story. The computer looks for the "rise time" or the "fall time" for each pulse, and the relationship between the pulses for both sensors. The computer also counts the number of pulses to figure out where the camshaft and crankshaft are at any time. From that, it calculates when to fire an ignition coil and an injector. This waveform is for two crankshaft / one camshaft revolutions.
Was this
answer
helpful?
Yes
No
+1
Sunday, January 5th, 2025 AT 8:42 PM
Tiny
THEGOLFER
  • MEMBER
  • 11 POSTS
Thank you very much for the detailed work you did, I will have to read it many times to understand it, I am not very good with electrical issues. I've only used a multimeter 4 or 5 times ever. I think I can figure it out from the info you gave me., Thanks again I will let you know tomorrow if I got the wiring right or I burnt out my computer, again. Thanks for the time info you gave me.
Was this
answer
helpful?
Yes
No
Sunday, January 5th, 2025 AT 9:29 PM
Tiny
CARADIODOC
  • MECHANIC
  • 34,489 POSTS
Forget the meter. That is going to make this too confusing. All you need to look at is the vehicle's wire colors and the three locations in the connector. If you still aren't 100 percent certain, use three "clip leads", (jumper wires) to make the connections, then see if the engine runs.

There is very little chance you're going to damage the computer. For this, I have to defer to my training from Chrysler. They also use 5.0 volts for the supply voltage to most of their sensors. That comes from a very carefully regulated power supply inside the computer. It feeds many sensors so there's wires running all over the engine. If any one of them would become grounded, the computer shuts that power supply down to protect it. Naturally the engine won't start, but all that's needed is to remove the short. The ignition switch must be turned off, then turned back on to reset the power supply. The places we look first for this type of short is a wire harness draped over the sharp edge of a metal bracket and it rubbed through, and a harness that fell down onto hot exhaust parts.

If the sensors' ground wire, often called the "reference" or "return" wire, is grounded, the engine will usually still start and run, but the short bypasses the monitoring circuit in the computer. That will be detected and the computer will set a diagnostic fault code. I've never run into that code.

If the signal wire is grounded or shorted to the 5.0-volt wire, no damage to the computer should occur because both voltages are normal conditions. For most engines, they won't start or run because the timing signal is missing. The ignition coils, injector, or most commonly, both will not fire.

If you feel safer using the clip leads first to be sure you have the wires in the right spots, you can find a pack of about 10 at Harbor Freight Tools for less than $5.00. The photo below shows what they look like. Of course, it's just as easy to strip off a half inch of insulation from each wire, then just twist the ends together for a temporary test.
Was this
answer
helpful?
Yes
No
Sunday, January 5th, 2025 AT 9:53 PM
Tiny
THEGOLFER
  • MEMBER
  • 11 POSTS
Well, the wires on my vehicle are one dark brown, and the other 2 are the same color light brown, none of my wires are yellow, green/red or black/pink like the diagram.
Was this
answer
helpful?
Yes
No
Monday, January 6th, 2025 AT 3:22 AM
Tiny
CARADIODOC
  • MECHANIC
  • 34,489 POSTS
I did finally find the manufacturer's diagrams for Powertrain Management, but no wire colors were shown, so they're rather useless. Next, I searched through the aftermarket diagrams that I picked the previous section from, and can't find anything with three brown wires. I did find brown wires related to an ignition coil, the mass air flow sensor, and the intake air temperature sensor, but all of the brown wires have stripes on them, and no two go the same component.

Take a look at this drawing to be sure we're looking at the same thing. The blue arrow is pointing to the crankshaft position sensor.
Was this
answer
helpful?
Yes
No
Monday, January 6th, 2025 AT 4:17 PM
Tiny
THEGOLFER
  • MEMBER
  • 11 POSTS
Yes, i'm positive it's the crankshaft sensor, located in the back of engine, it was really hard to access it. I had to put the 8 mm socket on bolt by feel to remove the small heat shield, and then the 10 mm socket on the sensor bolt by feel, I had to go under the car to get to it. And it has 1 darker wire and 2 lighter brown wires with no stripes on any of them, and I cut thetube back that holds the wires in case the heat had turned them brown, but they were same colrs in tube.
Was this
answer
helpful?
Yes
No
Tuesday, January 7th, 2025 AT 1:24 AM
Tiny
THEGOLFER
  • MEMBER
  • 11 POSTS
I think I'm going to try the alligator clips, I'm going to put the connector on the sensor. Alternator has 3 wires a red black and a brown wire all ere 6 inches long. The i'm going to connect the dark brown wire on mycar to the black wire on new connector it's in the middle number 2 position on connector I believe it's the ground wire, then im going to connect the other 2 wires to pos 3 and 1 on new connector, if car doesn't start im gonnb switch the 2 light brown wires and see if thats correct, my car wasnt starting even before I broke the wires of old connector, iv changed the cam and crankshaft sensors, the mass airflow sensor, the throttle body, and a new battery so far, if car still wont start, I think it might b the timing chain skipped a tooth. But I hav aancel310 code reader I can plug in to car to get any new codes, I just bought it online on amazon on sale, I got it for 20 bucks and it shows codes right on the screen, great deal. I'm not trying to sell them I just thought it was a great deal.
Was this
answer
helpful?
Yes
No
Tuesday, January 7th, 2025 AT 1:57 AM
Tiny
CARADIODOC
  • MECHANIC
  • 34,489 POSTS
I'll be waiting for some good news.
Was this
answer
helpful?
Yes
No
Tuesday, January 7th, 2025 AT 8:05 PM

Please login or register to post a reply.