Need wiring diagram to wire in a remote start

2006 CHEVROLET SILVERADO
150,000 MILES • 5.3L • V8 • 2WD • AUTOMATIC
Avatar
JESSE HERRERA
  • MEMBER
  • 4 POSTS
Need wiring diagram to install viper 5105v alarm with remote start. also, how to wire DB3 Digital remote start and overrun module to the Viper alarm.
Apr 3, 2022 at 2:33 PM
Advertisement
Repair Safety Notice: This information is for general instructional purposes only. Vehicle repair can be dangerous. Verify all information, follow manufacturer service procedures, use proper tools and safety equipment, and consult a qualified repair shop when needed.
Avatar
KASEKENNY
  • AUTOMOTIVE REPAIR CONTRIBUTOR
  • 18,907 POSTS
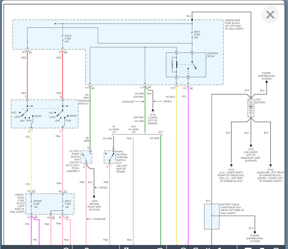
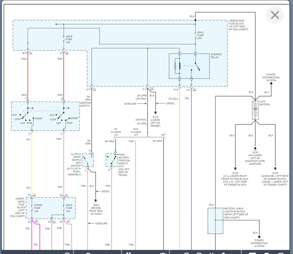
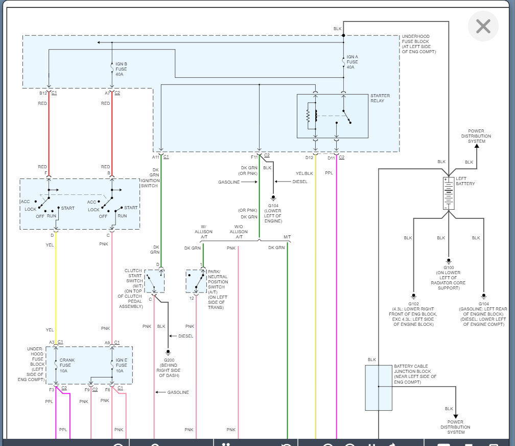
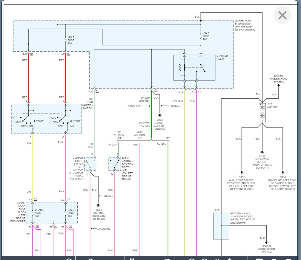
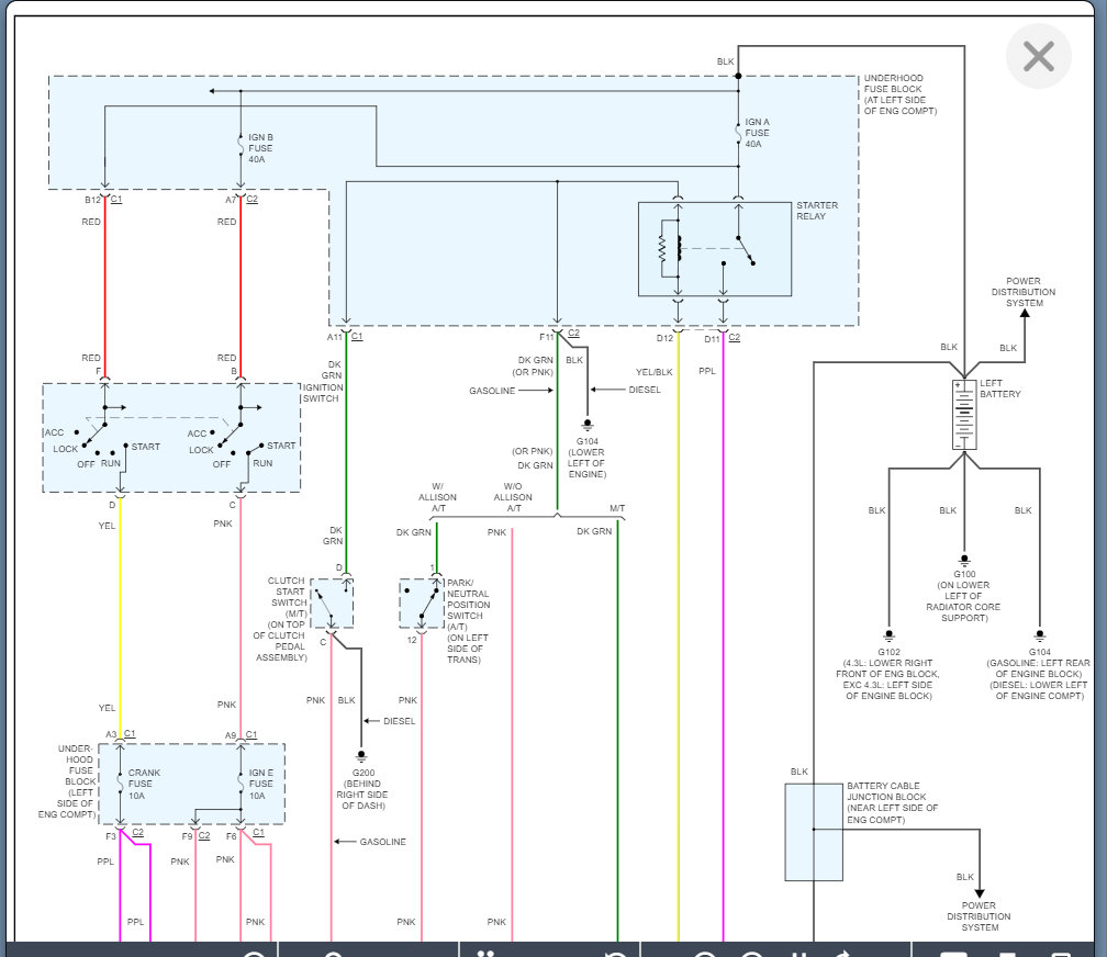
I am attaching the wiring diagram of the starting system which is usually all you need for these systems, but I am not familiar with this specific system so let us know if you need other diagrams and we can supply them.

However, we need to know what system you are needing because they don't supply wiring diagrams based on what is getting installed.

Here is a guide that will help if you need to do any testing on these circuits to get it installed:

https://www.2carpros.com/articles/how-to-check-wiring

Please see the diagram below and let us know what else you need.

Thanks
Apr 4, 2022 at 6:31 PM
Avatar
JESSE HERRERA
  • MEMBER
  • 4 POSTS
Sorry for the misunderstanding I’m trying to install my Viper 5105v remote start keyless entry and DB3 universal and flushable Data-Bus interface Module needs to be wired to viper 5105v. I got my alarm to work but not the remote start because I can’t find installation instructions for the DB3 to install it to alarm in my truck. I hope it makes sense. thank you for your help I really appreciate it.
Apr 7, 2022 at 5:30 PM
Advertisement
Avatar
KASEKENNY
  • AUTOMOTIVE REPAIR CONTRIBUTOR
  • 18,907 POSTS
Okay. I think I understand but unfortunately, we do not have installation instructions for these products so I would suggest contacting the supplier of the system and they should be able to email them to you.

Once you have them, we would be able to help assist with installation, but I would not know how to tell you to install it without their instructions.

Thanks
Apr 8, 2022 at 12:35 PM
Avatar
JESSE HERRERA
  • MEMBER
  • 4 POSTS
Well, thank you very much I do appreciate it anyways you have a great day.
Apr 23, 2022 at 4:29 PM
Advertisement