Thursday, March 13th, 2025 AT 10:59 PM
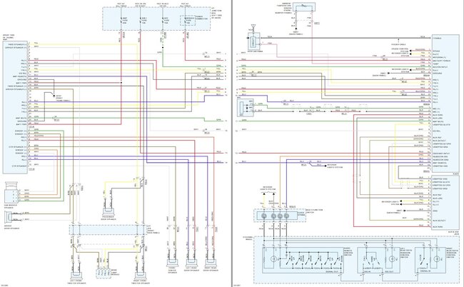
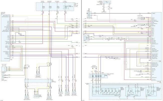
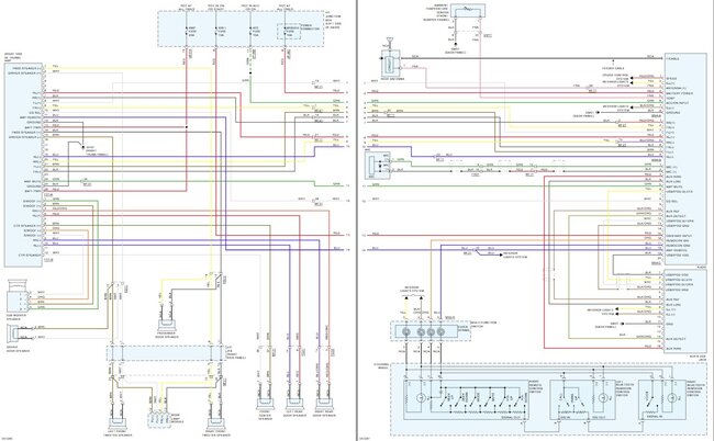
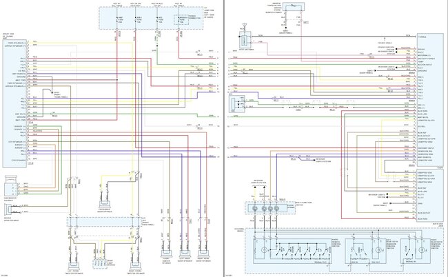
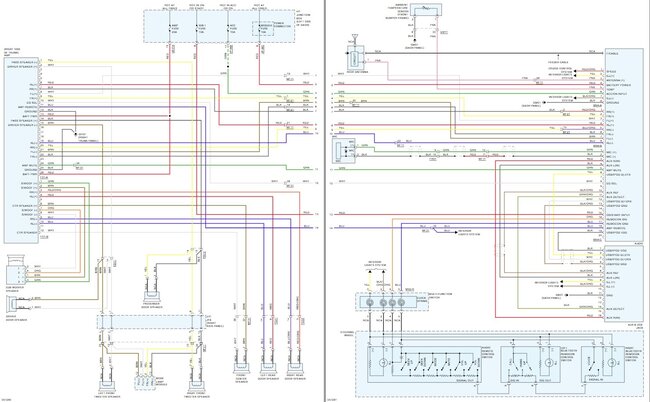
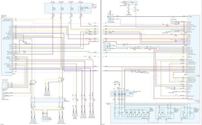
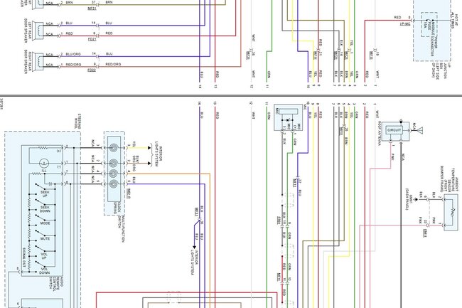
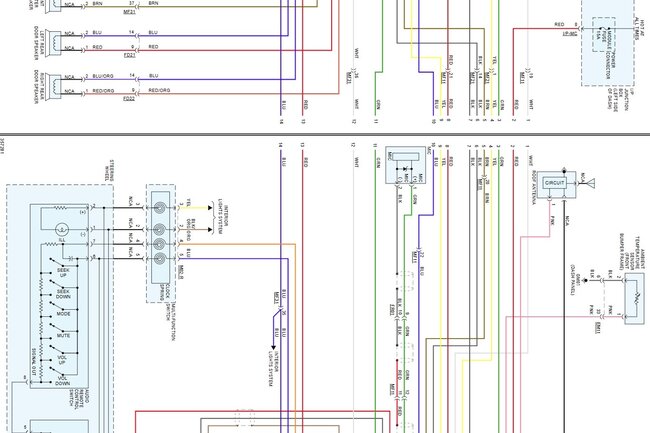
I need to know the correct order for the wires to connect them back to the pin to connect back to the 8-channel amplifier. Connector B.




