Need wire diagram for ECU?

Tiny
JESSLC
  • MEMBER
  • 2009 HYUNDAI GENESIS COUPE
  • 3.8L
  • V6
  • 2WD
  • AUTOMATIC
  • 176,000 MILES
And can my car go without a transponder? If so, would I disconnect the pin out of the ECU or how would I do this?
Wednesday, April 24th, 2024 AT 8:45 PM

1 Reply

Tiny
STEVE W.
  • MECHANIC
  • 15,676 POSTS
That car will not start without the transponder working. It is used to read the chip in the key to verify it is a correct key for that vehicle. The transponder system also is not an individual part. There is a read antenna around the key, which feeds a signal to the SMARTRA module that does the conversion of the rf data from the key into a digital signal to the ECM. The ECM compares that info to its data table. If the key is valid, it allows the rest of the systems to power up so the car can run. It also sends a signal back to the SMARTRA module that keeps checking the key. It also has a somewhat unique system, you put the key in, and it reads the key. It converts that to a random number and stores it as a valid key while the engine is running. Shut the key off and it keeps the number. Remove the key and exit the vehicle and it will generate a different number for that run cycle.
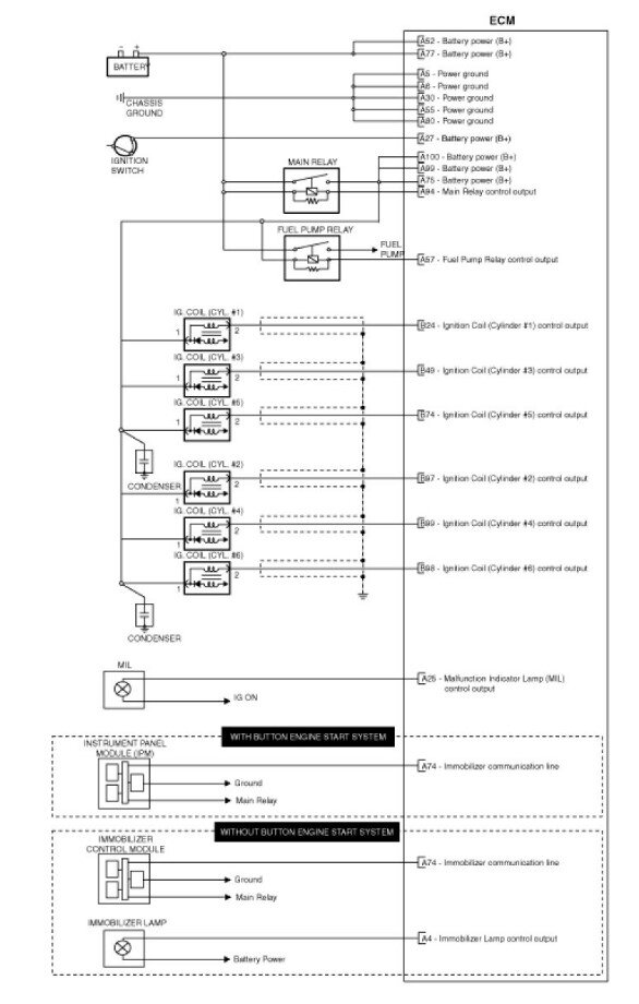
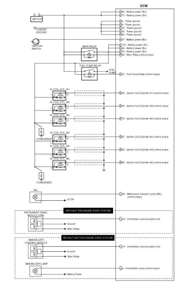
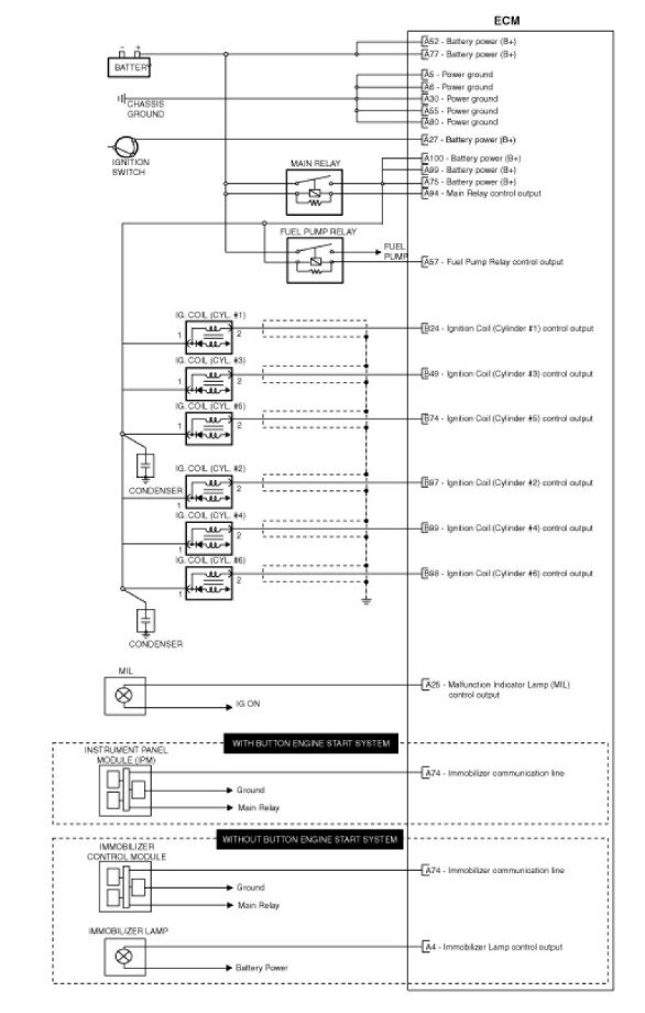
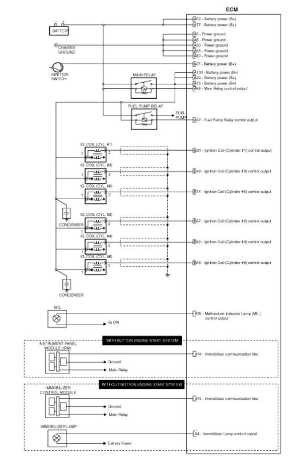
Attached are the pinouts for the ECM.
Was this
answer
helpful?
Yes
No
Thursday, April 25th, 2024 AT 9:04 AM

Please login or register to post a reply.