Cruise Control Fuse?

Tiny
RASTA RASTA MAINE
  • MEMBER
  • 2003 LINCOLN AVIATOR
  • 4.6L
  • V6
  • AUTOMATIC
  • 191,780 MILES
I need to know location of cruise control switch fuse?
Friday, January 3rd, 2020 AT 8:34 AM

1 Reply

Tiny
SCGRANTURISMO
  • MECHANIC
  • 4,897 POSTS
Hello,

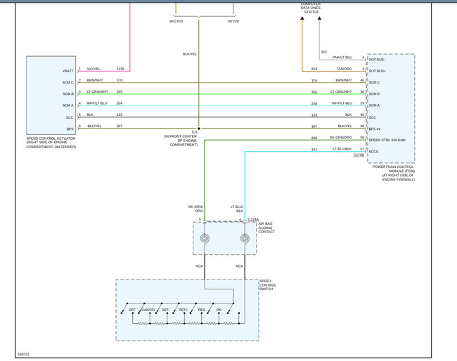
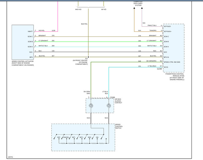
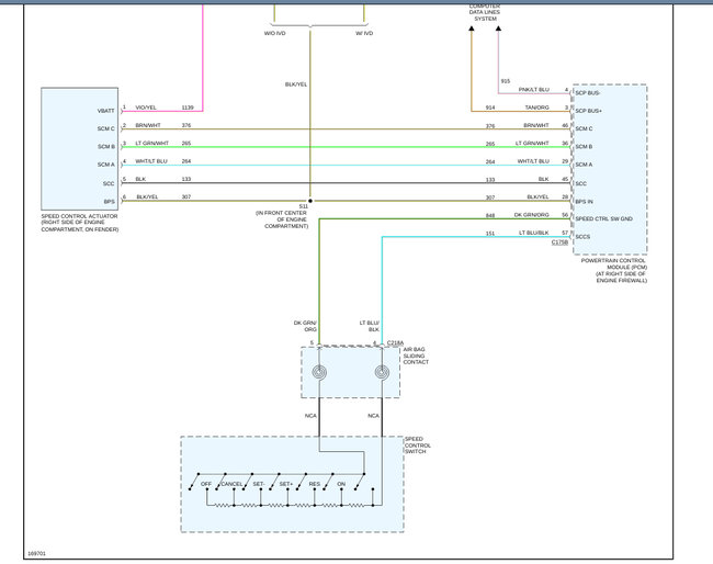
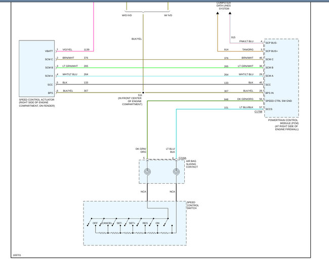
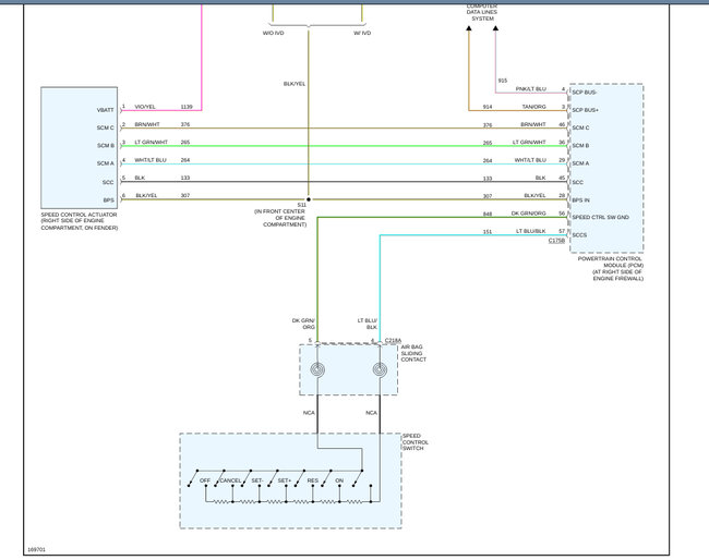
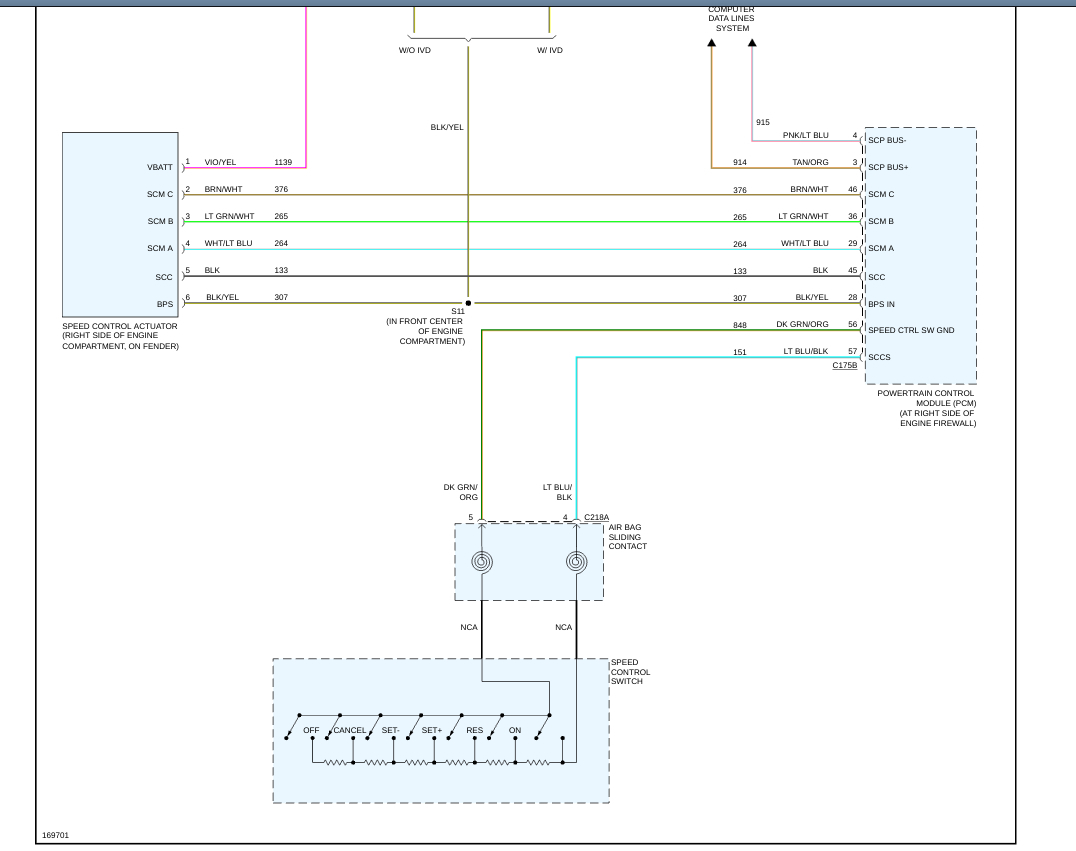
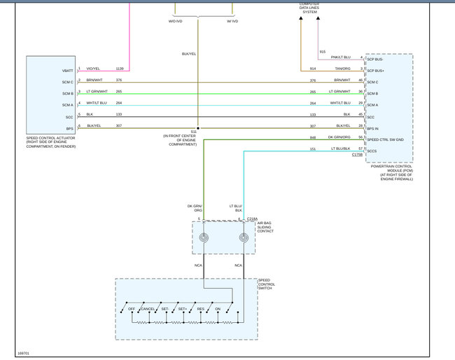
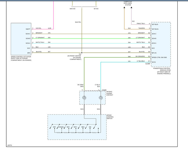
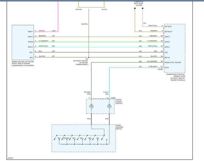
The Cruise Control Fuse is fuse 37 of the battery junction box in the engine compartment, In the diagrams down below I have included the diagrams with call out for the battery junction box, the cooling system locations, and the locations of the transmission components for your vehicle as well. Please go through these guides and get back to us with what you find out. I hope that this helps.

Thanks,
Alex
2CarPros
Was this
answer
helpful?
Yes
No
-1
Friday, January 3rd, 2020 AT 12:00 PM

Please login or register to post a reply.