HOME
ASK A QUESTION
REPAIR GUIDES
BECOME A MEMBER
LOG IN
Login with Facebook
OR
Remember me
NOT A MEMBER?
FORGOT PASSWORD?
CONTACT US
PRIVACY POLICY
TERMS AND CONDITIONS
☰
Home
Toyota
Supra
Engine
Computer
Need the ECU pinout diagram.
1JZFSE5AT
MEMBER
2005 TOYOTA SUPRA
2.5L
6 CYL
RWD
AUTOMATIC
100,000 MILES
Need the ecu pinout diagram for the Toyota 1JZ-FSE-5AT engine. I just bought this engine and do not know the ECU pinout. Upgrade the old engine.
Image (Click to make bigger)
Monday, April 10th, 2017 AT 4:14 AM
4 Replies
KEN L
MASTER CERTIFIED MECHANIC
54,247 POSTS
What year make model did the new engine come from? Then I can get you the info needed.
Best, Ken
Was this
answer
helpful?
Yes
No
+3
Wednesday, April 12th, 2017 AT 6:44 PM
IMRAN MD SARIP
MEMBER
1 POST
Actually I don't know this engine comes from what model. But the year are in 1998
Was this
answer
helpful?
Yes
No
Thursday, June 29th, 2017 AT 9:50 PM
KEN L
MASTER CERTIFIED MECHANIC
54,247 POSTS
Hello,
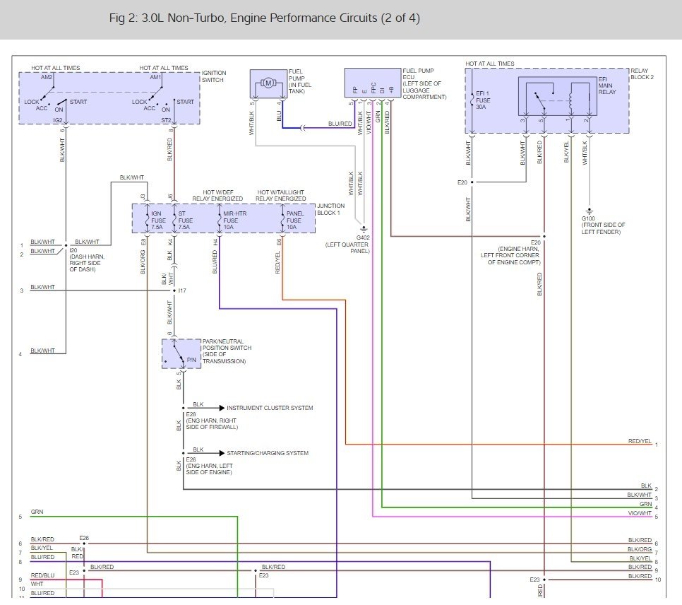
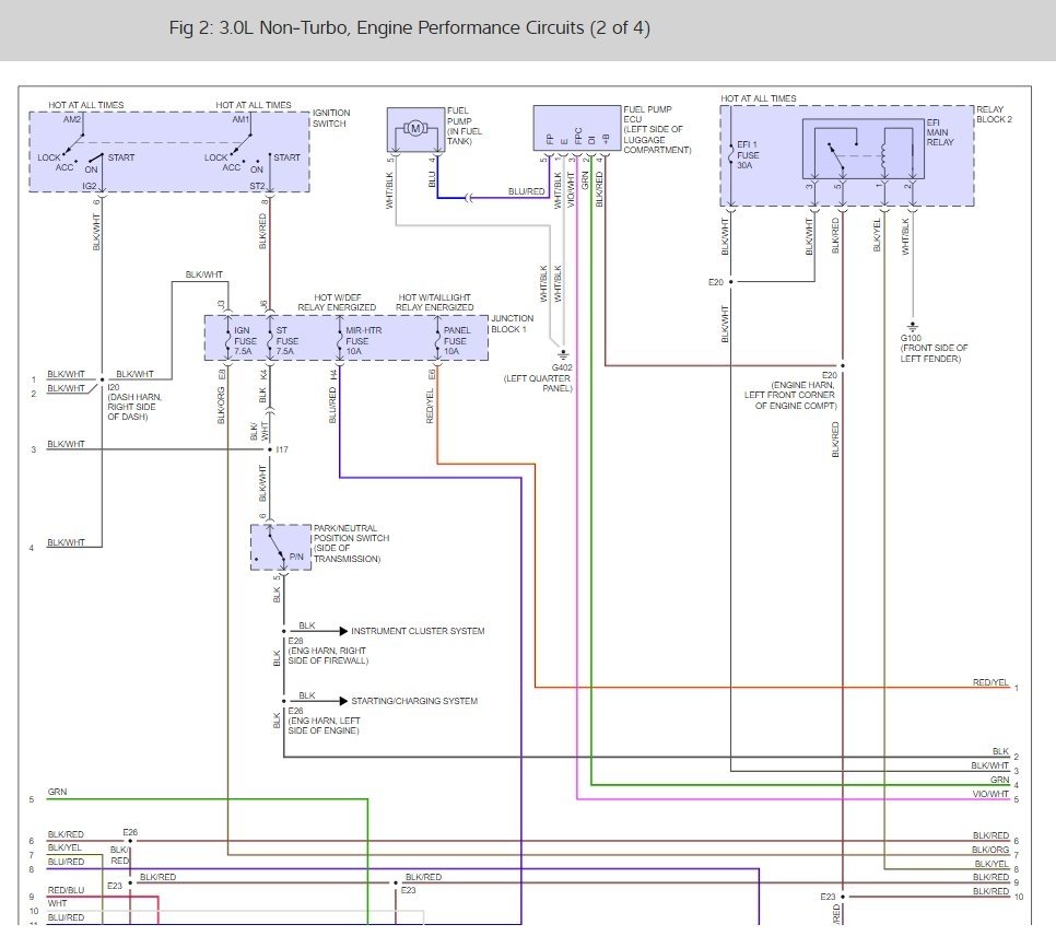
Here are the turbo and non turbo wiring diagrams (below)
Please let us know if you need anything else to get the problem fixed.
Cheers, Ken
Images (Click to make bigger)
Was this
answer
helpful?
Yes
No
+33
Friday, June 30th, 2017 AT 10:48 AM
1JZFSE5AT
MEMBER
2 POSTS
Hi, I need a diagram of 1jzfse5at 2.5L non turbo engine not 2jzfse. Pls help. Tqvm
Was this
answer
helpful?
Yes
No
+24
Thursday, August 3rd, 2017 AT 3:48 PM
Please
login
or
register
to post a reply.
Related Engine Computer Content
1989 Toyota Supra Cylinder Heads
Engine Mechanical Problem 1989 Toyota Supra Automatic 95,000 Miles I Bought A 1989 Toyota Supra Turbo From A Guy. He Says It Just...
Asked by
Questionmark364
·
1 ANSWER
1989
TOYOTA SUPRA
GUIDE
Engine Computer
The automotive engine computer, also known as the ECU, PCM or ECM (Engine control unit, Powertrain control module, Engine control module), is central to a vehicle’s ...
What Does The Oil Pan Do ?
I Just Want The Basic Understanding Of The Use Of It.
Asked by
Goodbeatz1
·
3 ANSWERS
1 IMAGE
1996
TOYOTA SUPRA
1986 Toyota Supra Starter Is Strong,but Starts When...
I Have An 86 Supra And It Starts Sometimes On Occasion And Sometimes It Wont Start At All. The Starter Sounds Really Strong And Their Is...
Asked by
darkcloud87
·
3 ANSWERS
1986
TOYOTA SUPRA
1988 Toyota Supra Engine Idle
Engine Performance Problem 1988 Toyota Supra 6 Cyl Two Wheel Drive Automatic Engine Idle At 1000 Rpm Up To 2000 Down To 1000 Back Up...
Asked by
earl indian
·
3 ANSWERS
1988
TOYOTA SUPRA
1994 Toyota Supra Hot Air
I Have A 1994 Toyota Supra Twin Turbo And The A/c Is Blowing Hot Air. I Was Wondering What Could Be The Cause Of It? And I'm Not Sure What...
Asked by
Supra1994
·
1 ANSWER
1994
TOYOTA SUPRA
VIEW MORE
Ask a Car Question. It's Free!
Engine Computer Symptoms
Top 8 Reasons for an Annoying Engine Rattle!
Service Throttle Body Toyota Highlander V6