Need the BCM pinout and connector description/color

Tiny
HARPSTER
  • MEMBER
  • 2002 CHEVROLET TRAILBLAZER
  • 4.2L
  • 6 CYL
  • 2WD
  • AUTOMATIC
  • 250,000 MILES
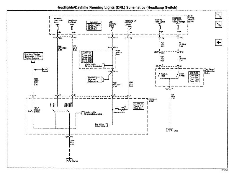
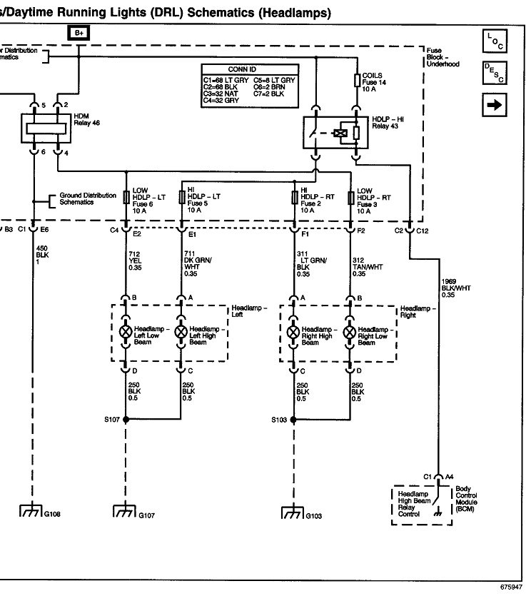
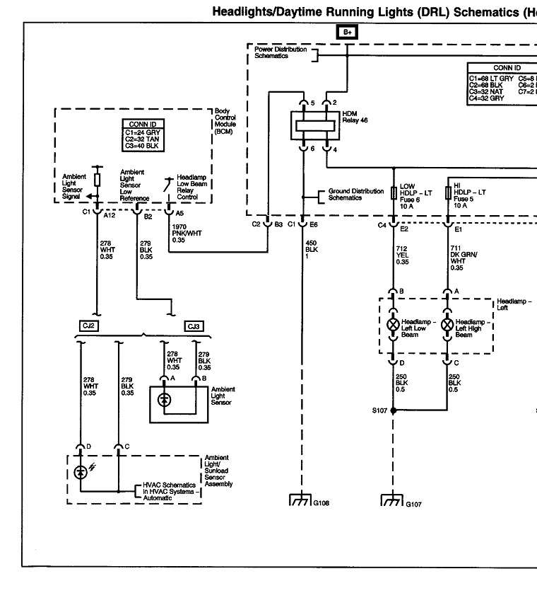
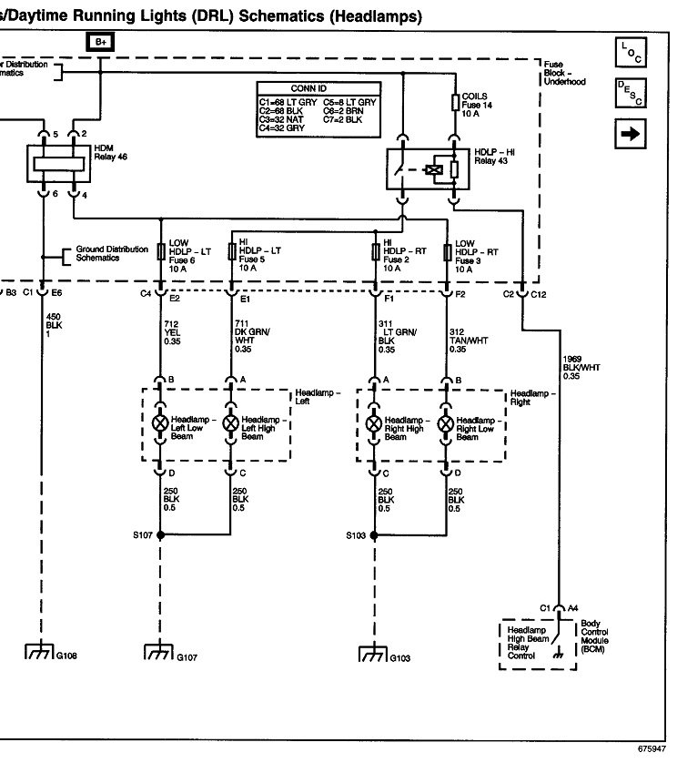
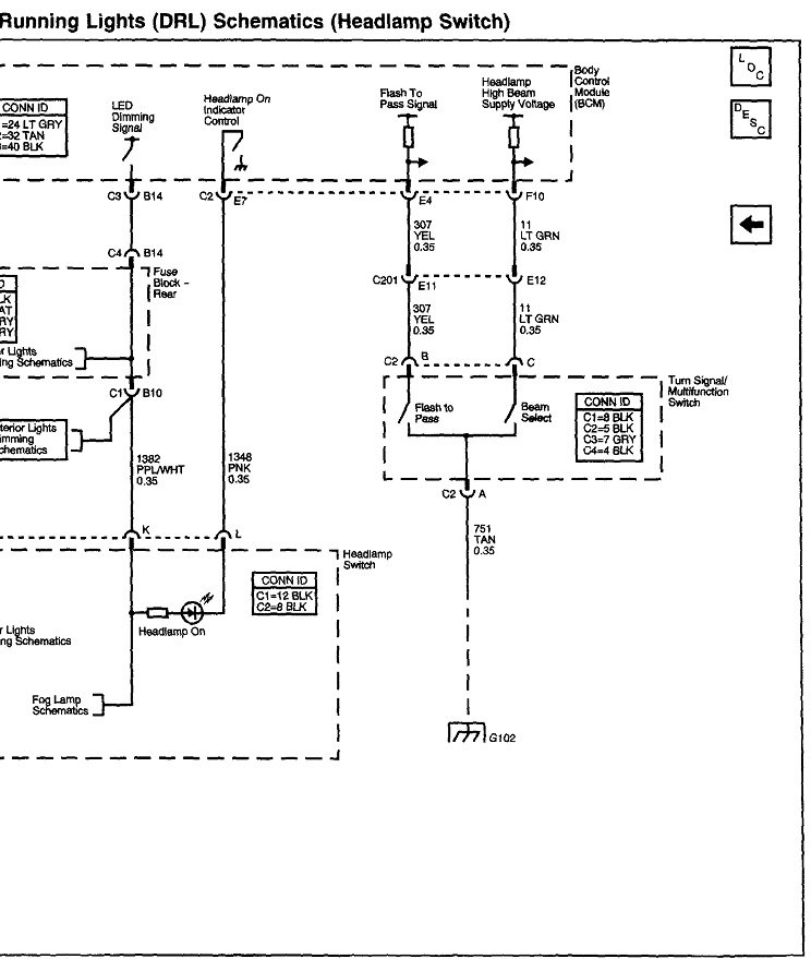
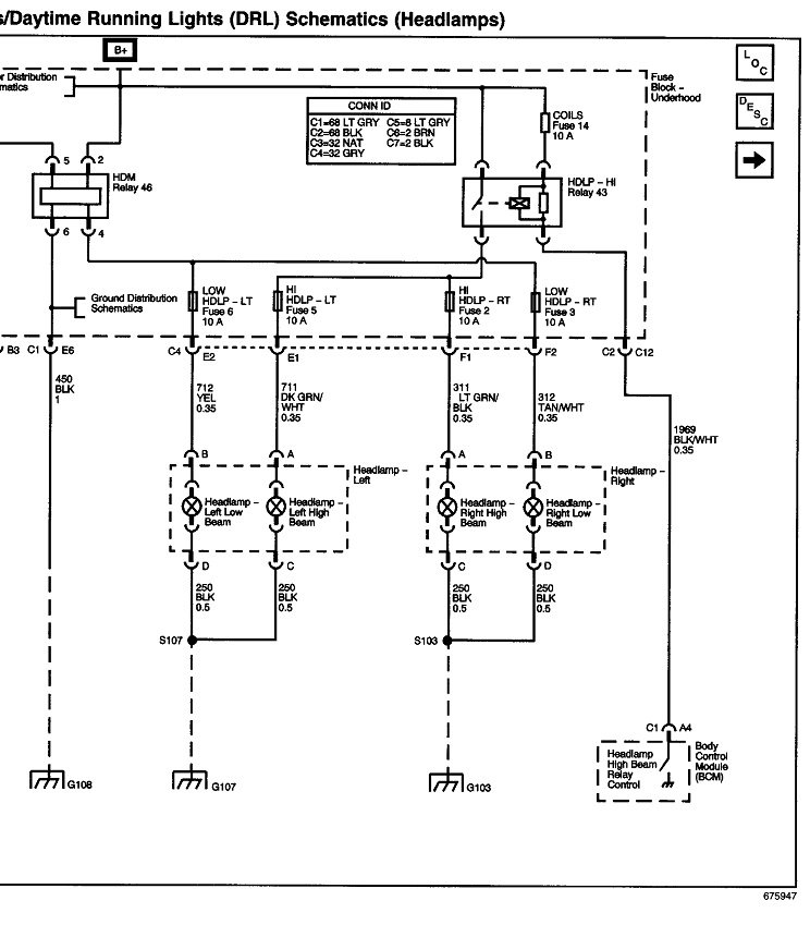
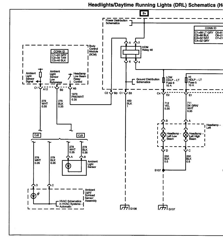
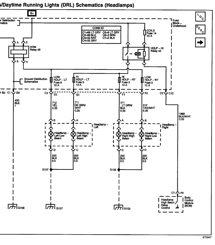
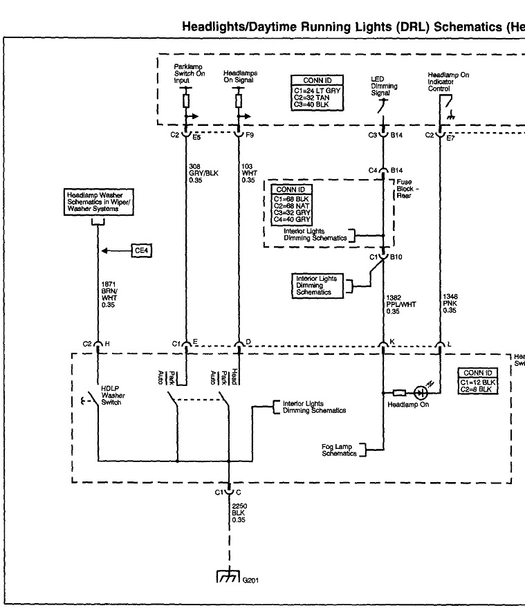
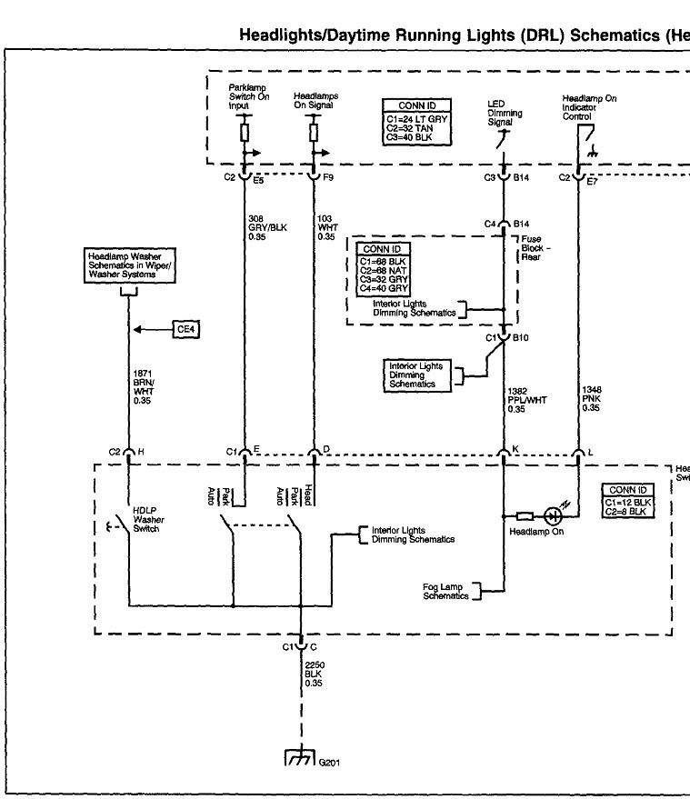
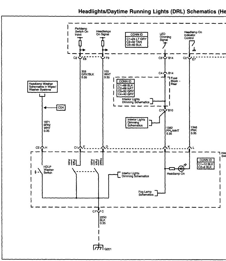
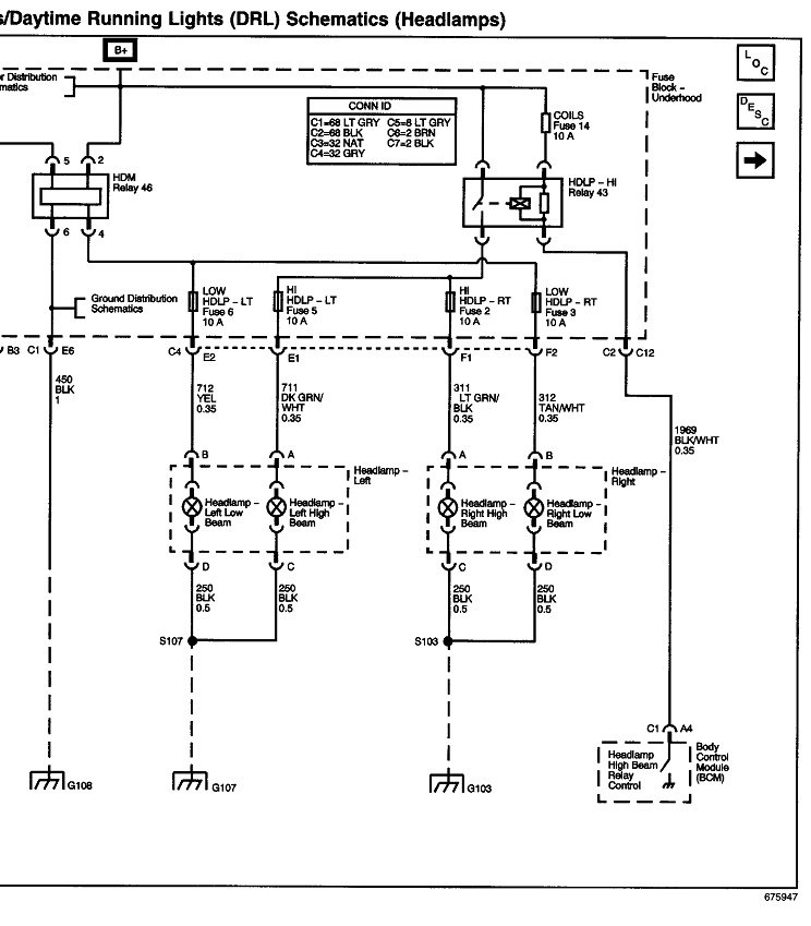
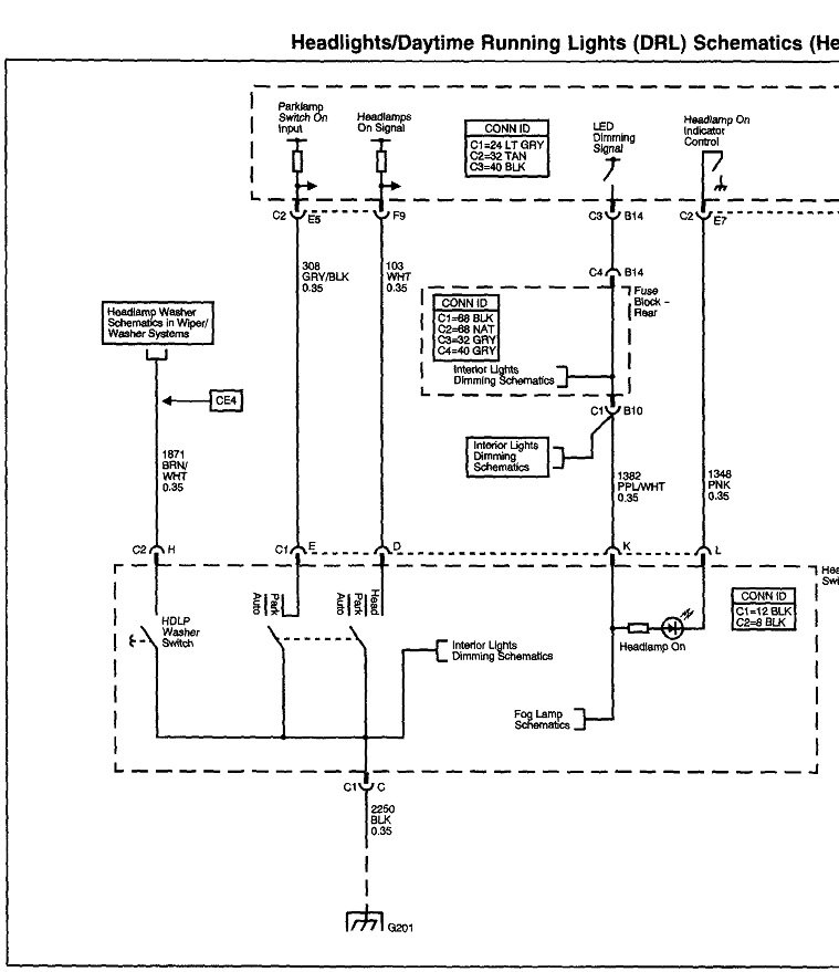
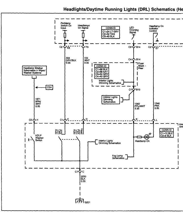
I have a high beam malfunction, and I have found a broken wire on the BCM harness. I need the BCM pinout and connector description/color reference to trace it down.
Tuesday, January 7th, 2020 AT 12:03 PM

4 Replies

Tiny
CARADIODOC
  • MECHANIC
  • 34,463 POSTS
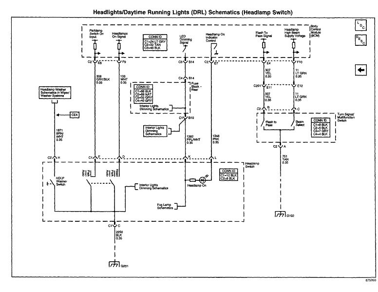
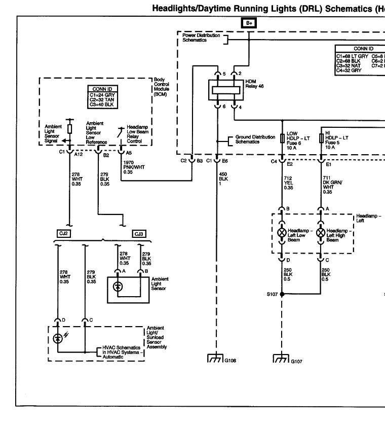
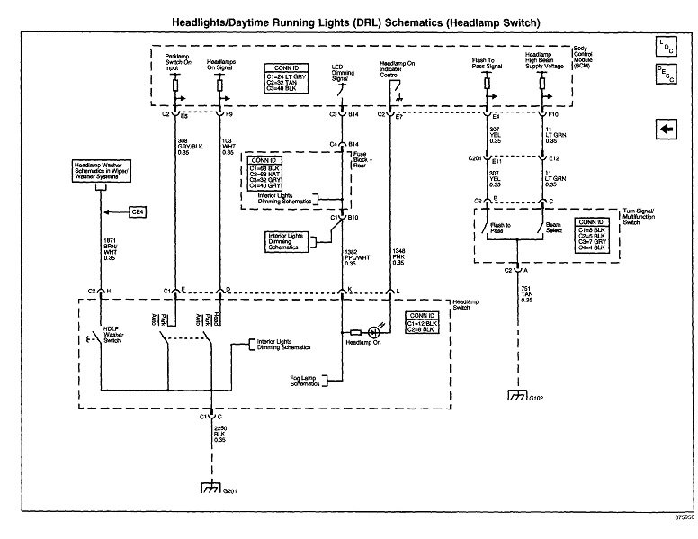
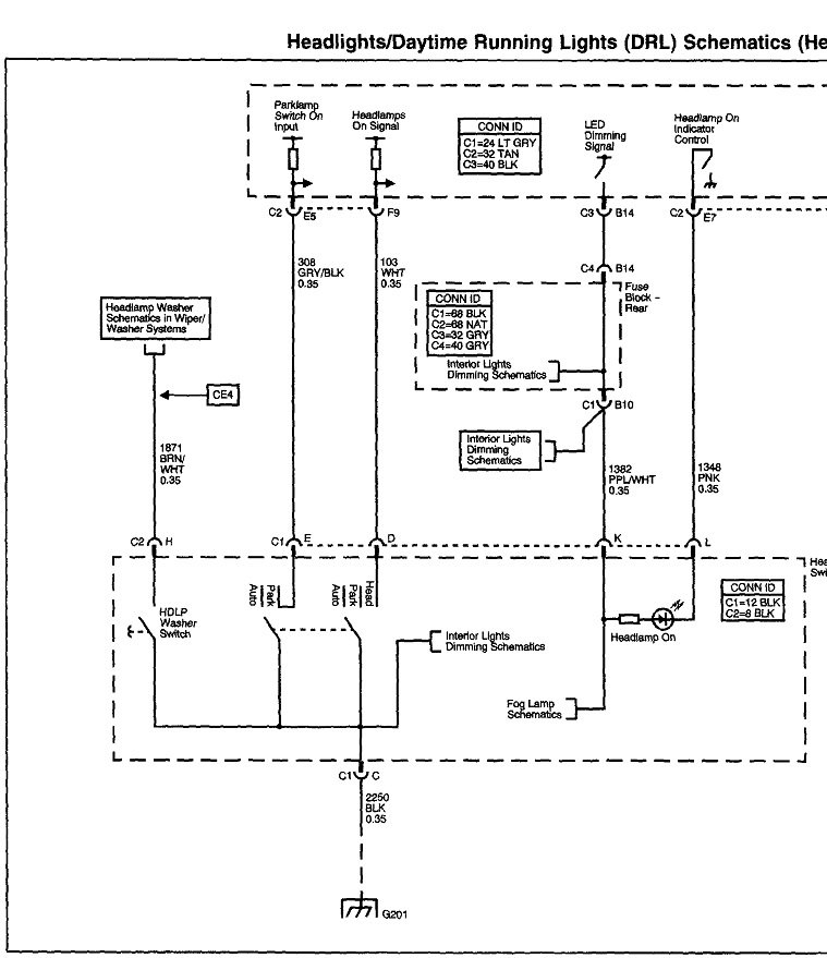
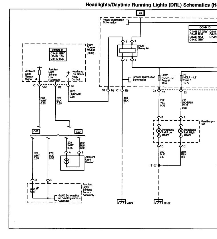
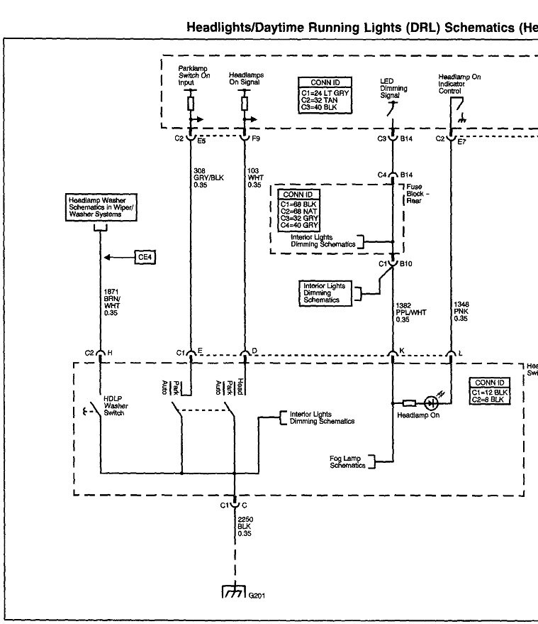
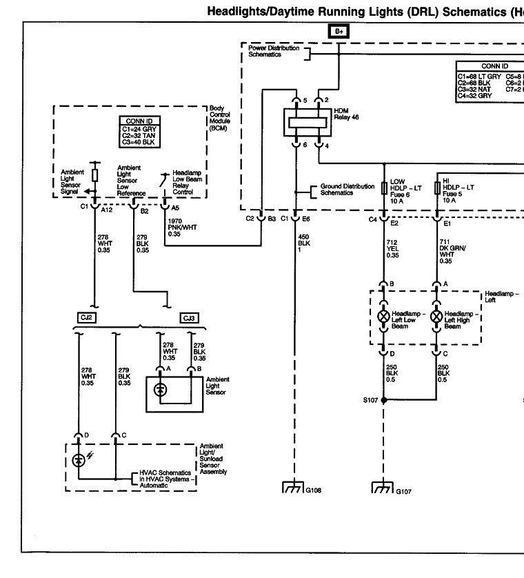
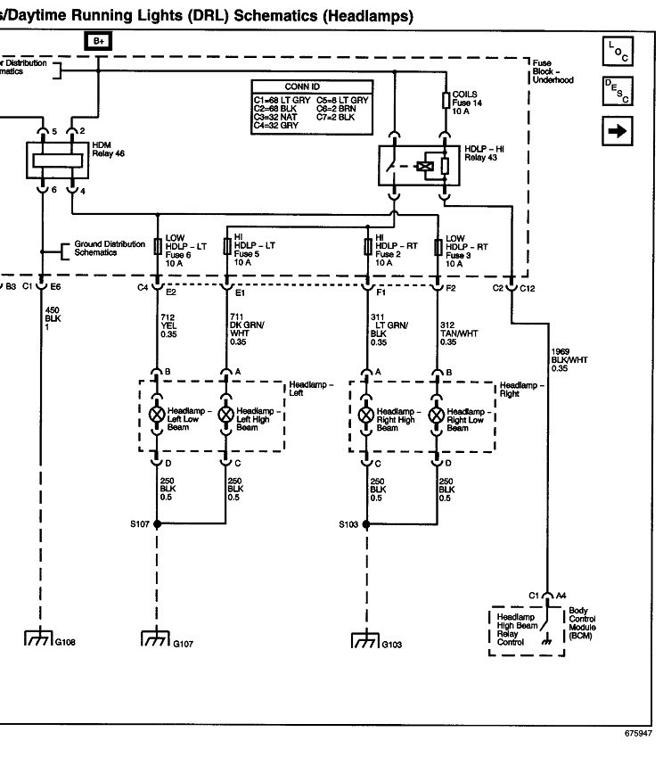
See how far you get with these.

The second and third diagrams are blown-up versions of the first one so they're easier to read. The fifth and sixth diagrams are the fourth one cut in half and blown up.
Was this
answer
helpful?
Yes
No
+8
Tuesday, January 7th, 2020 AT 12:51 PM
Tiny
HARPSTER
  • MEMBER
  • 4 POSTS
Thank you CARADIODOC! That's a huge help!
Was this
answer
helpful?
Yes
No
Tuesday, January 7th, 2020 AT 2:00 PM
Tiny
HARPSTER
  • MEMBER
  • 4 POSTS
Problem fixed! It was the broken wire!
Was this
answer
helpful?
Yes
No
Wednesday, January 8th, 2020 AT 11:53 AM
Tiny
CARADIODOC
  • MECHANIC
  • 34,463 POSTS
Dandy. Happy to hear you solved it. Please come back to see us again.
Was this
answer
helpful?
Yes
No
+1
Wednesday, January 8th, 2020 AT 1:27 PM

Please login or register to post a reply.