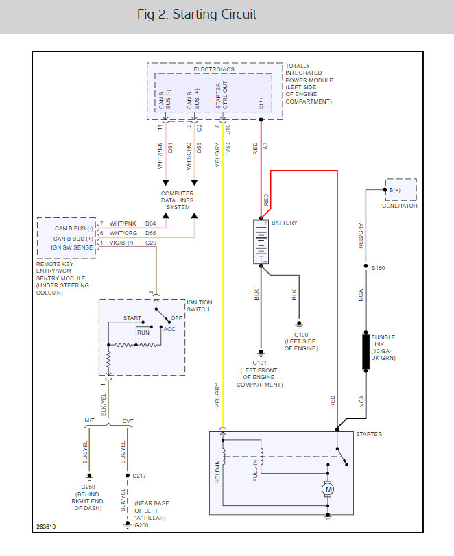
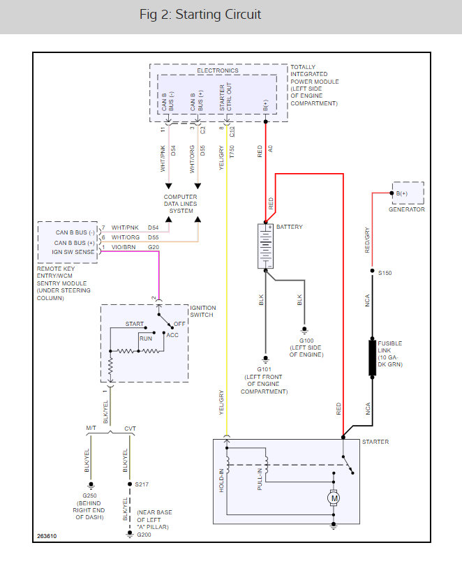
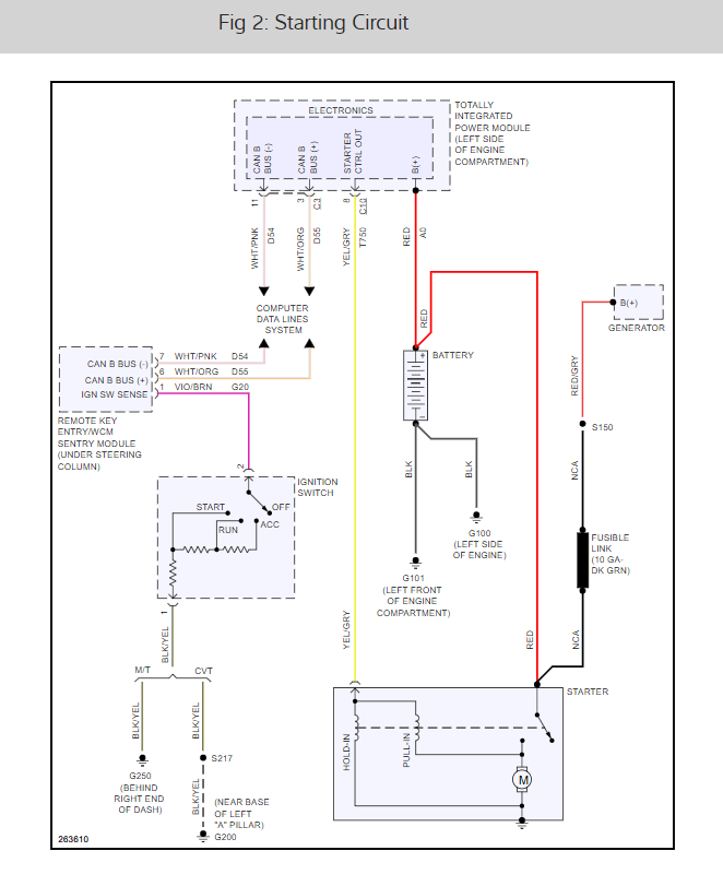
Sunday, October 20th, 2019 AT 11:39 PM
I have power to engine but all it does when I turn over is nothing. I put new battery in it and new belts. It was running at beginning of the year but then parked and it has been so sitting. Trying to fix this car.



